no non direi...
Andiamo nel concreto, tu immagino voglia garantire un certo numero di aperture/chiusure anche se dovesse mancare la rete.
Una batteria di solito si degrada perché perde capacità effettiva e corrente di spunto, ma attaccata al caricabatterie arriverà comunque alla tensione di fine carica (es 13,5V) anzi se di capacità ridotta ci arriverà prima. E ci rimarrà finché non togli l'alimentazione.
Fosse così facile fare un circuito che valuta lo stato di salute (SOH) di una batteria...
Carica batterie tampone
31 messaggi
• Pagina 2 di 4 • 1, 2, 3, 4
0
voti
Ti ringrazio, ma rimango dell'idea che una spia di fine carica mi darebbe più serenità, quantomeno per indicarmi che il caricatore non sia andato lui in avaria e sta caricando.
-

elektronik
7.800 4 6 7 - Master

- Messaggi: 3836
- Iscritto il: 12 mag 2015, 22:26
0
voti
Ciao a tutti, volevo condividere con voi quello che sono riuscito a capire dopo vari test. Dopo aver messo al posto della resistenza da 1 ohm una da 10 ohm il led si accende quando il circuito carica e si spegne quando la batteria e carica. però credo che il circuito così come è carica molto lentamente e se dovesse venire a mancare la corrente la batteria si scaricherebbe perché non si può inserire un diodo in uscita.
-

elektronik
7.800 4 6 7 - Master

- Messaggi: 3836
- Iscritto il: 12 mag 2015, 22:26
0
voti
elektronik ha scritto:Dopo aver messo al posto della resistenza da 1 ohm una da 10 ohm il led si accende quando il circuito carica e si spegne quando la batteria e carica. però credo che il circuito così come è carica molto lentamente e se dovesse venire a mancare la corrente la batteria si scaricherebbe
potresti provare a mettere un diodo, con una Vf leggermente inferiore a Vfbe del transistor, in serie alla
resistenza da 1ohm. Così avresti una caduta minima necessaria sia per corrente di carica che
per l'accensione del led a fine carica. Infatti quando la corrente produrrà una caduta ininfluente
sulla resistenza da 1 ohm, il diodo non compenserà interamente la Vfbe del transistor.
2
voti
elektronik ha scritto:caricabatterie tampone piombo gel 12 V da 100mA a 700mA, [cut]quello che a me serve è un segnale visivo di fine carica[cut]
allarme quando la batteria non si riesce più a caricare [cut]
aspetto che qualcuno mi posta qualche schema per caricabatteria tampone con lm317 preferibilmente già testato.
viewtopic.php?f=1&t=70478&start=10#p726111
ha pubblicato uno schema (elegante come sempre) che potrebbe fare al caso tuo.
Lo replico qui sotto con qualche modifica per adattarlo al tuo caso specifico.
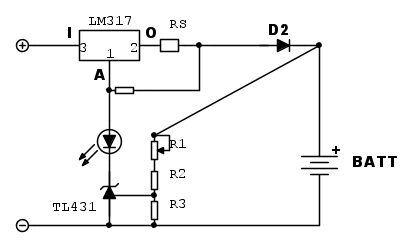
- carica a corrente / tensione costante la batteria
- a fine carica (tensione costante) si accende il LED
La corrente di carica dipende da RS e dalla tensione di riferimento dell'LM317
La tensione di fine carica dipende dale resistenze R1,R2 e R3 e dalla tensione di riferimento del TL431
Come vedi e' tutto "deterministico", dipendente da parametri ben caratterizzati dai datasheet con buona riproducibilita' e costanza dei risultati e non da "improbabili" Vbe di transistor o simili.
MA nel circuito non sono volutamente riportati i valori perche' ritengo che "oggi" A.D. 2018 (quasi) si debba fare diverso (NON meglio, diverso)
LT3652
http://cds.linear.com/docs/en/datasheet/3652fe.pdf
26 pagine di datasheet dovrebbero convincerti che ha "tutto":
- carica a corrente/tensione costante
- indicazione di carica e fine carica (inverti pin CHRG 4)
- indicazione "fault"
- Resistor Programmable Float Voltage Up to 14.4V
- Accommodates [cut] SLA (batteria al piombo sigillata) Chemistries
- Once charging is terminated, the LT3652 enters a low-current (85μA) standby mode
3
voti
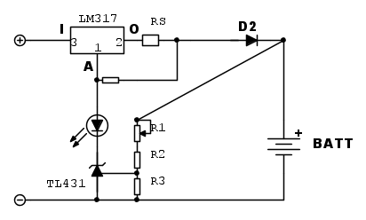
Comunque lo schema del primo messaggio funziona, solo che il led è acceso durante la carica e si spegne a fine carica.
La corrente di carica è data da 0.6/R, quindi con una R di 1ohm la corrente vale circa 0.6A e se durante la carica il led non si accende vuol dire che la batteria è già carica oppure che è degradata.
quando una batteria non è più buona si carica in fretta, cioè raggiunge in fretta la tensione finale, se è proprio andata si carica in un attimo, quindi il led non fa neanche in tempo ad accendersi.
Il mio schema riveduto da
elfo garantisce una corrente più prevedibile perché la regolazione non dipende dalla soglia di conduzione del transistor che è incerta e temperatura dipendente ma dipende dalla tensione di riferimento di 1.25V dell'LM317 che è molto più stabile e precisa. Il led si accende a fine carica.
La corrente di carica è data da 0.6/R, quindi con una R di 1ohm la corrente vale circa 0.6A e se durante la carica il led non si accende vuol dire che la batteria è già carica oppure che è degradata.
quando una batteria non è più buona si carica in fretta, cioè raggiunge in fretta la tensione finale, se è proprio andata si carica in un attimo, quindi il led non fa neanche in tempo ad accendersi.
Il mio schema riveduto da
-

BrunoValente
39,6k 7 11 13 - G.Master EY

- Messaggi: 7796
- Iscritto il: 8 mag 2007, 14:48
0
voti
Ciao
elfo e
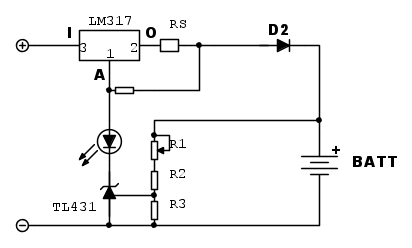
BrunoValente volevo ringraziarvi per la disponibilità, questo circuito mi piace e quindi proverò a costruirlo

P.S. se avete anche i valori dei vari componenti vi sarei grato

P.S. se avete anche i valori dei vari componenti vi sarei grato
-

elektronik
7.800 4 6 7 - Master

- Messaggi: 3836
- Iscritto il: 12 mag 2015, 22:26
0
voti
Dipendono dalla batteria che devi caricare. Che caratteristiche ha?
-

BrunoValente
39,6k 7 11 13 - G.Master EY

- Messaggi: 7796
- Iscritto il: 8 mag 2007, 14:48
0
voti
BrunoValente ha scritto:Dipendono dalla batteria che devi caricare. Che caratteristiche ha?
devo caricare batterie tampone da 12V-1.2A e batterie 12V-7,5A per circuiti che ho costruito per me.
-

elektronik
7.800 4 6 7 - Master

- Messaggi: 3836
- Iscritto il: 12 mag 2015, 22:26
31 messaggi
• Pagina 2 di 4 • 1, 2, 3, 4
Torna a Costruzione, riparazione, riutilizzo
Chi c’è in linea
Visitano il forum: Nessuno e 26 ospiti

Elettrotecnica e non solo (admin)
Un gatto tra gli elettroni (IsidoroKZ)
Esperienza e simulazioni (g.schgor)
Moleskine di un idraulico (RenzoDF)
Il Blog di ElectroYou (webmaster)
Idee microcontrollate (TardoFreak)
PICcoli grandi PICMicro (Paolino)
Il blog elettrico di carloc (carloc)
DirtEYblooog (dirtydeeds)
Di tutto... un po' (jordan20)
AK47 (lillo)
Esperienze elettroniche (marco438)
Telecomunicazioni musicali (clavicordo)
Automazione ed Elettronica (gustavo)
Direttive per la sicurezza (ErnestoCappelletti)
EYnfo dall'Alaska (mir)
Apriamo il quadro! (attilio)
H7-25 (asdf)
Passione Elettrica (massimob)
Elettroni a spasso (guidob)
Bloguerra (guerra)




