Cos'è ElectroYou | Login Iscriviti

ElectroYou - la comunità dei professionisti del mondo elettrico

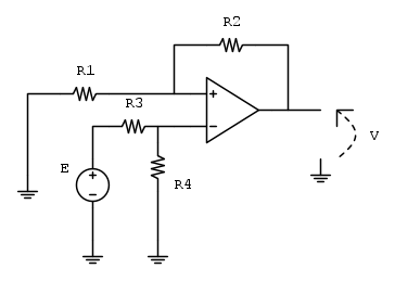
Circuito Amplificatore Operazionale

Circuiti, campi elettromagnetici e teoria delle linee di trasmissione e distribuzione dell’energia elettrica

Moderatori: Foto Utenteg.schgor, Foto UtenteIsidoroKZ

0
voti

[1] Circuito Amplificatore Operazionale

Messaggioda Foto Utentedavicos » 26 dic 2017, 16:48

Salve a tutti,
circa lo schema in allegato vorrei sapere se la formula risolutiva trovata da me è corretta.

In pratica sono partito da (KVL a sinistra, per intenderci):

E -E(\frac{R_3}{R_3+R_4})+R_1I=0

Successivamente, trovata la corrente da quest'ultima formula, scrivo (KVL a destra):

V = E(\frac{R_4}{R_3+R_4})(\frac{R_2}{R_1}-1)

Ometto i relativi passaggi altrimenti non finisco più. Confermate la formula finale?
Grazie.


Avatar utente
Foto Utentedavicos
25 1 7
Frequentatore
Frequentatore
 
Messaggi: 156
Iscritto il: 9 ott 2017, 17:33

0
voti

[2] Re: Circuito Amplificatore Operazionale

Messaggioda Foto Utentegotthard » 26 dic 2017, 16:58

Per caso i morsetti + e - dell'op. amp. vanno scambiati?
...\frac{\mathrm{d} p}{\mathrm{d} t}=JCM... :!:
Avatar utente
Foto Utentegotthard
4.611 2 5 9
Expert EY
Expert EY
 
Messaggi: 1357
Iscritto il: 5 lug 2013, 14:01

0
voti

[3] Re: Circuito Amplificatore Operazionale

Messaggioda Foto Utentedavicos » 26 dic 2017, 17:03

Circa questo avrei delle domande (posso farle in questo stesso post o ne devo aprire un altro?) in quanto non saprei se farebbe differenza o meno...
L'esercizio comunque non allude a niente circa l'invertibilità dei morsetti.
Avatar utente
Foto Utentedavicos
25 1 7
Frequentatore
Frequentatore
 
Messaggi: 156
Iscritto il: 9 ott 2017, 17:33

0
voti

[4] Re: Circuito Amplificatore Operazionale

Messaggioda Foto Utentegotthard » 26 dic 2017, 17:13

davicos ha scritto:Circa questo avrei delle domande (posso farle in questo stesso post o ne devo aprire un altro?) in quanto non saprei se farebbe differenza o meno...

Sì, farebbe differenza.
Per questo apri un altro post.
davicos ha scritto:L'esercizio comunque non allude a niente circa l'invertibilità dei morsetti.

Ok, ma nel testo dell'esercizio com'è disegnato?

BTW, che scuola stai frequentando?
...\frac{\mathrm{d} p}{\mathrm{d} t}=JCM... :!:
Avatar utente
Foto Utentegotthard
4.611 2 5 9
Expert EY
Expert EY
 
Messaggi: 1357
Iscritto il: 5 lug 2013, 14:01

0
voti

[5] Re: Circuito Amplificatore Operazionale

Messaggioda Foto Utentedavicos » 26 dic 2017, 17:28

Il circuito è disegnato proprio come nello schema riportato.
Sto frequentando il Politecnico Di Torino.
Avatar utente
Foto Utentedavicos
25 1 7
Frequentatore
Frequentatore
 
Messaggi: 156
Iscritto il: 9 ott 2017, 17:33

0
voti

[6] Re: Circuito Amplificatore Operazionale

Messaggioda Foto UtenteIsidoroKZ » 26 dic 2017, 17:48

Se stai frequentando un corso di elettrotecnica teorica, quel triangolo rappresenta un nullore, ma non ci dovrebbero essere i segni più e meno sugli ingressi.

Se invece il corso non è puramente teorico, il triangolo rappresenta un operazionale più o meno ideale e in questo caso mancano dei dati sulla tensione massima di uscita. Hai una retroazione positiva e il circuito è un comparatore con isteresi.

Ultima ipotesi qualcuno (tu o il professore) ha scambiato i segni più e meno sugli ingressi dell'operazione.
Per usare proficuamente un simulatore, bisogna sapere molta più elettronica di lui
Plug it in - it works better!
Il 555 sta all'elettronica come Arduino all'informatica! (entrambi loro malgrado)
Se volete risposte rispondete a tutte le mie domande
Avatar utente
Foto UtenteIsidoroKZ
121,2k 1 3 8
G.Master EY
G.Master EY
 
Messaggi: 21059
Iscritto il: 17 ott 2009, 0:00

0
voti

[7] Re: Circuito Amplificatore Operazionale

Messaggioda Foto Utentegotthard » 26 dic 2017, 17:49

Ok.

Se il circuito è quello, l'op.amp. si trova in una configurazione di comparatore ad isteresi, mentre se ci fosse un errore di stampa e i morsetti di ingresso andassero invertiti, l'op.amp. si troverebbe in una configurazione di amplificatore non invertente.

PS: Ti ho chiesto conferma sullo schema perché, se ad esempio stai facendo degli esercizi inerenti al capitolo sugli amplificatori, probabilmente c'è un errore nel disegno, tutto qui.

Se però ci confermi che lo schema è giusto, si procede con questo ;-)

EDIT: Preceduto da Foto UtenteIsidoroKZ sorry
...\frac{\mathrm{d} p}{\mathrm{d} t}=JCM... :!:
Avatar utente
Foto Utentegotthard
4.611 2 5 9
Expert EY
Expert EY
 
Messaggi: 1357
Iscritto il: 5 lug 2013, 14:01

0
voti

[8] Re: Circuito Amplificatore Operazionale

Messaggioda Foto Utentedavicos » 26 dic 2017, 18:04

In realtà tra R1 e la massa vi è un altro generatore di tensione ma per sovrapposizione degli effetti l'ho spento e ho lasciato solo quello che vi è disegnato nello schema.
Spegnendo quest'ultimo e lasciando solo il primo il risultato è corretto.
Il risultato proposto è come il mio ma i segni sono tutti positivi.

ps: l'esercizio è preso da internet e non ho idea di cosa sia l'isteresi. Il corso di Elettrotecnica (definito impropriamente così) dovrebbe chiamarsi Teoria Dei Circuiti (descritto così dal professore).
Avatar utente
Foto Utentedavicos
25 1 7
Frequentatore
Frequentatore
 
Messaggi: 156
Iscritto il: 9 ott 2017, 17:33

0
voti

[9] Re: Circuito Amplificatore Operazionale

Messaggioda Foto UtenteIsidoroKZ » 26 dic 2017, 18:10

È sbagliato il testo :( scambia i morsetti più e meno e posta il link di dove hai trovato questo problema.

Per l'analisi di circuiti operazionali in linearità prova a guardare questo messaggio e tutto il thread viewtopic.php?t=16478#p112710
Per usare proficuamente un simulatore, bisogna sapere molta più elettronica di lui
Plug it in - it works better!
Il 555 sta all'elettronica come Arduino all'informatica! (entrambi loro malgrado)
Se volete risposte rispondete a tutte le mie domande
Avatar utente
Foto UtenteIsidoroKZ
121,2k 1 3 8
G.Master EY
G.Master EY
 
Messaggi: 21059
Iscritto il: 17 ott 2009, 0:00

0
voti

[10] Re: Circuito Amplificatore Operazionale

Messaggioda Foto Utentedavicos » 26 dic 2017, 18:20

Errore mio, ora che ho guardato meglio il circuito disegnato da me mi sono accorto che in effetti i morsetti vanno scambiati.
Nel disegnare il circuito non avevo visto bene il simbolo..
Scusate!
Avatar utente
Foto Utentedavicos
25 1 7
Frequentatore
Frequentatore
 
Messaggi: 156
Iscritto il: 9 ott 2017, 17:33

Prossimo

Torna a Elettrotecnica generale

Chi c’è in linea

Visitano il forum: Nessuno e 24 ospiti