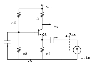
Qui praticamente ho un amplificatore a base comune con un BJT che ha punto di lavoro:
.Bisogna calcolare il suo guadagno

Chiudete un occhio sulla
che non la considero mai. Vi spiego dopo perché l'ho aggiunta.Studio a piccolo segnale:
L'ingresso è la corrente
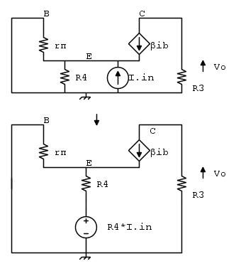
. Per trovare il guadagno ho pensato di trasformare la combinazione R4 I_in in un generatore equivalente di tensione con in serie la resistenza R4 e provare a svolgere i calcoli normalmente. Applicando le leggi di Kirchhoff:
dove
è la corrente in base al transistor. Si ottiene:

A dire la verità questa corrente
esce dalla base quindi in sul collettore quel generatore dipendente spinge verso l'alto ovvero la tensione di uscita sarà positiva:e quindi
.Con i dati a disposizione viene un guadagno di circa 3000 che è tantissimo rispetto alla soluzione del professore:
Lui l'ha fatto in un modo diverso. Prima calcolando la
cioè resistenza d'ingresso e poi considerando come corrente in base 
e procedendo con il calcolo di
viene alla fine un guadagno di circa 60...Perché il mio risultato è così diverso? cosa c'è di sbagliato nel mio procedimento?

Elettrotecnica e non solo (admin)
Un gatto tra gli elettroni (IsidoroKZ)
Esperienza e simulazioni (g.schgor)
Moleskine di un idraulico (RenzoDF)
Il Blog di ElectroYou (webmaster)
Idee microcontrollate (TardoFreak)
PICcoli grandi PICMicro (Paolino)
Il blog elettrico di carloc (carloc)
DirtEYblooog (dirtydeeds)
Di tutto... un po' (jordan20)
AK47 (lillo)
Esperienze elettroniche (marco438)
Telecomunicazioni musicali (clavicordo)
Automazione ed Elettronica (gustavo)
Direttive per la sicurezza (ErnestoCappelletti)
EYnfo dall'Alaska (mir)
Apriamo il quadro! (attilio)
H7-25 (asdf)
Passione Elettrica (massimob)
Elettroni a spasso (guidob)
Bloguerra (guerra)






Non so quanto valga R4, ma posso supporre che
e quindi
. Questa corrente esce quasi tutta dal collettore e diventa
La tensione di uscita vale quindi
e quindi il valore del guadagno Vo/Iin vale circa 


