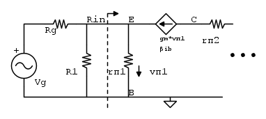
Quando facciamo il modello a piccolo segnale di una configurazione a BJT ad esempio base comune, i calcoli si possono fare semplicemente nel circuito equivalente così com'è oppure bisogna sempre considerare la resistenza interna prima di ogni stadio? Esempio, qui ho una configurazione BJT base comune con un pnp a piccolo segnale:
Scusate se non metto tutti i dati e il circuito originale perché non ho molto tempo. Spero questo sia sufficiente. Comunque
per questo transistor ( la resistenza in parallelo al generatore dipendente) quindi non l'ho messa.In sostanza Io per trovare
e procedere con il calcolo del guadagno verso destra, avrei semplicemente fatto il partitore di tensione e quindi 
Invece nella soluzione trovo
cioè viene fatta una sostituzione con la resistenza d'ingresso dell'intero stadio, cosa che mi sorprende perché in passato non mi sembrava di averlo mai fatto così. In questo modo il guadagno si riduce di molto perché la resistenza d'ingresso è molto più piccola della
(il calcolo della
è banale e lo so fare... non è questo il punto)Il punto è che il mio modo di ragionare che ho usato sopra per il partitore è sbagliato? Il calcolo viene sempre fatto considerando la resistenza d'ingresso? (a meno che non coincida proprio con
?)Se è vero allora a questo punto questi modelli a piccolo segnale mi sembrano molto pericolosi e imbroglioni.

Elettrotecnica e non solo (admin)
Un gatto tra gli elettroni (IsidoroKZ)
Esperienza e simulazioni (g.schgor)
Moleskine di un idraulico (RenzoDF)
Il Blog di ElectroYou (webmaster)
Idee microcontrollate (TardoFreak)
PICcoli grandi PICMicro (Paolino)
Il blog elettrico di carloc (carloc)
DirtEYblooog (dirtydeeds)
Di tutto... un po' (jordan20)
AK47 (lillo)
Esperienze elettroniche (marco438)
Telecomunicazioni musicali (clavicordo)
Automazione ed Elettronica (gustavo)
Direttive per la sicurezza (ErnestoCappelletti)
EYnfo dall'Alaska (mir)
Apriamo il quadro! (attilio)
H7-25 (asdf)
Passione Elettrica (massimob)
Elettroni a spasso (guidob)
Bloguerra (guerra)








