IsidoroKZ ti ha già sostanzialmente dato una risposta completa. Come già detto ti basta pensare per blocchi e poi collegare tutti i blocchi opportunamente. Nella fattispecie occorre:
1) Individuare un blocco che effettui un confronto tra due bit e questo blocco coincide con una porta XOR;
2) Usare N porte XOR per confrontare gli N bit che compongono le due parole;
3) Individuare un blocco che calcoli la parità tra due bit, e di nuovo abbiamo la porta XOR. Occorrono N - 1 porte XOR per calcolare la parità di una parola di N bit.
4) Collegare correttamente tutti i blocchi.
LogicaCombinatoria
Moderatori:
carloc,
g.schgor,
BrunoValente,
IsidoroKZ
39 messaggi
• Pagina 2 di 4 • 1, 2, 3, 4
0
voti
Salve
Scusate la domanda banale ma come faccio ad eliminare collegamenti od elementi (tipo le porte logiche) su fidocadj??
Scusate la domanda banale ma come faccio ad eliminare collegamenti od elementi (tipo le porte logiche) su fidocadj??
-

ElettroNewbie
15 3 - New entry

- Messaggi: 75
- Iscritto il: 11 gen 2018, 14:30
0
voti
Seleziona l'elemento che devi cancellare e premi il tasto canc della tastiera.
Igor
-

elettrodomus
10,1k 6 11 13 - G.Master EY

- Messaggi: 2607
- Iscritto il: 28 gen 2011, 22:38
- Località: Bassa Bresciana
0
voti
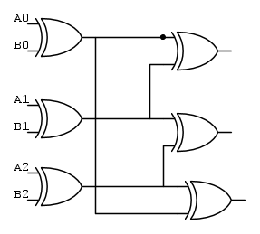
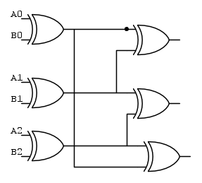
Riporto di seguito il disegno fatto con fidocadj in cui confronto i bit di ugual peso per vedere se sono uguali tramite tre porte xor;poi, confronto le varie coppie di bit in uscita dalle tre porte xor precedenti ed qui mi blocco non so come procedere.
-

ElettroNewbie
15 3 - New entry

- Messaggi: 75
- Iscritto il: 11 gen 2018, 14:30
0
voti
Anche se credo di aver sbagliato ad usare porte xor, dovrei usare porte exnor perché devo vedere se i bit sono diversi..
-

ElettroNewbie
15 3 - New entry

- Messaggi: 75
- Iscritto il: 11 gen 2018, 14:30
1
voti
Qui quasi il circuito che pensavo
D1-D3 sono le differenze delle tre coppie di bit. Le due porte successive calcolano la parita` del numero di bit diversi. Quindi PD e` attivo quando ci sono 0 bit diversi oppure 2 bit diversi. Devi ancora distinguere questi due casi per poter attivare l'uscita quando la distanza di Hamming e` esattamente due.
D1-D3 sono le differenze delle tre coppie di bit. Le due porte successive calcolano la parita` del numero di bit diversi. Quindi PD e` attivo quando ci sono 0 bit diversi oppure 2 bit diversi. Devi ancora distinguere questi due casi per poter attivare l'uscita quando la distanza di Hamming e` esattamente due.
Per usare proficuamente un simulatore, bisogna sapere molta più elettronica di lui
Plug it in - it works better!
Il 555 sta all'elettronica come Arduino all'informatica! (entrambi loro malgrado)
Se volete risposte rispondete a tutte le mie domande
Plug it in - it works better!
Il 555 sta all'elettronica come Arduino all'informatica! (entrambi loro malgrado)
Se volete risposte rispondete a tutte le mie domande
0
voti
Salve ragazzi
Ciao IsidoroKZ grazie per la risposta!!
Non riesco a capire come distinguere i due casi....
un'altra cosa ho provato a risolvere l'eserzio andando a compilare la tabella della verità riportando all'uscita un 1 in corrispondenza delle combinazioni degli ingressi che presentavano due coppie di bit di ugual peso diversi;poi ho scritto l'usctita in forma SP.Riporto l'espressione che ottengo(ho indicato con y l'uscita ed con ' la negazione):
Y=B0'B1'A0A1+BOB1AO'A1'+B1'B2'A1A2+B1B2A0'A1'+B0B2A0'A2'+B0'B2'A0A2
l'uscita però va ad 1 sia quando ho la distanza di hamming uguale a 2 sia quando ho tre coppie di bit diverse (cioè le due stringhe sono diverse!!) mah
Un'altra cosa:ma l'espressione trovata per la Y è possibile scriverla usando le exor oppure le exnor,tipo posso scrivere:
B0'B1'A0A1+B0B1A0'A1'=( BOB1 EXOR A0A1 )
Ciao IsidoroKZ grazie per la risposta!!
Non riesco a capire come distinguere i due casi....
un'altra cosa ho provato a risolvere l'eserzio andando a compilare la tabella della verità riportando all'uscita un 1 in corrispondenza delle combinazioni degli ingressi che presentavano due coppie di bit di ugual peso diversi;poi ho scritto l'usctita in forma SP.Riporto l'espressione che ottengo(ho indicato con y l'uscita ed con ' la negazione):
Y=B0'B1'A0A1+BOB1AO'A1'+B1'B2'A1A2+B1B2A0'A1'+B0B2A0'A2'+B0'B2'A0A2
l'uscita però va ad 1 sia quando ho la distanza di hamming uguale a 2 sia quando ho tre coppie di bit diverse (cioè le due stringhe sono diverse!!) mah
Un'altra cosa:ma l'espressione trovata per la Y è possibile scriverla usando le exor oppure le exnor,tipo posso scrivere:
B0'B1'A0A1+B0B1A0'A1'=( BOB1 EXOR A0A1 )
-

ElettroNewbie
15 3 - New entry

- Messaggi: 75
- Iscritto il: 11 gen 2018, 14:30
0
voti
Ehmm chiedo scusa la funzione ricavata dalla tabella della verità in forma SP è sbagliata,ho ricontrollato i passaggi...
Però questa non mi sembra la strada giusta perché uso troppe porte ed il prof non è d'accordo.
Però questa non mi sembra la strada giusta perché uso troppe porte ed il prof non è d'accordo.
-

ElettroNewbie
15 3 - New entry

- Messaggi: 75
- Iscritto il: 11 gen 2018, 14:30
0
voti
Se vai di SP diventi vecchio. Guarda il mio schema e trova per quali configurazioni di D1 D2 e D3 l'uscita PD e` a livello alto. Fai l'elenco in funzione dei tre bit D1 D2 e D3.
Che cosa vuol dire PD alto dal punto di vista degli ingressi?
Che cosa vuol dire PD alto dal punto di vista degli ingressi?
Per usare proficuamente un simulatore, bisogna sapere molta più elettronica di lui
Plug it in - it works better!
Il 555 sta all'elettronica come Arduino all'informatica! (entrambi loro malgrado)
Se volete risposte rispondete a tutte le mie domande
Plug it in - it works better!
Il 555 sta all'elettronica come Arduino all'informatica! (entrambi loro malgrado)
Se volete risposte rispondete a tutte le mie domande
0
voti
Salve a tutti
Ciao IsidoroKZ ho fatto come mi hai detto di fare cioè ho provato a dare in ingresso due stringhe di tre bit ciascuna e vedere se avessi avuto 1 in uscita solo quando si fosse verificata distanza di hamming uguale a 2, ma ciò si verifica anche quando do in ingresso le due stringhe uguali tra loro,ad esempio, 111 ed 000.
Potresti gentilmente ripetermi il ragionamento fatto per arrivare a tale circuito??
A proposito con la funzione SP mi è uscito e come procedimento non è molto lungo però uso troppe porte;cercherò di riportare il circuito che esce fuori usando fidocadj ( che figata
).
Ciao IsidoroKZ ho fatto come mi hai detto di fare cioè ho provato a dare in ingresso due stringhe di tre bit ciascuna e vedere se avessi avuto 1 in uscita solo quando si fosse verificata distanza di hamming uguale a 2, ma ciò si verifica anche quando do in ingresso le due stringhe uguali tra loro,ad esempio, 111 ed 000.
Potresti gentilmente ripetermi il ragionamento fatto per arrivare a tale circuito??
A proposito con la funzione SP mi è uscito e come procedimento non è molto lungo però uso troppe porte;cercherò di riportare il circuito che esce fuori usando fidocadj ( che figata
-

ElettroNewbie
15 3 - New entry

- Messaggi: 75
- Iscritto il: 11 gen 2018, 14:30
39 messaggi
• Pagina 2 di 4 • 1, 2, 3, 4
Chi c’è in linea
Visitano il forum: Nessuno e 467 ospiti

Elettrotecnica e non solo (admin)
Un gatto tra gli elettroni (IsidoroKZ)
Esperienza e simulazioni (g.schgor)
Moleskine di un idraulico (RenzoDF)
Il Blog di ElectroYou (webmaster)
Idee microcontrollate (TardoFreak)
PICcoli grandi PICMicro (Paolino)
Il blog elettrico di carloc (carloc)
DirtEYblooog (dirtydeeds)
Di tutto... un po' (jordan20)
AK47 (lillo)
Esperienze elettroniche (marco438)
Telecomunicazioni musicali (clavicordo)
Automazione ed Elettronica (gustavo)
Direttive per la sicurezza (ErnestoCappelletti)
EYnfo dall'Alaska (mir)
Apriamo il quadro! (attilio)
H7-25 (asdf)
Passione Elettrica (massimob)
Elettroni a spasso (guidob)
Bloguerra (guerra)

