Cos'è ElectroYou | Login Iscriviti

ElectroYou - la comunità dei professionisti del mondo elettrico

Calcolo corrente in R1 e R2 amplificatore invertente

Elettronica lineare e digitale: didattica ed applicazioni

Moderatori: Foto Utentecarloc, Foto Utenteg.schgor, Foto UtenteBrunoValente, Foto UtenteIsidoroKZ

0
voti

[1] Calcolo corrente in R1 e R2 amplificatore invertente

Messaggioda ucr » 14 gen 2018, 19:28

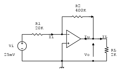
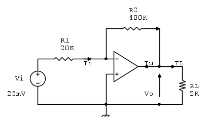
Ho il seguente circuito

e devo calcolare:
  • l'amplificazione
  • la corrente di ingresso
  • la tensione di uscita
  • la corrente nel carico
  • la corrente all'uscita dell'AO
sapendo che:
  • R_1 = 20K\Omega
  • R_2 = 400K\Omega
  • R_L = 2K\Omega
  • V_I = 25mV
  • Vcc = \pm 15V

L'unico problema è che sbaglio a calcolare I_i perché partendo dall'ipotesi dell'AO ideale con impedenza infinita agli ingressi, I_i attraversa sia R_1 sia R_2 e dunque per me I_i = \frac{V_i}{R_1 + R_2}, mentre il testo non considera R_2 nel calcolo della corrente di ingresso. Mi chiedo cosa abbia scelto a fare elettronica #-o
ucr
327 2 4 5
---
 

2
voti

[2] Re: Calcolo corrente in R1 e R2 amplificatore invertente

Messaggioda Foto UtenteIsidoroKZ » 14 gen 2018, 20:08

Sicuro che sia quello lo schema? Non e` che hai invertito ingresso invertente e non invertente?

Che cosa stai studiando (corso, scuola, materia, anno...)?
Per usare proficuamente un simulatore, bisogna sapere molta più elettronica di lui
Plug it in - it works better!
Il 555 sta all'elettronica come Arduino all'informatica! (entrambi loro malgrado)
Se volete risposte rispondete a tutte le mie domande
Avatar utente
Foto UtenteIsidoroKZ
121,2k 1 3 8
G.Master EY
G.Master EY
 
Messaggi: 21059
Iscritto il: 17 ott 2009, 0:00

0
voti

[3] Re: Calcolo corrente in R1 e R2 amplificatore invertente

Messaggioda ucr » 14 gen 2018, 22:46

IsidoroKZ, hai ragione tu! Ho scambiato gli ingressi perché quando ho fatto il disegno con Fidocadj non ho controllato la posizione degli ingressi :oops: Studio elettronica in un istituto tecnico(serale :roll:) e sono al quinto anno.
ucr
327 2 4 5
---
 

0
voti

[4] Re: Calcolo corrente in R1 e R2 amplificatore invertente

Messaggioda Foto UtenteTardoFreak » 14 gen 2018, 22:52

E' l'ipotesi che fai che è sbagliata.
In questa configurazione bisogna considerare l'ingresso invertente come se fosse collegato a massa.
"La follia sta nel fare sempre la stessa cosa aspettandosi risultati diversi".
"Parla soltanto quando sei sicuro che quello che dirai è più bello del silenzio".
Rispondere è cortesia, ma lasciare l'ultima parola ai cretini è arte.
Avatar utente
Foto UtenteTardoFreak
73,9k 8 12 13
-EY Legend-
-EY Legend-
 
Messaggi: 15754
Iscritto il: 16 dic 2009, 11:10
Località: Torino - 3° pianeta del Sistema Solare

0
voti

[5] Re: Calcolo corrente in R1 e R2 amplificatore invertente

Messaggioda ucr » 14 gen 2018, 23:52

Con che criterio devo decidere se considerare l'ingresso invertente a massa? Alla fine gli ingressi nell'AO ideale hanno pur sempre impedenza infinita no?
ucr
327 2 4 5
---
 

0
voti

[6] Re: Calcolo corrente in R1 e R2 amplificatore invertente

Messaggioda Foto UtenteIsidoroKZ » 15 gen 2018, 1:04

Leggiti questo post viewtopic.php?f=1&t=16478&p=112710#p112710

Se l'operazionale e` usato come amplificatore, con una retroazione che parte dall'uscita e va sul morsetto invertente, allora la tensione dell'ingresso meno e` sempre uguale a quella dell'ingresso piu`. Cerca la tensione dell`ingresso piu`, la retroazione tiene quella dell'ingresso meno allo stesso valore. Nel tuo caso V+ e` a 0V e quindi anche V- vale 0V, e la tensione di ingresso cade tutta e solo su R1.
Per usare proficuamente un simulatore, bisogna sapere molta più elettronica di lui
Plug it in - it works better!
Il 555 sta all'elettronica come Arduino all'informatica! (entrambi loro malgrado)
Se volete risposte rispondete a tutte le mie domande
Avatar utente
Foto UtenteIsidoroKZ
121,2k 1 3 8
G.Master EY
G.Master EY
 
Messaggi: 21059
Iscritto il: 17 ott 2009, 0:00

2
voti

[7] Re: Calcolo corrente in R1 e R2 amplificatore invertente

Messaggioda Foto Utentelucaking » 15 gen 2018, 8:56

Siccome ne approfitto anch' io per fare qualche esercizio, ho ridisegnato il circuito.

Hai i risultati dell' esercizio?
Avatar utente
Foto Utentelucaking
1.651 4 5 8
Expert
Expert
 
Messaggi: 1445
Iscritto il: 29 mag 2015, 14:28

0
voti

[8] Re: Calcolo corrente in R1 e R2 amplificatore invertente

Messaggioda Foto UtenteExodus » 15 gen 2018, 13:11

btfss ha scritto:L'unico problema è che sbaglio a calcolare I_i perché partendo dall'ipotesi dell'AO ideale con impedenza infinita agli ingressi, I_i attraversa sia R_1 sia R_2 e dunque per me I_i = \frac{V_i}{R_1 + R_2}, mentre il testo non considera R_2 nel calcolo della corrente di ingresso. Mi chiedo cosa abbia scelto a fare elettronica #-o

Quando analizzi gli Op Amp con ipotesi di idealità devi tenere in considerazione solamente 2 semplici cose.
1) le correnti agli ingressi i_p=0,i_n=0
2) la tensione diferenziale v_d=v_p-v_n=0 ovvero v_p=v_n
I pedici indicano i morsetti positivo e negativo.
Applicando la KCL i_{i}=\frac{v_{i}}{R_{1}}
Avatar utente
Foto UtenteExodus
174 2
Frequentatore
Frequentatore
 
Messaggi: 138
Iscritto il: 25 ago 2017, 17:30

0
voti

[9] Re: Calcolo corrente in R1 e R2 amplificatore invertente

Messaggioda ucr » 18 gen 2018, 13:22

Allora, prima di tutto dice il professore di vedere se l'AO opera in regione lineare o se lavora in saturazione. L'AO lavora in zona lineare se c'è retroazione negativa, altrimenti in condizioni di anello aperto o con retroazione positiva. In questo caso vi è retroazione negativa, dunque l'AO opera in zona lineare, dunque la tensione differenziale in ingresso è nulla perché consideriamo ideale l'amplificatore operazionale. Sfruttando Kirchhoff si dovrebbe avere il seguente sistema:
V_i - I_i  R_1 = 0 \\
V_{R2} - I_I R_2 = 0 \\
I_i - I_u - I_L = 0 \\
V_o - I_L R_L = 0
ucr
327 2 4 5
---
 

0
voti

[10] Re: Calcolo corrente in R1 e R2 amplificatore invertente

Messaggioda Foto UtenteIsidoroKZ » 18 gen 2018, 14:50

Mi sembrano giuste. Alcune sono inutili, ad esempio Vo-IL RL=0, basta applicare la legge di Ohm su RL, stessa cosa per la prime e seconda equazione. Invece manca una equzione che leghi VR2 con Vo.
Per usare proficuamente un simulatore, bisogna sapere molta più elettronica di lui
Plug it in - it works better!
Il 555 sta all'elettronica come Arduino all'informatica! (entrambi loro malgrado)
Se volete risposte rispondete a tutte le mie domande
Avatar utente
Foto UtenteIsidoroKZ
121,2k 1 3 8
G.Master EY
G.Master EY
 
Messaggi: 21059
Iscritto il: 17 ott 2009, 0:00

Prossimo

Torna a Elettronica generale

Chi c’è in linea

Visitano il forum: Nessuno e 217 ospiti