Cos'è ElectroYou | Login Iscriviti

ElectroYou - la comunità dei professionisti del mondo elettrico

Esercizio sul trasformatore

Circuiti, campi elettromagnetici e teoria delle linee di trasmissione e distribuzione dell’energia elettrica

Moderatori: Foto Utenteg.schgor, Foto UtenteIsidoroKZ

0
voti

[1] Esercizio sul trasformatore

Messaggioda Foto Utentekr94 » 6 feb 2018, 19:55

Buonasera a tutti,


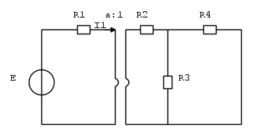
E=10v;    
R4=R1=20ohm;
R3=50ohm  ; R2=70ohm;
a=4
mi chiede di calcolare I1 quindi ho calcolato la resistenza totale nel lato non alimentato, giungendo al seguente circuito



I1=E/(R1+Rtotldx*(a^2))

spero di non aver fatto errori fin qui.
poi mi chiede di calcolare il valore della resistenza R1 che garantisce il massimo trasferimento di potenza al resistore R1.
sapreste dirmi come fare?...........................grazie
Avatar utente
Foto Utentekr94
23 2
 
Messaggi: 19
Iscritto il: 18 gen 2018, 16:42

0
voti

[2] Re: trasformatore

Messaggioda Foto Utentelillo » 6 feb 2018, 20:19

Foto Utentekr94 ha scritto:poi mi chiede di calcolare il valore della resistenza R_1 che garantisce il massimo trasferimento di potenza al resistore

vedi se può esserti d'aiuto:
http://www.electroyou.it/lillo/wiki/ret ... co_esterno
Avatar utente
Foto Utentelillo
20,5k 7 12 13
G.Master EY
G.Master EY
 
Messaggi: 4172
Iscritto il: 25 nov 2010, 11:30
Località: Nuovo Mondo

0
voti

[3] Re: trasformatore

Messaggioda Foto Utentelelerelele » 6 feb 2018, 20:43

in generale per avere il massimo trasferimento di potenza si deve avere la resistenza di carico uguale alla resistenza interna del generatore.

in questo caso però il discorso è più complesso, sono da considerare anche le perdite sul nucleo, le impedenze del primario, ed il mutuo accoppiamento, non saprei come aiutarti.

saluti.
Avatar utente
Foto Utentelelerelele
4.899 3 7 9
Master
Master
 
Messaggi: 5505
Iscritto il: 8 giu 2011, 8:57
Località: Reggio Emilia


Torna a Elettrotecnica generale

Chi c’è in linea

Visitano il forum: Nessuno e 27 ospiti