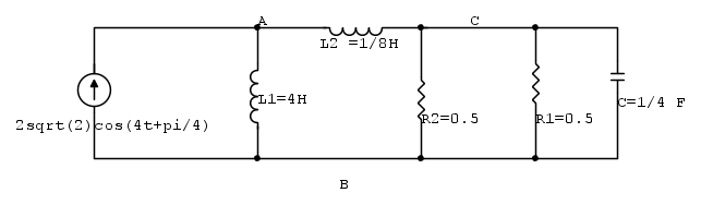
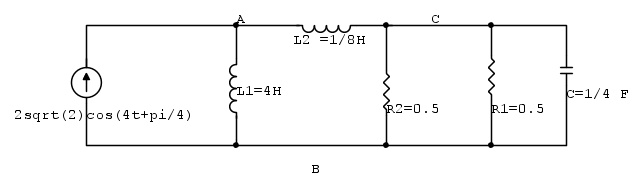
mikoile ha scritto:Buonasera, avrei un problema nella risoluzione di questo circuito a regime sinusoidale [...]
Credo che il tuo circuito possa essere rappresentato più semplicemente in questo modo:
Non esiste un modo più veloce per risolvere questo circuito ?? Grazie
Credo che dopo esser passati al dominio fasoriale, mediante qualche partitore di corrente, il gioco è fatto


Elettrotecnica e non solo (admin)
Un gatto tra gli elettroni (IsidoroKZ)
Esperienza e simulazioni (g.schgor)
Moleskine di un idraulico (RenzoDF)
Il Blog di ElectroYou (webmaster)
Idee microcontrollate (TardoFreak)
PICcoli grandi PICMicro (Paolino)
Il blog elettrico di carloc (carloc)
DirtEYblooog (dirtydeeds)
Di tutto... un po' (jordan20)
AK47 (lillo)
Esperienze elettroniche (marco438)
Telecomunicazioni musicali (clavicordo)
Automazione ed Elettronica (gustavo)
Direttive per la sicurezza (ErnestoCappelletti)
EYnfo dall'Alaska (mir)
Apriamo il quadro! (attilio)
H7-25 (asdf)
Passione Elettrica (massimob)
Elettroni a spasso (guidob)
Bloguerra (guerra)



