Buonasera, dato il seguente circuito
mi viene chiesto di diagrammare l'andamento di v(t) per tutti i valori di t (t<0, t>=0) sapendo che Vc(0-)=0 V. Successivamente mi viene richiesto di determinare i valori di v(0-) e v(0+) qualora si sostituisca il condensatore conun induttore scarico in t=0.
Sono riuscito a calcolarmi v(t) per t>0 ottenendo : v(t)= -3mV*e^(-0.33t)+3mV però non saprei come fare per calcolare v(t) per t<0 e quando viene scambiato con l'induttore.
Grazie mille per la disponibilità
Circuito dinamico
Moderatori:
g.schgor,
IsidoroKZ
7 messaggi
• Pagina 1 di 1
0
voti
Analizza attentamente il circuito: per
l'interruttore è aperto, quindi nel condensatore (a proposito: UN FARAD?
) e in
non passa corrente, ovvero il tuo circuito si riduce a questo:
Per quanto riguarda il circuito con induttore, invece, ti basta sostituire il condensatore con l'induttore e rifare i calcoli, tenendo in considerazione che la variabile di stato dell'induttore non è la tensione, bensì la corrente: questo è importante perché la tensione, alla chiusura dell'interruttore, avrà una discontinuità
Ora, non so di che libro di testo tu ti avvalga, ma in Perfetti c'è un box molto simpatico che presenta un metodo sistematico per ricavare una qualsiasi grandezza
in un circuito del primo ordine; te lo riporto:
Le equazioni 7.17 e 7.15 cui fa riferimento sono quelle che dovresti ben conoscere:
![i_L(t) = e^{-\frac{t}{\tau}}[i_L(0) - i_L(+\infty)] + i_L(+\infty) i_L(t) = e^{-\frac{t}{\tau}}[i_L(0) - i_L(+\infty)] + i_L(+\infty)](/forum/latexrender/pictures/46e0f2308e8419598e4cf2cd4572eff0.png)
![V_C(t) = e^{-\frac{t}{\tau}}[V_C(0) - V_C(+\infty)] + V_C(+\infty) V_C(t) = e^{-\frac{t}{\tau}}[V_C(0) - V_C(+\infty)] + V_C(+\infty)](/forum/latexrender/pictures/cde66577c02a96a171a084fdd67c791e.png)
l'interruttore è aperto, quindi nel condensatore (a proposito: UN FARAD?
) e in
non passa corrente, ovvero il tuo circuito si riduce a questo:Per quanto riguarda il circuito con induttore, invece, ti basta sostituire il condensatore con l'induttore e rifare i calcoli, tenendo in considerazione che la variabile di stato dell'induttore non è la tensione, bensì la corrente: questo è importante perché la tensione, alla chiusura dell'interruttore, avrà una discontinuità
Ora, non so di che libro di testo tu ti avvalga, ma in Perfetti c'è un box molto simpatico che presenta un metodo sistematico per ricavare una qualsiasi grandezza
in un circuito del primo ordine; te lo riporto:Le equazioni 7.17 e 7.15 cui fa riferimento sono quelle che dovresti ben conoscere:
![i_L(t) = e^{-\frac{t}{\tau}}[i_L(0) - i_L(+\infty)] + i_L(+\infty) i_L(t) = e^{-\frac{t}{\tau}}[i_L(0) - i_L(+\infty)] + i_L(+\infty)](/forum/latexrender/pictures/46e0f2308e8419598e4cf2cd4572eff0.png)
![V_C(t) = e^{-\frac{t}{\tau}}[V_C(0) - V_C(+\infty)] + V_C(+\infty) V_C(t) = e^{-\frac{t}{\tau}}[V_C(0) - V_C(+\infty)] + V_C(+\infty)](/forum/latexrender/pictures/cde66577c02a96a171a084fdd67c791e.png)
-

rugweri
5.948 2 7 11 - CRU - Account cancellato su Richiesta utente
- Messaggi: 1366
- Iscritto il: 25 nov 2016, 18:46
0
voti
rugweri grazie mille per l'esauriente risposta !! :) Spero di aver capito ...
quindi v(t) per t<0 vale 3mV ( sempre nel caso del condensatore)
Per l'induttore invece ho fatto così :
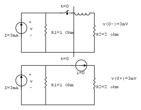
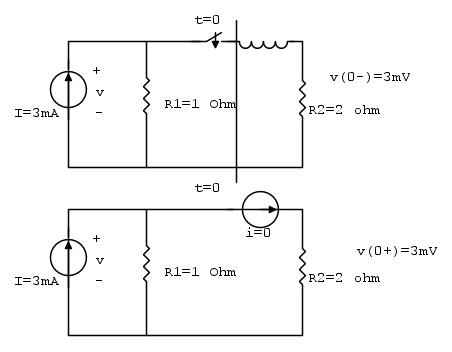
ragionando con l'induttore v(0-) rimane sempre 3mV perché l'interruttore è aperto.
Con l'interruttore chiuso sostituisco l'induttore con un generatore di corrente pari a 0 A e ottengo un v(0+) chè è sempre 3mV .. sembra strano
quindi v(t) per t<0 vale 3mV ( sempre nel caso del condensatore)
Per l'induttore invece ho fatto così :
ragionando con l'induttore v(0-) rimane sempre 3mV perché l'interruttore è aperto.
Con l'interruttore chiuso sostituisco l'induttore con un generatore di corrente pari a 0 A e ottengo un v(0+) chè è sempre 3mV .. sembra strano
0
voti
Credo che tu abbia saltato dei passaggi e mal interpretato alcuni dettagli: rileggi lo schema che ti ho proposto
Se vuoi un consiglio, prendi carta e penna ed esegui ognuno dei passaggi elencati:
1 - L'interruttore è aperto:
per
.
2 - Interruttore chiuso, induttore sostituito con un cortocircuito,
è la stessa corrente che passa in
(i calcoli li lascio a te).
...
Continua tu
Se vuoi un consiglio, prendi carta e penna ed esegui ognuno dei passaggi elencati:
1 - L'interruttore è aperto:
per
.2 - Interruttore chiuso, induttore sostituito con un cortocircuito,
è la stessa corrente che passa in
(i calcoli li lascio a te)....
Continua tu
-

rugweri
5.948 2 7 11 - CRU - Account cancellato su Richiesta utente
- Messaggi: 1366
- Iscritto il: 25 nov 2016, 18:46
0
voti
quindi faccio un partitore di corrente ottenendo per R2 una corrente pari a 1mA che sarebbe la corrente dell'induttore all'infinito. Poi ho pensato che siccome vogliamo v all'istante (0+) pongo nella relazione ottenuta i(t=0)=0 per cui ho sostituito con il generatore I=0
0
voti
Niente, proprio non vuoi ascoltarlo il mio consiglio
Guarda bene il passo 5 della lista che ti ho proposto: sostituire l'induttore con un generatore di corrente di valore
oppure un generatore di tensione
(che, se non l'avessi capito, è pari alla tensione ai capi dell'induttore). Calcoliamo cosa eroga questo secondo generatore:
![V_L(t) = L\frac{\partial i_L(t)}{\partial t} = -\frac{L}{\tau}[i_L(0) - i_L(+\infty)]e^{-\frac{t}{\tau}} V_L(t) = L\frac{\partial i_L(t)}{\partial t} = -\frac{L}{\tau}[i_L(0) - i_L(+\infty)]e^{-\frac{t}{\tau}}](/forum/latexrender/pictures/7743ba00c90c49bb75ca4ac5c26f3621.png)
Quindi, subito dopo la chiusura dell'interruttore:
![V_L = \lim_{t \rightarrow 0^+}V_L(t) = -\frac{L}{\tau}[i_L(0) - i_L(+\infty)] V_L = \lim_{t \rightarrow 0^+}V_L(t) = -\frac{L}{\tau}[i_L(0) - i_L(+\infty)]](/forum/latexrender/pictures/7310f96be450ef839b465c16fbad58e4.png)
Ora, il valore numerico te lo calcoli tu.
A margine: ovviamente avremmo potuto farlo anche con il generatore di corrente... ma visto che ci serviva proprio
, non avrebbe avuto senso fare ulteriori passaggi intermedi 
Guarda bene il passo 5 della lista che ti ho proposto: sostituire l'induttore con un generatore di corrente di valore
oppure un generatore di tensione
(che, se non l'avessi capito, è pari alla tensione ai capi dell'induttore). Calcoliamo cosa eroga questo secondo generatore:![V_L(t) = L\frac{\partial i_L(t)}{\partial t} = -\frac{L}{\tau}[i_L(0) - i_L(+\infty)]e^{-\frac{t}{\tau}} V_L(t) = L\frac{\partial i_L(t)}{\partial t} = -\frac{L}{\tau}[i_L(0) - i_L(+\infty)]e^{-\frac{t}{\tau}}](/forum/latexrender/pictures/7743ba00c90c49bb75ca4ac5c26f3621.png)
Quindi, subito dopo la chiusura dell'interruttore:
![V_L = \lim_{t \rightarrow 0^+}V_L(t) = -\frac{L}{\tau}[i_L(0) - i_L(+\infty)] V_L = \lim_{t \rightarrow 0^+}V_L(t) = -\frac{L}{\tau}[i_L(0) - i_L(+\infty)]](/forum/latexrender/pictures/7310f96be450ef839b465c16fbad58e4.png)
Ora, il valore numerico te lo calcoli tu.
A margine: ovviamente avremmo potuto farlo anche con il generatore di corrente... ma visto che ci serviva proprio
, non avrebbe avuto senso fare ulteriori passaggi intermedi 
-

rugweri
5.948 2 7 11 - CRU - Account cancellato su Richiesta utente
- Messaggi: 1366
- Iscritto il: 25 nov 2016, 18:46
7 messaggi
• Pagina 1 di 1
Torna a Elettrotecnica generale
Chi c’è in linea
Visitano il forum: Nessuno e 20 ospiti

Elettrotecnica e non solo (admin)
Un gatto tra gli elettroni (IsidoroKZ)
Esperienza e simulazioni (g.schgor)
Moleskine di un idraulico (RenzoDF)
Il Blog di ElectroYou (webmaster)
Idee microcontrollate (TardoFreak)
PICcoli grandi PICMicro (Paolino)
Il blog elettrico di carloc (carloc)
DirtEYblooog (dirtydeeds)
Di tutto... un po' (jordan20)
AK47 (lillo)
Esperienze elettroniche (marco438)
Telecomunicazioni musicali (clavicordo)
Automazione ed Elettronica (gustavo)
Direttive per la sicurezza (ErnestoCappelletti)
EYnfo dall'Alaska (mir)
Apriamo il quadro! (attilio)
H7-25 (asdf)
Passione Elettrica (massimob)
Elettroni a spasso (guidob)
Bloguerra (guerra)


