Cos'è ElectroYou | Login Iscriviti

ElectroYou - la comunità dei professionisti del mondo elettrico

Ponte di wien non oscilla

Elettronica lineare e digitale: didattica ed applicazioni

Moderatori: Foto Utentecarloc, Foto Utenteg.schgor, Foto UtenteBrunoValente, Foto UtenteIsidoroKZ

0
voti

[1] Ponte di wien non oscilla

Messaggioda Foto UtenteMartinPescatore » 16 feb 2018, 15:14

Ciao tutti,
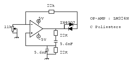
Sapete dirmi dove sbaglio?
per l'innesco iniziale ho usato i diodi non avendo a disposizione termistori.



Con il trimmer regolo esattamente a R1=R2/2
e i condensatori li ho scelti molto simili misurando la capacità.
lo slew rate dell'op-amp alla frequenza di risonanza non dovrebbe influire.
Sarà una cavolata ma non mi viene in mente cosa sto sbagliando, oppure è più difficile del previsto.
Grazie a chi mi saprà aiutare :-)
Avatar utente
Foto UtenteMartinPescatore
25 4
 
Messaggi: 37
Iscritto il: 24 gen 2018, 19:13

0
voti

[2] Re: Ponte di wien non oscilla

Messaggioda Foto UtenteEcoTan » 16 feb 2018, 15:50

Immagino che avrai provato a girare il trimmer.
Da dove hai preso questo schema?
Forse fra lo RC serie e lo RC parallelo ci va uno stadio separatore con un secondo operazionale ma non sono sicuro.
Avatar utente
Foto UtenteEcoTan
7.720 4 12 13
Expert EY
Expert EY
 
Messaggi: 5422
Iscritto il: 29 gen 2014, 8:54

0
voti

[3] Re: Ponte di wien non oscilla

Messaggioda Foto UtenteMartinPescatore » 16 feb 2018, 15:54

premetto che i valori di r e c li ho scelti io a seconda della disponibilità e quindi potrebbe essere quello il problema, il ponte di wien lo conoscevo già, mentre per l'innesco iniziale ho trovato su internet riguardo all'utilizzo di termistori / coppia di diodi.
Avatar utente
Foto UtenteMartinPescatore
25 4
 
Messaggi: 37
Iscritto il: 24 gen 2018, 19:13

1
voti

[4] Re: Ponte di wien non oscilla

Messaggioda Foto UtenteFedhman » 16 feb 2018, 17:34

Dai un'occhiata ai diodi nello schema, dovrebbero essere in parallelo al resistore di feedback, magari con un'altra resistenza in serie
I don't fight weather - Woodrow W. Smith
Avatar utente
Foto UtenteFedhman
5.195 2 9 13
Master
Master
 
Messaggi: 483
Iscritto il: 4 giu 2013, 14:05
Località: Augusta Taurinorum

0
voti

[5] Re: Ponte di wien non oscilla

Messaggioda Foto UtenteMartinPescatore » 16 feb 2018, 17:49

Io avevo letto di metterli così in modo che prima dell'innesco Vout circa 0, perciò la rete di feedback negativo è in aperto e il guadagno è quello dell'opamp in anello aperto, si innesca e attiva la rete di feedback negativa che poi mantiene i guadagno a 2.
Però adesso che ci penso considerando la caduta di 0.6 sul diodo dovrei abbassare R2 / alzare R1.

Dai un'occhiata ai diodi nello schema, dovrebbero essere in parallelo al resistore di feedback, magari con un'altra resistenza in serie

Non è che potresti spiegarmi anche quel tipo di funzionamento con i diodi in parallelo?

Così eventualmente provo anche quello!
Avatar utente
Foto UtenteMartinPescatore
25 4
 
Messaggi: 37
Iscritto il: 24 gen 2018, 19:13

0
voti

[6] Re: Ponte di wien non oscilla

Messaggioda Foto UtenteSilvioG » 16 feb 2018, 18:51

L'oscillatore a ponte di Wien che conosco io ha, in parallelo alla resistenza di reazione negativa (la tua da 22kOhm), due diodi Zener in antiserie entrambi in serie ad una resistenza di valore tale da avere guadagno d'anello minore di 1 quando uno di quei diodi va in breakdown.

Quei due diodi che hai messo non ci sono nello schema che conosco io.
Avatar utente
Foto UtenteSilvioG
120 2
 
Messaggi: 28
Iscritto il: 26 gen 2018, 23:55

0
voti

[7] Re: Ponte di wien non oscilla

Messaggioda Foto UtenteMartinPescatore » 16 feb 2018, 19:33

Incredibile,
o forse classica fot**ta breadboard.
Stupido io che non sono mai andato a misurare proprio sul pin dell'operazionale ma sempre nel nodo.

Oscilla Oscilla, la forma è sinusoidale ma nel momento in cui taglia lo 0 distorce un po' a causa dello spegnimento dei diodi.

la distorsione è minore nello schema proposto da voi?

Grazie a tutti comunque :mrgreen:
Avatar utente
Foto UtenteMartinPescatore
25 4
 
Messaggi: 37
Iscritto il: 24 gen 2018, 19:13

1
voti

[8] Re: Ponte di wien non oscilla

Messaggioda Foto UtenteSilvioG » 16 feb 2018, 20:21

Allora, ho provato a simulare il mio circuito e il tuo. Credo che quello che conosco io sia meno soggetto a distorsioni perché i diodi (zener) conducono per meno tempo, danno degli impulsi di corrente solo quando il segnale tende a divergere in ampiezza abbassando il guadagno molto bruscamente (quasi puntualmente). Invece se vuoi mantenere il tuo circuito potresti provare con dei diodi Schottky (ma sto azzardando, non so niente di diodi Schottky)
Avatar utente
Foto UtenteSilvioG
120 2
 
Messaggi: 28
Iscritto il: 26 gen 2018, 23:55

2
voti

[9] Re: Ponte di wien non oscilla

Messaggioda Foto Utentelucaking » 16 feb 2018, 21:12

Hai gia provato quello "classico" con la lampadina nella rete di retroazione?
E' semplice e da una sinusoide con livelli di distorsione gia abbastanza bassi.

L' ideale sarebbe trovare delle lampadine da 28/30 V e 30/40 mA che si trovano ma non proprio facilmente, io ne avevo fatto uno usando una lampadina 24 V 1.2W abbastanza comune dagli autoricambi, (cruscotti dei camion) e funzionava bene.

Se ti interessa l'argomento da pag. 29 in poi di questo documento trovi un bel po di informazioni a riguardo.
O_/
Avatar utente
Foto Utentelucaking
1.651 4 5 8
Expert
Expert
 
Messaggi: 1445
Iscritto il: 29 mag 2015, 14:28

1
voti

[10] Re: Ponte di wien non oscilla

Messaggioda Foto UtenteMartinPescatore » 16 feb 2018, 22:29

Alla fine filtrando passa basso non viene così male, certo perdo metà ampiezza.

IMG_20180216_193300.jpg
ecco la risultante filtrata e non


Degli schotty mi devono arrivare e proverò con quelli.
Domani se riesco provo con gli zener da 5.1v in parallelo alimentando a +-12V.

Lampadine e termistori non ne ho purtroppo :-|
Avatar utente
Foto UtenteMartinPescatore
25 4
 
Messaggi: 37
Iscritto il: 24 gen 2018, 19:13

Prossimo

Torna a Elettronica generale

Chi c’è in linea

Visitano il forum: Google Adsense [Bot] e 186 ospiti