Cos'è ElectroYou | Login Iscriviti

ElectroYou - la comunità dei professionisti del mondo elettrico

Problema semplice diodo zener

Elettronica lineare e digitale: didattica ed applicazioni

Moderatori: Foto Utentecarloc, Foto Utenteg.schgor, Foto UtenteBrunoValente, Foto UtenteIsidoroKZ

0
voti

[1] Problema semplice diodo zener

Messaggioda Foto UtentePatras » 16 feb 2018, 21:19

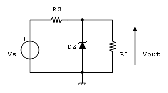
Ciao a tutti! Vi chiedo per favore di aiutarmi con la soluzione al seguente problema.
Dato il circuito riportato nella figura, determinare i valori della tensione Vout corrispondenti ai
vs=V_{SMAX} = 16V evs=V_{SMIN} = 12V

DATI:
R_S = 0.5 k\Omega
R_L = 1.5 k\Omega
V_{ON}=0.7V tensione di accensione diodo
V_Z = 10V tensione di breakdown
R_Z = 100\Omega resistenza Zener



SOLUZIONE:
io ho pensato di applicare Thevenin, anche se non sempre conviene applicare quando si hanno diodi ma in questo caso mi sembrava applicabile. Il problema è che non so cosa farne della resistenza del diodo? Come cambiano in calcoli in sua presenza? Io l'ho inserita in serie come dovrebbe essere ma non sembra cambiare qualcosa perché tanto la tensione di breakdown si riferisce all'intero diodo contenente la resistenza.



Mi viene VTH1 = 12V per VSMAX , VTH1>10V quindi il diodo polarizzato inversamente rende Vout = 10V

VTH2 = 9V < 10V che non è né troppo grande né negativo quindi DZ non conduce, è un circuito aperto e Vout = 9V.

Secondo voi è giusto?
Avatar utente
Foto UtentePatras
51 1 7
Utente disattivato per decisione dell'amministrazione proprietaria del sito
 
Messaggi: 131
Iscritto il: 24 mag 2017, 15:27

1
voti

[2] Re: Problema semplice diodo zener

Messaggioda Foto Utenteelfo » 16 feb 2018, 21:28

Patras ha scritto:Io l'ho inserita in serie come dovrebbe essere

OK
Patras ha scritto:ma non sembra cambiare qualcosa perché tanto la tensione di breakdown si riferisce all'intero diodo contenente la resistenza.

No, no, e ancora no!!!
La tensione di breakdown si riferisce all'intero diodo contenente la resistenza ma ad una ben specificata corrente.
Avatar utente
Foto Utenteelfo
6.819 4 5 7
G.Master EY
G.Master EY
 
Messaggi: 2828
Iscritto il: 15 lug 2016, 13:27

0
voti

[3] Re: Problema semplice diodo zener

Messaggioda Foto UtentePatras » 16 feb 2018, 21:35

Grazie per la risposta.
L'esercizio però non mi dava alcun'informazione su questa corrente. Forse ci sono dei valori soliti? Quanto vale e quale sarebbe?
Avatar utente
Foto UtentePatras
51 1 7
Utente disattivato per decisione dell'amministrazione proprietaria del sito
 
Messaggi: 131
Iscritto il: 24 mag 2017, 15:27

1
voti

[4] Re: Problema semplice diodo zener

Messaggioda Foto Utenteelfo » 16 feb 2018, 21:42

Prova a guardare questo datasheet (pag. 5 parametro Test current))

http://projectpoint.in/datasheets/pdf/BZV85_SER.pdf

La Rz = 100 ohm dell'esercizio mi sembra un po' alta rispetto a dati "reali"

I diodi del datasheet sono da 1.3 W. Quelli da 0.5 W hanno una resistenza piu' alta ma non credo che arrivino a 100 ohm (per Vz = 10 V)
Avatar utente
Foto Utenteelfo
6.819 4 5 7
G.Master EY
G.Master EY
 
Messaggi: 2828
Iscritto il: 15 lug 2016, 13:27

0
voti

[5] Re: Problema semplice diodo zener

Messaggioda Foto UtentePatras » 16 feb 2018, 22:34

Avrei due domande:
Rispetto ai parametri in considerazione : R_{TH}=375 \Omega \implies I_Z = 5.33 mA
Però non capisco se confrontarla con la corrente di test o con I_{R} che è espressa in microAmpere ?
Forse I_R è quella a diodo spento? Se così è allora I_Z sembra abbastanza buona rispetto a quelle di test.

In ogni caso l'esercizio era più che altro teorico, non c'era nulla di specifico quindi complessivamente Le sembra giusta la mia soluzione?
Avatar utente
Foto UtentePatras
51 1 7
Utente disattivato per decisione dell'amministrazione proprietaria del sito
 
Messaggi: 131
Iscritto il: 24 mag 2017, 15:27

2
voti

[6] Re: Problema semplice diodo zener

Messaggioda Foto UtenteBrunoValente » 16 feb 2018, 22:42

Credo che nell'esercizio lo zener sia inteso come fosse semplicemente costituito da una serie tra uno zener ideale da 10V e una resistenza di 100 ohm.
Avatar utente
Foto UtenteBrunoValente
39,6k 7 11 13
G.Master EY
G.Master EY
 
Messaggi: 7796
Iscritto il: 8 mag 2007, 14:48

2
voti

[7] Re: Problema semplice diodo zener

Messaggioda Foto Utenteelfo » 16 feb 2018, 22:54

Credo che l'ipotesi di Foto UtenteBrunoValente sia la piu' ragionevole.

Svolgendo il compitino si ha:

Guarda anche:
https://dl.dropboxusercontent.com/s/c1x ... y.pdf?dl=0
Ultima modifica di Foto Utenteelfo il 16 feb 2018, 22:59, modificato 1 volta in totale.
Avatar utente
Foto Utenteelfo
6.819 4 5 7
G.Master EY
G.Master EY
 
Messaggi: 2828
Iscritto il: 15 lug 2016, 13:27

1
voti

[8] Re: Problema semplice diodo zener

Messaggioda Foto UtenteBrunoValente » 16 feb 2018, 22:55

Sì, anche a me vengono quei valori.
Avatar utente
Foto UtenteBrunoValente
39,6k 7 11 13
G.Master EY
G.Master EY
 
Messaggi: 7796
Iscritto il: 8 mag 2007, 14:48

0
voti

[9] Re: Problema semplice diodo zener

Messaggioda Foto UtentePatras » 16 feb 2018, 23:03

Siete stati chiari, grazie per le vostre risposte :ok:
Avatar utente
Foto UtentePatras
51 1 7
Utente disattivato per decisione dell'amministrazione proprietaria del sito
 
Messaggi: 131
Iscritto il: 24 mag 2017, 15:27

0
voti

[10] Re: Problema semplice diodo zener

Messaggioda Foto Utentene555it » 21 feb 2018, 0:46

Leggi questo tutorial, potrebbe essere utile :
https://www.ne555.it/diodi-zener-teoria-e-applicazioni/
Avatar utente
Foto Utentene555it
11 3
New entry
New entry
 
Messaggi: 65
Iscritto il: 28 gen 2018, 16:22


Torna a Elettronica generale

Chi c’è in linea

Visitano il forum: Nessuno e 204 ospiti