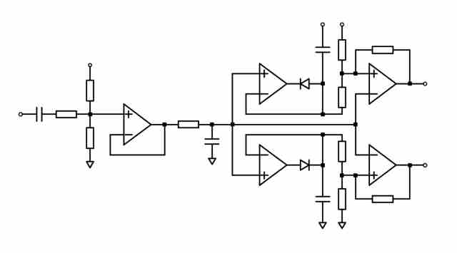
All'ingresso hai il disaccoppiamento della continua, il riferimento a VCC/2 e il partitore per rientrare nella dinamica dell'alimentazione. Segue il buffer unitario e il filtro passa-basso per togliere un po' di rumore. I due OPA che seguono sono i due rivelatori di picco, minimo e massimo. Il partitore all'uscita detrmina quanto sotto il picco è posizionata la soglia. La serie determina insieme alla capacità il tempo di decay del rivelatore di picco. Ci sono poi due comparatori con isteresi, piccola, data dalle due resistenze dei partitori e quella di reazione. Le uscite sono due, con le quali stabilisci se sei sopra le due soglie, sotto le due soglie o tra le due. Puoi metterci un flip-flop oppure entrare così nel micro e fare la funzione di flip-flop via software.
Questo circuito funziona discretamente bene. Se sistemi il pick-up per avere uno degli impulsi immediatamente prima dell'anticipo massimo, puoi giocare con il grado di precisione.

Elettrotecnica e non solo (admin)
Un gatto tra gli elettroni (IsidoroKZ)
Esperienza e simulazioni (g.schgor)
Moleskine di un idraulico (RenzoDF)
Il Blog di ElectroYou (webmaster)
Idee microcontrollate (TardoFreak)
PICcoli grandi PICMicro (Paolino)
Il blog elettrico di carloc (carloc)
DirtEYblooog (dirtydeeds)
Di tutto... un po' (jordan20)
AK47 (lillo)
Esperienze elettroniche (marco438)
Telecomunicazioni musicali (clavicordo)
Automazione ed Elettronica (gustavo)
Direttive per la sicurezza (ErnestoCappelletti)
EYnfo dall'Alaska (mir)
Apriamo il quadro! (attilio)
H7-25 (asdf)
Passione Elettrica (massimob)
Elettroni a spasso (guidob)
Bloguerra (guerra)




