Non conosco nel dettaglio il mitico due cilindri della 500, ma mi pare ci fosse un sistema di regolazione dell'anticipo sullo spinterogeno, basato su una massa centrifuga. Potrei sbagliarmi...
Edit:
Questo è uno spinterogeno con anticipo centrifugo per la 500,
ma non so dire se fosse di serie o se è uno dei tanti 'pastrocci' fatti dagli appassionati.
E' interessante notare l'ingegno dei progettisti di un tempo nell'inventarsi un sistema talmente complesso se visto ora con gli occhi di chi conosce un po' di elettronica...
Zero crossing detector sensore a riluttanza magnetica
Moderatori:
carloc,
g.schgor,
BrunoValente,
IsidoroKZ
0
voti
Sì, l'anticipo meccanico nella 500 era di serie, la scarica avviene quando le puntine si aprono, a basso numero di giri l'apertura delle puntine avviene quando una cam meccanica passa per un certo angolo di fase regolabile rispetto al PMS, man mano che sale la velocità si allarga una sorta di bilanciere che fa anticipare la fase di apertura che segue una sagoma meccanica molto approssimativa.
Il tutto mi pare sia estremamente impreciso e soggetto a peggiorare con il tempo, con l'aumento dei giochi ecc. eppure funziona sempre.
L'anticipo in questo caso quindi è solo funzione del numero di giri e non tiene conto di tutte quelle variabili che elencavi sopra, perciò immagino sia grosso modo impostato per avere un tempo fisso di anticipo rispetto al PMS.
Il motore della Fiat 500 era nato per la benzina "normale", con la "super" non andava un gran che, con l'avvento della benzina verde le cose sono migliorate perché mi pare somigli di più alla vecchia normale ma ho dovuto regolare l'angolo di fase: a basso numero di giri, quando l'anticipo meccanico ancora non interviene, ho regolato la cam per il massimo numero di giri che si percepisce facilmente a orecchio, quindi per la massima coppia, tutto qui, senza necessità di strumentazione di alcun tipo.
Il tutto mi pare sia estremamente impreciso e soggetto a peggiorare con il tempo, con l'aumento dei giochi ecc. eppure funziona sempre.
L'anticipo in questo caso quindi è solo funzione del numero di giri e non tiene conto di tutte quelle variabili che elencavi sopra, perciò immagino sia grosso modo impostato per avere un tempo fisso di anticipo rispetto al PMS.
Il motore della Fiat 500 era nato per la benzina "normale", con la "super" non andava un gran che, con l'avvento della benzina verde le cose sono migliorate perché mi pare somigli di più alla vecchia normale ma ho dovuto regolare l'angolo di fase: a basso numero di giri, quando l'anticipo meccanico ancora non interviene, ho regolato la cam per il massimo numero di giri che si percepisce facilmente a orecchio, quindi per la massima coppia, tutto qui, senza necessità di strumentazione di alcun tipo.
-

BrunoValente
39,6k 7 11 13 - G.Master EY

- Messaggi: 7796
- Iscritto il: 8 mag 2007, 14:48
0
voti
Allora ricordavo bene...
Sì, l'anticipo è solo funzione della velocità di rotazione. Leggendo in rete, l'angolo va da 10° al minimo, fino a 22° a pieno regime.
Ovviamente un sistema così spartano era soggetto a molti problemi di malfunzionamento, ma i meccanici di una volta potevano (e sapevano) mettere mano a queste cose, aggiustando in pochi minuti e per poche 'milalire' gli spinterogeni incasinati... Oggi si collega il lettore wireless alla ECU, si lancia il programma di check up e si fa quello che viene fuori scritto sullo schermo...
Sì, l'anticipo è solo funzione della velocità di rotazione. Leggendo in rete, l'angolo va da 10° al minimo, fino a 22° a pieno regime.
Ovviamente un sistema così spartano era soggetto a molti problemi di malfunzionamento, ma i meccanici di una volta potevano (e sapevano) mettere mano a queste cose, aggiustando in pochi minuti e per poche 'milalire' gli spinterogeni incasinati... Oggi si collega il lettore wireless alla ECU, si lancia il programma di check up e si fa quello che viene fuori scritto sullo schermo...
0
voti
Con una Suzuki bifuel (peraltro ottima) ho avuto problemi di minimo, credevo fosse una banalità ma ho scoperto che è davvero un cas8 fra sensore sulla farfalla, autoapprendimento, vite di registro e altro.
0
voti
Ciao!
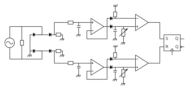
Ho realizzato il circuito proposto da venexian utilizzando dei trimmer per ricercare il livello corretto del picco però non ho avuto molto successo, in quanto i comparatori avendo una soglia proporzionale al picco e che lo "insegue" durante la scarica del condensatore, all'uscita di essi ho più volte la rilevazione di falsi picchi.
Ho rielaborato il circuito come nella file fidocad in allegato. Al momento funziona in quanto riesco a far girare il motore tra 0 e 2000 rpm circa (per cominciare un po' di calibrazione).
Non ho inserito il filtro passa alto ma questa scelta non è vincolata al momento.
Il ponte in ingresso discrimina la parte positiva della semionda del pickup (parte del circuito alta) e quella negativa (parte del circuito bassa); poi ci sono i 2 rilevatori di picco in cui ho usato 2 trimmer per ricercare il punto di picco massimo delle 2 semionde e noto che almeno nel range di prova i picchi vengono rilevati senza sfasamenti, quindi dovrei in questo modo ottenere un segnale elettrico corrispondente ad un fase meccanica fissa (venexiam correggimi se sbaglio, grazie).
In uscita poi un flip flop sr che posso implementare con un timer 555 oppure via software.
Che ne pensate?
Devo ancora provare con la stroboscopica!
Ho realizzato il circuito proposto da venexian utilizzando dei trimmer per ricercare il livello corretto del picco però non ho avuto molto successo, in quanto i comparatori avendo una soglia proporzionale al picco e che lo "insegue" durante la scarica del condensatore, all'uscita di essi ho più volte la rilevazione di falsi picchi.
Ho rielaborato il circuito come nella file fidocad in allegato. Al momento funziona in quanto riesco a far girare il motore tra 0 e 2000 rpm circa (per cominciare un po' di calibrazione).
Non ho inserito il filtro passa alto ma questa scelta non è vincolata al momento.
Il ponte in ingresso discrimina la parte positiva della semionda del pickup (parte del circuito alta) e quella negativa (parte del circuito bassa); poi ci sono i 2 rilevatori di picco in cui ho usato 2 trimmer per ricercare il punto di picco massimo delle 2 semionde e noto che almeno nel range di prova i picchi vengono rilevati senza sfasamenti, quindi dovrei in questo modo ottenere un segnale elettrico corrispondente ad un fase meccanica fissa (venexiam correggimi se sbaglio, grazie).
In uscita poi un flip flop sr che posso implementare con un timer 555 oppure via software.
Che ne pensate?
Devo ancora provare con la stroboscopica!
-

elektrojack
16 6 - Frequentatore

- Messaggi: 198
- Iscritto il: 11 mar 2011, 11:34
0
voti
elektrojack ha scritto:... non ho avuto molto successo, in quanto i comparatori avendo una soglia proporzionale al picco e che lo "insegue" durante la scarica del condensatore, all'uscita di essi ho più volte la rilevazione di falsi picchi.
Non ho capito il problema, hai qualche dato numerico o screenshot da pubblicare?
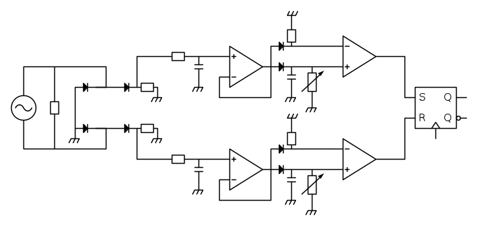
elektrojack ha scritto:Ho rielaborato il circuito come nella file fidocad in allegato. Al momento funziona in quanto riesco a far girare il motore tra 0 e 2000 rpm circa (per cominciare un po' di calibrazione).
Il circuito che hai postato esegue più o meno le stesse operazioni di quello presentato in [41], con la differenza di operare con entrambi i rami 'in positivo', grazie al ponte in ingresso.
In questo circuito ci sono alcuni problemi: innanzitutto i trimmer non regolano l'ampiezza della tensione di riferimento ai comparatori, ma modificano solo la costante di tempo del rivelatore di picco. Sempre per lo stesso motivo, quando la tensione all'uscita degli inseguitori è in salita, ai comparatori arriva la stessa tensione a entrambi gli ingressi, a meno di tolleranze nei componenti, e questa non è una bella cosa.
Oltre a questo va aggiunto che l'aver sostituito i raddrizzatori senza caduta con dei buffer introduce nel segnale un valore 'morto' pari alla caduta di due diodi attorno allo zero. A questo va aggiunto un altro valore morto sempre pari a due cadute di diodo dovute al ponte in ingresso e il circuito risulta insensibile per una fascia di circa 3 V centrata sullo zero. E' probabile che sia proprio questa fascia di insensibilità che modifica il comportamento del circuito.
Io ti consiglio di analizzare i motivi del non funzionamento del circuito precedente, scoprendone le cause prima di operare modifiche.
0
voti
Ciao,
ti ringrazio per le osservazioni.
Non ho al momento degli screeshot da farti analizzare, ma cercherò di farli.
Ciò che dici mi torna in linea generale.
I trimmer regolano la costante di tempo, esatto, ma proprio grazie a questa che riesco a spostarmi lungo il fronte della semionda centrandomi dove ritengo che ci sia il picco.
Quando la tensione all'uscita degli inseguitori è in salita non arriva esattamente la stessa tensione, o meglio, arriva con un certo ritardo sull'ingresso non invertente, anche se come dici tu la tolleranza sui componenti può essere un problema.
Ho simulato il tuo circuito prima di realizzarlo ma anche nella simulazione sono riuscito a rilevare il picco vero e proprio ma rileva un punto successivo al picco nella fase di discesa della semionda. Ho simulato provando diverse configurazioni tra valori (sensati) di capacità e trimmer del comparatore.
Quando poi ho provato il circuito, avevo in uscita al comparatore N spike non congruenti al picco del segnale.
ti ringrazio per le osservazioni.
Non ho al momento degli screeshot da farti analizzare, ma cercherò di farli.
Ciò che dici mi torna in linea generale.
I trimmer regolano la costante di tempo, esatto, ma proprio grazie a questa che riesco a spostarmi lungo il fronte della semionda centrandomi dove ritengo che ci sia il picco.
Quando la tensione all'uscita degli inseguitori è in salita non arriva esattamente la stessa tensione, o meglio, arriva con un certo ritardo sull'ingresso non invertente, anche se come dici tu la tolleranza sui componenti può essere un problema.
Ho simulato il tuo circuito prima di realizzarlo ma anche nella simulazione sono riuscito a rilevare il picco vero e proprio ma rileva un punto successivo al picco nella fase di discesa della semionda. Ho simulato provando diverse configurazioni tra valori (sensati) di capacità e trimmer del comparatore.
Quando poi ho provato il circuito, avevo in uscita al comparatore N spike non congruenti al picco del segnale.
-

elektrojack
16 6 - Frequentatore

- Messaggi: 198
- Iscritto il: 11 mar 2011, 11:34
0
voti
elektrojack ha scritto:I trimmer regolano la costante di tempo, esatto, ma proprio grazie a questa che riesco a spostarmi lungo il fronte della semionda centrandomi dove ritengo che ci sia il picco.
Non è la strada giusta.
Non è un sistema 'solido' perché dipende da fattori esterni e impredicibili rispetto alle variabili che invece dovrebbero essere sotto controllo.
Pubblica più dati possibile, appena trovo il tempo, provo a simulare qualcosa anch'io.
2
voti
venexian ha scritto:Non è la strada giusta...
Io direi che sia un vicolo cieco, modifiche insensate.
Potrà anche funzionicchiare ma solo ad un certo numero di giri: variando i giri varierebbero completamente le condizioni e le tarature fatte andrebbero ritoccate.
-

BrunoValente
39,6k 7 11 13 - G.Master EY

- Messaggi: 7796
- Iscritto il: 8 mag 2007, 14:48
Chi c’è in linea
Visitano il forum: Nessuno e 76 ospiti

Elettrotecnica e non solo (admin)
Un gatto tra gli elettroni (IsidoroKZ)
Esperienza e simulazioni (g.schgor)
Moleskine di un idraulico (RenzoDF)
Il Blog di ElectroYou (webmaster)
Idee microcontrollate (TardoFreak)
PICcoli grandi PICMicro (Paolino)
Il blog elettrico di carloc (carloc)
DirtEYblooog (dirtydeeds)
Di tutto... un po' (jordan20)
AK47 (lillo)
Esperienze elettroniche (marco438)
Telecomunicazioni musicali (clavicordo)
Automazione ed Elettronica (gustavo)
Direttive per la sicurezza (ErnestoCappelletti)
EYnfo dall'Alaska (mir)
Apriamo il quadro! (attilio)
H7-25 (asdf)
Passione Elettrica (massimob)
Elettroni a spasso (guidob)
Bloguerra (guerra)



