Ragazzi buona pasqua a tutti.
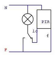
Vorrei chiedervi una cosa, ma in un impianto del genere, quando accendo la luce mettendo il commutatore in posizione 1, brucio il sensore di movimento?
Ho paura che mandando correte all'uscita del sensore lo possa bruciare, che dite?
Grazie per l'aiuto
Sensore di movimento
Moderatori:
carloc,
g.schgor,
BrunoValente,
IsidoroKZ
5 messaggi
• Pagina 1 di 1
0
voti
Volevo mettere anche il sensore sotto interruttore essendo all'esterno per maggiore sicurezza, con la tua idea quindi in caso dovrei usare due interruttori giusto?
Posso chiederti però una cosa, il mio schema faceva bruciare il PIR?
Semplice curiosità
Posso chiederti però una cosa, il mio schema faceva bruciare il PIR?
Semplice curiosità
-

Macelettronic
55 2 6 - Frequentatore

- Messaggi: 212
- Iscritto il: 1 feb 2012, 11:08
0
voti
un uscita non è un ingresso basta fermasi qui con i ragionamenti
mentre per la curiosità in genere quei sensori hanno un rele' all'uscita e in tal caso se si trovasse in posizione di non eccitazione (cosa che non puoi dare per scontato perché puo' comunque rompersi un giorno
) non succederebbe nulla al sensore, se fosse eccitato o i contatti si fossero saldasti per vecchiaia, salterebbe il primo mt della linea - se il sensore ha uscita di altro tipo, avrai altre possibilità
e comunque perché avere situazioni con piu' incognite che certezza ?
se vuoi anche il caso spengo tutto per sicurezza puoi continuare a usare il com. o comunque un deviatore con zero c.
se ti da fastidio avere 2 int.
ma fornire tensione a un uscita seppur con il dispositivo spento non è che sia geniale o particolarmente sicuro
mentre per la curiosità in genere quei sensori hanno un rele' all'uscita e in tal caso se si trovasse in posizione di non eccitazione (cosa che non puoi dare per scontato perché puo' comunque rompersi un giorno
e comunque perché avere situazioni con piu' incognite che certezza ?
se vuoi anche il caso spengo tutto per sicurezza puoi continuare a usare il com. o comunque un deviatore con zero c.
se ti da fastidio avere 2 int.
ma fornire tensione a un uscita seppur con il dispositivo spento non è che sia geniale o particolarmente sicuro
-

biget
1.155 3 7 - CRU - Account cancellato su Richiesta utente
- Messaggi: 464
- Iscritto il: 16 dic 2016, 19:47
0
voti
Ti spiego perché ti chiedo, il problema è soprattuto di spazio dentro la canalina dei fili dove non so se entrano altri fili e di spazio nelle scatole degli interruttori dove al 100% non posso mettere altro perché piene.
La mia idea era togliere l'attuale interruttore magnetotermico e mettere un commutatore magnetotermico a tre posizioni.
Però ti ripeto pensavo che mandare la 220 all'uscita del sensore potesse farlo bruciare in qualche modo, diciamo che attualemente la soluzione che occupa meno spazio e più "obbligata", salvo fare lavori di muratura, è quella di sostituire l'interruttore e mettere il commutatore a 3 posizioni, nel tubo così passerebbe un solo filo in più che entra senza problemi.
Un domani che farò lavori i lavori di ristrutturazione programmati modificherò l'impianto con qualcosa di più idoneo.
Oppure l'alternativa e fare come ho fatto per adesso luce del cellulare quando serve, tanto questo PIR mi servirebbe solo per avere luce durante l'apertura della porta
La mia idea era togliere l'attuale interruttore magnetotermico e mettere un commutatore magnetotermico a tre posizioni.
Però ti ripeto pensavo che mandare la 220 all'uscita del sensore potesse farlo bruciare in qualche modo, diciamo che attualemente la soluzione che occupa meno spazio e più "obbligata", salvo fare lavori di muratura, è quella di sostituire l'interruttore e mettere il commutatore a 3 posizioni, nel tubo così passerebbe un solo filo in più che entra senza problemi.
Un domani che farò lavori i lavori di ristrutturazione programmati modificherò l'impianto con qualcosa di più idoneo.
Oppure l'alternativa e fare come ho fatto per adesso luce del cellulare quando serve, tanto questo PIR mi servirebbe solo per avere luce durante l'apertura della porta
-

Macelettronic
55 2 6 - Frequentatore

- Messaggi: 212
- Iscritto il: 1 feb 2012, 11:08
5 messaggi
• Pagina 1 di 1
Chi c’è in linea
Visitano il forum: Nessuno e 460 ospiti

Elettrotecnica e non solo (admin)
Un gatto tra gli elettroni (IsidoroKZ)
Esperienza e simulazioni (g.schgor)
Moleskine di un idraulico (RenzoDF)
Il Blog di ElectroYou (webmaster)
Idee microcontrollate (TardoFreak)
PICcoli grandi PICMicro (Paolino)
Il blog elettrico di carloc (carloc)
DirtEYblooog (dirtydeeds)
Di tutto... un po' (jordan20)
AK47 (lillo)
Esperienze elettroniche (marco438)
Telecomunicazioni musicali (clavicordo)
Automazione ed Elettronica (gustavo)
Direttive per la sicurezza (ErnestoCappelletti)
EYnfo dall'Alaska (mir)
Apriamo il quadro! (attilio)
H7-25 (asdf)
Passione Elettrica (massimob)
Elettroni a spasso (guidob)
Bloguerra (guerra)
