Cos'è ElectroYou | Login Iscriviti

ElectroYou - la comunità dei professionisti del mondo elettrico

Attivazione relè per 1 secondo, con power on e power off

Elettronica lineare e digitale: didattica ed applicazioni

Moderatori: Foto Utentecarloc, Foto Utenteg.schgor, Foto UtenteBrunoValente, Foto UtenteIsidoroKZ

0
voti

[1] Attivazione relè per 1 secondo, con power on e power off

Messaggioda Foto Utentejovyevanesc » 7 apr 2018, 22:36

Salve a tutti O_/ spero di non aver sbagliato sezione!
Vi chiedo aiuto per la realizzazione di un piccolo circuito..ecco il problema!

Ho un dispositivo che si attiva tramite un pulsante a rilascio, ovvero tramite in brevissimo on- off fatto premendo un pulsante.
Vorrei attivare questo circuito in modo diverso, ovvero con in classico interruttore on- off, uno switch che quando lo attivi permane chiuso, è quando lo riattivo permane aperto.

Ho pensato quindi che se alimento un relè per breve tempo, circa 1 secondo, tramite temporizzatore, posso ottenere che si chiuda sul contatto normalmente aperto, e poi so richiude sul normalmente chiuso. Questo in definitiva mi consente di avere l effetto di in interruttore che si apre e chiude in 1 secondo, in modo da attivare il mio circuito.

Il problema si pone però quando tolgo l alimentazione. Se infatti chiudo il mio interruttore, il relè non cambia stato per tornare allo stato originale. A me invece interessa che anche quando chiudo p interruttore, il relè venga attivato e poi disattivato dopo circa 1 secondo.

Ho provato ad usare un condensatore a mo di batteria tampone, per attivarmi il relè solo quando chiudo l alimentazione, ma con poca fortuna. Qualche idea? ;-)
Avatar utente
Foto Utentejovyevanesc
10 2
 
Messaggi: 19
Iscritto il: 6 apr 2018, 21:58

0
voti

[2] Re: Attivazione relè per 1 secondo, con power on e power off

Messaggioda Foto Utenteg.schgor » 8 apr 2018, 7:41

Di quale alimentazione disponi?
Avatar utente
Foto Utenteg.schgor
57,8k 9 12 13
G.Master EY
G.Master EY
 
Messaggi: 16971
Iscritto il: 25 ott 2005, 9:58
Località: MILANO

0
voti

[3] Re: Attivazione relè per 1 secondo, con power on e power off

Messaggioda Foto Utentejovyevanesc » 8 apr 2018, 8:31

g.schgor ha scritto:Di quale alimentazione disponi?

Grazie per la risposta. Uso un alimentatore a 12vdc.
Avatar utente
Foto Utentejovyevanesc
10 2
 
Messaggi: 19
Iscritto il: 6 apr 2018, 21:58

0
voti

[4] Re: Attivazione relè per 1 secondo, con power on e power off

Messaggioda Foto UtenteBrunoValente » 8 apr 2018, 10:28

Non mi è proprio chiaro quello che chiedi, ti dico cosa ho capito: mi sembra voglia che il relè si ecciti per un secondo ogni volta che l'interruttore cambia stato, sia quando passa da aperto a chiuso che viceversa, corretto?

Il problema che si verifica quando togli l'alimentazione non l'ho capito.
Avatar utente
Foto UtenteBrunoValente
39,6k 7 11 13
G.Master EY
G.Master EY
 
Messaggi: 7796
Iscritto il: 8 mag 2007, 14:48

0
voti

[5] Re: Attivazione relè per 1 secondo, con power on e power off

Messaggioda Foto Utentejovyevanesc » 8 apr 2018, 12:54

BrunoValente ha scritto:Non mi è proprio chiaro quello che chiedi, ti dico cosa ho capito: mi sembra voglia che il relè si ecciti per un secondo ogni volta che l'interruttore cambia stato, sia quando passa da aperto a chiuso che viceversa, corretto?

Il problema che si verifica quando togli l'alimentazione non l'ho capito.

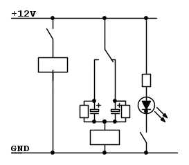
Esatto Bruno grazie :ok: il problema quando tolgo l'alimentazione, ovvero chiudo l'interruttore, è che il relè passa da NC a NA ma non torna allo stato NC, proprio per l'assenza dell'alimentazione. Vi faccio vedere come ho risolto, usando 2 relè e 1 condensatore elettrolitico. Con questo circuito ogni volta che apro o chiudo l'interruttore, il led si accende per circa 1 secondo.

Vi chiedo se è possibile eliminare quel secondo relè, che mi pilota il led, magari con un fotoaccoppiatore AC (sto dicendo una boiata? :shock: :lol:). Grazie
Allegati
IMG_20180408_102622.png
Avatar utente
Foto Utentejovyevanesc
10 2
 
Messaggi: 19
Iscritto il: 6 apr 2018, 21:58

1
voti

[6] Re: Attivazione relè per 1 secondo, con power on e power off

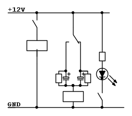
Messaggioda Foto Utenteg.schgor » 8 apr 2018, 17:08

Prova così



La resistenza in parallelo al condensatore serve a scaricarlo,
ma deve essere abbastanza grande per non permettere l' automantenimento del relè.
Avatar utente
Foto Utenteg.schgor
57,8k 9 12 13
G.Master EY
G.Master EY
 
Messaggi: 16971
Iscritto il: 25 ott 2005, 9:58
Località: MILANO


Torna a Elettronica generale

Chi c’è in linea

Visitano il forum: Majestic-12 [Bot] e 148 ospiti