Cos'è ElectroYou | Login Iscriviti

ElectroYou - la comunità dei professionisti del mondo elettrico

Semplice esercizio DIODI

Elettronica lineare e digitale: didattica ed applicazioni

Moderatori: Foto Utentecarloc, Foto Utenteg.schgor, Foto UtenteBrunoValente, Foto UtenteIsidoroKZ

0
voti

[1] Semplice esercizio DIODI

Messaggioda Foto UtenteGabriele1991 » 15 apr 2018, 16:17

Salve, volevo presentarvi un esercizio molto semplice ma su cui sto trovando alcune difficoltà
Senza titolo.jpeg
Senza titolo.jpeg (15.46 KiB) Osservato 3837 volte

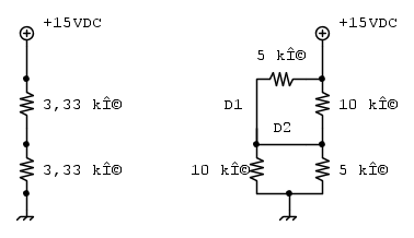
Se pongo entrambi i diodi in polarizzazione diretta, ho provato a vedere con un simulatore e ottengo che su tutte le resistenze ho la stessa tensione di 7,5V. Perché? Come faccio a dimostrare che i diodi sono effettivamente in polarizzazione diretta?
Vi ringrazio, buona domenica! O_/

Gabriele
Avatar utente
Foto UtenteGabriele1991
5 2
 
Messaggi: 13
Iscritto il: 5 apr 2015, 20:46

2
voti

[2] Re: Semplice esercizio DIODI

Messaggioda Foto Utentedimaios » 15 apr 2018, 16:38

I disegni devono essere postati in FidoCADJ per permettere la modifica da parte degli altri utenti che partecipano alla discussione.

Se non sai lo stato di conduzione dei diodi devi supporlo.
Se supponi che i diodi siano ideali ed entrambi in conduzione il circuito equivalente sarà il seguente :



A questo punto è facile calcolare la caduta di tensione ai capi della resistenza e soprattutto verificare se l'ipotesi iniziale ( supporre ambedue i diodi in conduzione ) era plausibile.

Se risolvendo con l'ipotesi formulata, le tensioni del circuito non risultassero compatibili con la conduzione diretta dei due diodi, dovresti ipotizzare un'altra configurazione ( es. D1 in conduzione e D2 interdetto ) e così via fino a trovare quella corretta.
Ingegneria : alternativa intelligente alla droga.
Avatar utente
Foto Utentedimaios
30,2k 7 10 12
G.Master EY
G.Master EY
 
Messaggi: 3381
Iscritto il: 24 ago 2010, 14:12
Località: Behind the scenes

0
voti

[3] Re: Semplice esercizio DIODI

Messaggioda Foto UtenteGabriele1991 » 15 apr 2018, 16:48

Come ottengo la tensione ai capi delle resistenze in questo caso? devo fare un partitore di tensione?
Ultima modifica di Foto UtenteMax2433BO il 15 apr 2018, 17:03, modificato 1 volta in totale.
Motivazione: Eliminata citazione inutile...
Avatar utente
Foto UtenteGabriele1991
5 2
 
Messaggi: 13
Iscritto il: 5 apr 2015, 20:46

0
voti

[4] Re: Semplice esercizio DIODI

Messaggioda Foto Utenteg.schgor » 15 apr 2018, 16:54

Si, la serie di 2 paralleli uguali
Avatar utente
Foto Utenteg.schgor
57,8k 9 12 13
G.Master EY
G.Master EY
 
Messaggi: 16971
Iscritto il: 25 ott 2005, 9:58
Località: MILANO

0
voti

[5] Re: Semplice esercizio DIODI

Messaggioda Foto Utentedimaios » 15 apr 2018, 16:56

Modifica il disegno che ho fatto io evidenziando le resistenze poste in parallelo.
Ingegneria : alternativa intelligente alla droga.
Avatar utente
Foto Utentedimaios
30,2k 7 10 12
G.Master EY
G.Master EY
 
Messaggi: 3381
Iscritto il: 24 ago 2010, 14:12
Località: Behind the scenes

0
voti

[6] Re: Semplice esercizio DIODI

Messaggioda Foto UtenteMarcoD » 15 apr 2018, 17:08

Si vede a occhio: 0, 5 Poi sarà corretto ! :-) O_/
Avatar utente
Foto UtenteMarcoD
12,2k 5 9 13
Master EY
Master EY
 
Messaggi: 6696
Iscritto il: 9 lug 2015, 16:58
Località: Torino

0
voti

[7] Re: Semplice esercizio DIODI

Messaggioda Foto UtenteGabriele1991 » 15 apr 2018, 17:22

dimaios ha scritto:Modifica il disegno che ho fatto io evidenziando le resistenze poste in parallelo.




Dunque la corrente che scorre nel diodo D1 è positiva e pari a 1,5 A
Ora come faccio a capire che corrente scorre nel D2?
Avatar utente
Foto UtenteGabriele1991
5 2
 
Messaggi: 13
Iscritto il: 5 apr 2015, 20:46

0
voti

[8] Re: Semplice esercizio DIODI

Messaggioda Foto UtenteMarcoD » 15 apr 2018, 17:25

a 1,5 A
[-X :evil:
Avatar utente
Foto UtenteMarcoD
12,2k 5 9 13
Master EY
Master EY
 
Messaggi: 6696
Iscritto il: 9 lug 2015, 16:58
Località: Torino

0
voti

[9] Re: Semplice esercizio DIODI

Messaggioda Foto UtenteGabriele1991 » 15 apr 2018, 17:27

giusto 1,5 mA....
Ok ho capito, dunque analizzo le correnti nel nodo tra D1 D2 e la resistenza da 10k ohm, mi viene dunque una corrente positiva anche qui.
Quindi sono tutti e due in polarizzazione diretta! giusto?
Avatar utente
Foto UtenteGabriele1991
5 2
 
Messaggi: 13
Iscritto il: 5 apr 2015, 20:46

0
voti

[10] Re: Semplice esercizio DIODI

Messaggioda Foto UtenteMarcoD » 15 apr 2018, 17:32

1,5 mA....
ora è meno peggio, almeno l'ordine di grandezza è corretto.
Supponi che D2 manchi, calcola le tensioni dei due partitori e verifica se mettendolo va in conduzione... O_/
Avatar utente
Foto UtenteMarcoD
12,2k 5 9 13
Master EY
Master EY
 
Messaggi: 6696
Iscritto il: 9 lug 2015, 16:58
Località: Torino

Prossimo

Torna a Elettronica generale

Chi c’è in linea

Visitano il forum: Nessuno e 445 ospiti