Cos'è ElectroYou | Login Iscriviti

ElectroYou - la comunità dei professionisti del mondo elettrico

Semplice esercizio DIODI

Elettronica lineare e digitale: didattica ed applicazioni

Moderatori: Foto Utentecarloc, Foto Utenteg.schgor, Foto UtenteBrunoValente, Foto UtenteIsidoroKZ

1
voti

[11] Re: Semplice esercizio DIODI

Messaggioda Foto UtenteGabriele1991 » 15 apr 2018, 17:44

MarcoD ha scritto:
1,5 mA....
ora è meno peggio, almeno l'ordine di grandezza è corretto.
Supponi che D2 manchi, calcola le tensioni dei due partitori e verifica se mettendolo va in conduzione... O_/


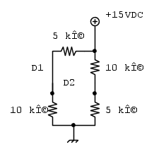
Se D2 manca allora la tensione in D2 è -5V, ciò conferma quindi che il diodo D2 è interdetto
Quindi il circuito equivalente corretto è
Avatar utente
Foto UtenteGabriele1991
5 2
 
Messaggi: 13
Iscritto il: 5 apr 2015, 20:46

0
voti

[12] Re: Semplice esercizio DIODI

Messaggioda Foto UtenteMarcoD » 15 apr 2018, 17:47

:ok:
Avatar utente
Foto UtenteMarcoD
12,2k 5 9 13
Master EY
Master EY
 
Messaggi: 6696
Iscritto il: 9 lug 2015, 16:58
Località: Torino

0
voti

[13] Re: Semplice esercizio DIODI

Messaggioda Foto UtenteGabriele1991 » 15 apr 2018, 17:49

MarcoD ha scritto::ok:


Grazie, mi avete tolto un bel dubbio O_/
Avatar utente
Foto UtenteGabriele1991
5 2
 
Messaggi: 13
Iscritto il: 5 apr 2015, 20:46

0
voti

[14] Re: Semplice esercizio DIODI

Messaggioda Foto UtenteMarcoD » 15 apr 2018, 17:54

Una mia curiosità:
Studi solo sui libri ?
Possiedi un multimetro e qualche componente ?

Se io fossi stato al tuo posto, con il tuo dubbio, nel giro di qualche minuto avrei montato il circuitino con i due diodi e i 4 resistori
e avrei misurato le tensioni, poi avrei giustificato con la teoria quanto rilevato.
Poi avrei girato i diodi e rilevato tutti i casi possibili. Avrei acquistato sicurezza.
Ma serve un poco di manualità, e un poco di passione nell'elettronica.
O_/
Avatar utente
Foto UtenteMarcoD
12,2k 5 9 13
Master EY
Master EY
 
Messaggi: 6696
Iscritto il: 9 lug 2015, 16:58
Località: Torino

0
voti

[15] Re: Semplice esercizio DIODI

Messaggioda Foto UtenteGabriele1991 » 15 apr 2018, 18:18

MarcoD ha scritto:Una mia curiosità:
Studi solo sui libri ?
Possiedi un multimetro e qualche componente ?

Se io fossi stato al tuo posto, con il tuo dubbio, nel giro di qualche minuto avrei montato il circuitino con i due diodi e i 4 resistori
e avrei misurato le tensioni, poi avrei giustificato con la teoria quanto rilevato.
Poi avrei girato i diodi e rilevato tutti i casi possibili. Avrei acquistato sicurezza.
Ma serve un poco di manualità, e un poco di passione nell'elettronica.
O_/


in caso volessi fare questo tipo di esperimenti quale sarebbe l'occorrente necessario? per esempio i valori di resistenze e di tensione applicata sono realistici?
Avatar utente
Foto UtenteGabriele1991
5 2
 
Messaggi: 13
Iscritto il: 5 apr 2015, 20:46

0
voti

[16] Re: Semplice esercizio DIODI

Messaggioda Foto Utentedimaios » 15 apr 2018, 18:21

Si, sono realistici ma non è realistico il diodo ideale.
Il diodo reale ai suoi capi ha una caduta di tensione diversa da zero ed una piccola resistenza in serie che puoi trascurare per l'esperimento.
Ingegneria : alternativa intelligente alla droga.
Avatar utente
Foto Utentedimaios
30,2k 7 10 12
G.Master EY
G.Master EY
 
Messaggi: 3381
Iscritto il: 24 ago 2010, 14:12
Località: Behind the scenes

0
voti

[17] Re: Semplice esercizio DIODI

Messaggioda Foto Utentedimaios » 15 apr 2018, 18:29

Un piccolo appunto.
Non hai spiegato perché deve essere scartata la prima soluzione dove D1 e D2 sono entrambi ipotizzati in conduzione.
E' ovviamente una situazione paradossale ma in un compito in classe o una interrogazione lo devi dire.
Ingegneria : alternativa intelligente alla droga.
Avatar utente
Foto Utentedimaios
30,2k 7 10 12
G.Master EY
G.Master EY
 
Messaggi: 3381
Iscritto il: 24 ago 2010, 14:12
Località: Behind the scenes

0
voti

[18] Re: Semplice esercizio DIODI

Messaggioda Foto UtenteMarcoD » 15 apr 2018, 18:32

Vai in un negozio di componenti elettronici per riparatori.
Un multimetro lo paghi 20 €, o forse solo 5 dai cinesi senza scontrino, e senza garanzia, ma probabilmente funzionante.
Diodi 1N4004, LED rossi li paghi 0,1 € l'uno ?. I resistori 1/2 watt 5 % li paghi 0,05 € ?
Un breadboard cosa meno di 10 €.
Cerca i componenti su RS Components e altri concorrenti.
alimentatore 12 V 1 A, recuperalo dai vari alimentatorini.

Se proprio vuoi risparmiare, comprati un saldatore ( 20 €?) e dissalda i componenti da vecchi apparati.

Almeno puoi misurare la batteria dell'auto e forse verificare quando il ferro da stiro è guasto.
O_/
Avatar utente
Foto UtenteMarcoD
12,2k 5 9 13
Master EY
Master EY
 
Messaggi: 6696
Iscritto il: 9 lug 2015, 16:58
Località: Torino

0
voti

[19] Re: Semplice esercizio DIODI

Messaggioda Foto Utentedimaios » 15 apr 2018, 18:41

MarcoD ha scritto: Un multimetro lo paghi 20 €, o forse solo 5 dai cinesi senza scontrino, e senza garanzia, ma probabilmente funzionante.


Lasciando per un momento stare le questioni fiscali non consiglio a Foto UtenteGabriele1991 di risparmiare troppo sul multimetro.
Infatti finché misura tensione in continua dell'ordine di qualche volt non succede nulla a parte la misura errata se lo strumento non funziona.
Siccome l'appetito vien mangiando e prima o poi i puntali vanno a finire nella presa della 230V o più in su non vorrei che gli isolamenti precari facessero il loro e ..... sapete benissimo cosa può succedere.

Un multimetro decente non costa molto per cui penso si possa fare un piccolo sforzo economico.
Ingegneria : alternativa intelligente alla droga.
Avatar utente
Foto Utentedimaios
30,2k 7 10 12
G.Master EY
G.Master EY
 
Messaggi: 3381
Iscritto il: 24 ago 2010, 14:12
Località: Behind the scenes

0
voti

[20] Re: Semplice esercizio DIODI

Messaggioda Foto UtenteGabriele1991 » 15 apr 2018, 19:18

dimaios ha scritto:Un piccolo appunto.
Non hai spiegato perché deve essere scartata la prima soluzione dove D1 e D2 sono entrambi ipotizzati in conduzione.
E' ovviamente una situazione paradossale ma in un compito in classe o una interrogazione lo devi dire.


perché analizzando il nodo tra D1 D2 e la resistenza da 10k ohm ho trovato la corrente che scorre su D2 positiva (quindi uscente dal nodo), ma questo vuol dire che la corrente scorre nel diodo dal catodo verso l'anodo dunque non corrisponde con la condizione di polarizzazione diretta.
Giusto?
Comunque comprai un multimetro da leroy merlin (una ventina di euro) con queste specifiche
Tensione corrente continua (CC) 0,001 - 600 V
Tensione corrente alternata (CA) 0,001 - 600 V
Corrente continua (CC) 10 ampere
Corrente alternata (CA) 10 ampere
Resistenza 2 (Ω)
Capacità 100 µ
Test di un diodo si
Test di continuità si
Protezione anti urto si
termometro si
Avatar utente
Foto UtenteGabriele1991
5 2
 
Messaggi: 13
Iscritto il: 5 apr 2015, 20:46

PrecedenteProssimo

Torna a Elettronica generale

Chi c’è in linea

Visitano il forum: Nessuno e 123 ospiti