da
setteali » 16 apr 2018, 23:18
lelerelele &
SerTom,
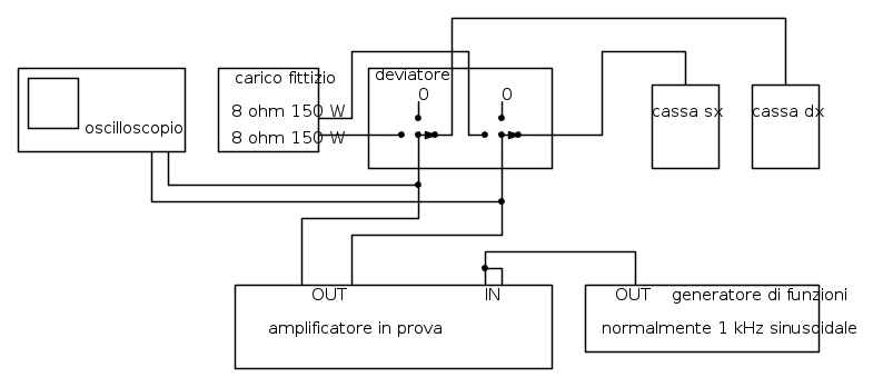
Ora come ora sto usando un segnale sinusoidale a 1 kHz , ma ho un generatore, il segnale è letto in uscita con un oscilloscopio Goldstar OS 9100P ( 100 MHz) su carico fittizio da 8 ohm , fatto con 3 resistenze corazzate da 50 W da 2,7 ohm in serie montate su dissipatore ( per canale); non voglio fare delle misure su un segnale audio reale, mi pare molto complesso.
Ho anche provato a leggere la corrente su una resistenza da 0,2 ohm (in genere )sugli emitter dei transistor finali oppure mettere una resistenza ulteriore da 0,2 ohm in serie all'uscita e poi fare il calcolo con la tensione p&p letta sull'oscilloscopio, ma è un sistema poco pratico .
Volevo fare un sistema da tenere sempre inserito oppure sotto deviatore che mi desse velocemente la potenza erogata dall'amplificatore , certamente non voglio stare a controllare tutta la gamma audio .
Sono convinto che così è un sistema non completo per testare un amplificatore, ma per ora e per un primo reso conto mi accontento, POI se c'è da ampliare il sistema di monitorare ulteriormente il responso dell'amplificatore, mi fa piacere poter approfondire .
