Buon giorno a valle di un ponte a diodi, per raddrizzare una tensione di rete convertita con trasformatore, mi chiedevo se era possibile connettere un regolatore lineare positivo in serie ad una resistenza di carico e ancora in serie ad un regolatore lineare negativo.
Ovviamente prevedendo regolatori lineari positivo/negativo, degli stessi valori nominali di tensione e corrente etc...
Grazie.
Regolatori lineari positivo negativo
Moderatori:
carloc,
g.schgor,
BrunoValente,
IsidoroKZ
31 messaggi
• Pagina 1 di 4 • 1, 2, 3, 4
2
voti
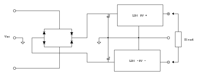
Sì, è possibile, però correggendo il disegno.
Questo è uno schema minimale che non tiene conto di eventuali capacità richieste in ingresso e uscita da alcuni tipi di regolatori di tensione.
Ho tolto il + e il -, inguardabili su ingressi di alternata.
Ho aggiunto sempre lato a.c. un ingresso per la presa centrale del trasformatore, da collegare a massa.
Ho corretto il verso di due diodi.
Ho aggiunto due condensatori elettrolitici di livellamento.
Ho aggiunto l'uscita di massa.
Il tutto diventa un alimentatore duale a tensioni fisse con massa in comune.
Si possono collegare carichi tra il positivo e la massa, tra la massa e il negativo, e tra il positivo e il negativo come esemplificato nello schema:
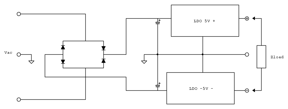
Questo è uno schema minimale che non tiene conto di eventuali capacità richieste in ingresso e uscita da alcuni tipi di regolatori di tensione.
Ho tolto il + e il -, inguardabili su ingressi di alternata.
Ho aggiunto sempre lato a.c. un ingresso per la presa centrale del trasformatore, da collegare a massa.
Ho corretto il verso di due diodi.
Ho aggiunto due condensatori elettrolitici di livellamento.
Ho aggiunto l'uscita di massa.
Il tutto diventa un alimentatore duale a tensioni fisse con massa in comune.
Si possono collegare carichi tra il positivo e la massa, tra la massa e il negativo, e tra il positivo e il negativo come esemplificato nello schema:
Big fan of ⋮ƎlectroYou! Ausili per disabili e anziani su ⋮ƎlectroYou
Caratteri utili: À È É Ì Ò Ó Ù α β γ δ ε η θ λ μ π ρ σ τ φ ω Ω º ª ² ³ √ ∛ ∜ ₀ ₁ ₂ ₃ ₄ ₅ ₆ ∃ ∄ ∆ ∈ ∉ ± ∓ ∾ ≃ ≈ ≠ ≤ ≥
Caratteri utili: À È É Ì Ò Ó Ù α β γ δ ε η θ λ μ π ρ σ τ φ ω Ω º ª ² ³ √ ∛ ∜ ₀ ₁ ₂ ₃ ₄ ₅ ₆ ∃ ∄ ∆ ∈ ∉ ± ∓ ∾ ≃ ≈ ≠ ≤ ≥
0
voti
Grazie, mi dispiace dello schema fatto di corsa e frettolosamente. Serviva solo ad inquadrare il problema.
Quindi mi confermi che è possibile e sicuro, far circolare una corrente uscente dal LDO positivo e farla rientrare su quella del LDO negativo senza problemi.
Una curiosità mi sorge: facendo rieferimento allo stesso schema se gli LDO (positivo / negativo) fossero di tipo ADJ. Se venisse imposto valore differente di tensione tra LDO positivo e quello LDO negativo che succederebbe in quel caso? E' ancora possibile? In termini di tensione sulla resistenza di carico si avrebbe sempre la differenza di tensione in uscita degli LDO (il che permetterebbe di avere valori differenti di uscita dei due canali)?
Quindi mi confermi che è possibile e sicuro, far circolare una corrente uscente dal LDO positivo e farla rientrare su quella del LDO negativo senza problemi.
Una curiosità mi sorge: facendo rieferimento allo stesso schema se gli LDO (positivo / negativo) fossero di tipo ADJ. Se venisse imposto valore differente di tensione tra LDO positivo e quello LDO negativo che succederebbe in quel caso? E' ancora possibile? In termini di tensione sulla resistenza di carico si avrebbe sempre la differenza di tensione in uscita degli LDO (il che permetterebbe di avere valori differenti di uscita dei due canali)?
-

Andrea454545
46 1 2 9 - Stabilizzato

- Messaggi: 472
- Iscritto il: 14 apr 2013, 11:42
0
voti
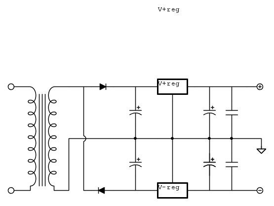
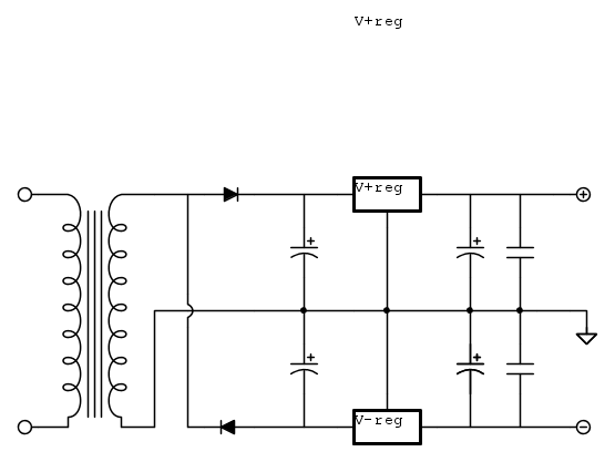
Sì, funziona anche impostando tensioni diverse sui rami positivo e negativo, e la tensione sul carico è pari alla somma delle tensioni dei due rami (in fin dei conti sono in serie).
Molto importante è collegare la presa centrale del trasformatore alla massa del circuito.
Molto importante è collegare la presa centrale del trasformatore alla massa del circuito.
Big fan of ⋮ƎlectroYou! Ausili per disabili e anziani su ⋮ƎlectroYou
Caratteri utili: À È É Ì Ò Ó Ù α β γ δ ε η θ λ μ π ρ σ τ φ ω Ω º ª ² ³ √ ∛ ∜ ₀ ₁ ₂ ₃ ₄ ₅ ₆ ∃ ∄ ∆ ∈ ∉ ± ∓ ∾ ≃ ≈ ≠ ≤ ≥
Caratteri utili: À È É Ì Ò Ó Ù α β γ δ ε η θ λ μ π ρ σ τ φ ω Ω º ª ² ³ √ ∛ ∜ ₀ ₁ ₂ ₃ ₄ ₅ ₆ ∃ ∄ ∆ ∈ ∉ ± ∓ ∾ ≃ ≈ ≠ ≤ ≥
0
voti
"Non farei mai parte di un club che accettasse la mia iscrizione" (G. Marx)
-

claudiocedrone
21,3k 4 7 9 - Master EY

- Messaggi: 15302
- Iscritto il: 18 gen 2012, 13:36
1
voti
Andrea454545 ha scritto: ...mi dispiace dello schema fatto di corsa e frettolosamente. Serviva solo ad inquadrare il problema... ...Quindi mi confermi che è possibile e sicuro, far circolare una corrente uscente dal LDO positivo e farla rientrare su quella del LDO negativo senza problemi...
GuidoB ha scritto: ...Molto importante è collegare la presa centrale del trasformatore alla massa del circuito...
Dato che si è capito ben poco
"Non farei mai parte di un club che accettasse la mia iscrizione" (G. Marx)
-

claudiocedrone
21,3k 4 7 9 - Master EY

- Messaggi: 15302
- Iscritto il: 18 gen 2012, 13:36
31 messaggi
• Pagina 1 di 4 • 1, 2, 3, 4
Chi c’è in linea
Visitano il forum: Google Adsense [Bot] e 52 ospiti

Elettrotecnica e non solo (admin)
Un gatto tra gli elettroni (IsidoroKZ)
Esperienza e simulazioni (g.schgor)
Moleskine di un idraulico (RenzoDF)
Il Blog di ElectroYou (webmaster)
Idee microcontrollate (TardoFreak)
PICcoli grandi PICMicro (Paolino)
Il blog elettrico di carloc (carloc)
DirtEYblooog (dirtydeeds)
Di tutto... un po' (jordan20)
AK47 (lillo)
Esperienze elettroniche (marco438)
Telecomunicazioni musicali (clavicordo)
Automazione ed Elettronica (gustavo)
Direttive per la sicurezza (ErnestoCappelletti)
EYnfo dall'Alaska (mir)
Apriamo il quadro! (attilio)
H7-25 (asdf)
Passione Elettrica (massimob)
Elettroni a spasso (guidob)
Bloguerra (guerra)







