Cos'è ElectroYou | Login Iscriviti

ElectroYou - la comunità dei professionisti del mondo elettrico

Regolatori lineari positivo negativo

Elettronica lineare e digitale: didattica ed applicazioni

Moderatori: Foto Utentecarloc, Foto Utenteg.schgor, Foto UtenteBrunoValente, Foto UtenteIsidoroKZ

0
voti

[11] Re: Regolatori lineari positivo negativo

Messaggioda Foto Utenteclaudiocedrone » 22 apr 2018, 18:37

Andrea454545 ha scritto: ...mi dispiace dello schema fatto di corsa e frettolosamente. Serviva solo ad inquadrare il problema... ...Quindi mi confermi che è possibile e sicuro, far circolare una corrente uscente dal LDO positivo e farla rientrare su quella del LDO negativo senza problemi...
GuidoB ha scritto: ...Molto importante è collegare la presa centrale del trasformatore alla massa del circuito...

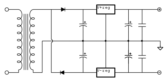
Dato che si è capito ben poco Foto UtenteAndrea454545, se per caso il tuo trasformatore non disponesse di secondario con presa centrale potresti ottenere una tensione duale non con un ponte raddrizzatore ma con due soli diodi, in questo modo
"Non farei mai parte di un club che accettasse la mia iscrizione" (G. Marx)
Avatar utente
Foto Utenteclaudiocedrone
21,3k 4 7 9
Master EY
Master EY
 
Messaggi: 15302
Iscritto il: 18 gen 2012, 13:36

0
voti

[12] Re: Regolatori lineari positivo negativo

Messaggioda Foto UtenteAndrea454545 » 22 apr 2018, 21:35

Grazie GuidoB per avermi dato conferma!
Si pensavo di utilizzare un trasformatore con presa centrale (mammamia quanto costano!!! :D ... soprattutto se di elevata potenza).

Lo schema di claudiocedrone molto interessante, in futuro voglio provare!
Avatar utente
Foto UtenteAndrea454545
46 1 2 9
Stabilizzato
Stabilizzato
 
Messaggi: 472
Iscritto il: 14 apr 2013, 11:42

1
voti

[13] Re: Regolatori lineari positivo negativo

Messaggioda Foto Utenteelfo » 22 apr 2018, 21:58

Andrea454545 ha scritto:se era possibile connettere un regolatore lineare positivo in serie ad una resistenza di carico e ancora in serie ad un regolatore lineare negativo

DarioDT ha scritto:Per comprendere meglio la domanda è meglio che fai uno schema con fidocad

BrunoValente ha scritto:Infatti non è chiaro quello che chiedi

Andrea454545 ha scritto:mi confermi che è possibile e sicuro, far circolare una corrente uscente dal LDO positivo e farla rientrare su quella del LDO negativo senza problemi

claudiocedrone ha scritto::? Non capisco... un carico collegato in quel modo se ne impipa che l'alimentazione sia duale o singola...

Andrea454545 ha scritto:Si pensavo di utilizzare un trasformatore con presa centrale (mammamia quanto costano!!! :D ... soprattutto se di elevata potenza)

Sei sicuro di voler comprare / sia necessario un trasformatore?

Se spieghi COSA vuoi fare e NON COME vuoi farlo (e dai qualche "numero" sulle tensioni / correnti / potenze in gioco) forse possiamo darti una risposta piu' "mirata"

P.S.
La cosa piu' "oscura" e' il perche' di una alimentazione duale per una resistenza
Avatar utente
Foto Utenteelfo
6.819 4 5 7
G.Master EY
G.Master EY
 
Messaggi: 2828
Iscritto il: 15 lug 2016, 13:27

0
voti

[14] Re: Regolatori lineari positivo negativo

Messaggioda Foto UtenteAndrea454545 » 22 apr 2018, 22:43

Ti do qualche numero: 0 / 30 v (max 3 A), 90 W. La resistenza è solo un carico di esempio o test.
Avatar utente
Foto UtenteAndrea454545
46 1 2 9
Stabilizzato
Stabilizzato
 
Messaggi: 472
Iscritto il: 14 apr 2013, 11:42

0
voti

[15] Re: Regolatori lineari positivo negativo

Messaggioda Foto Utenteelfo » 22 apr 2018, 22:54

Spannometricamente ti occorre un trasformatore 27 + 27 V 300 VA

Domande:

1) hai considerato di utilizzare due alimentatori switching al posto di trasformatore + diodi?
2) qual e' la ratio di utilizzare regolatori LDO?
3 hai calcolato quanto "calore" devi dissipare sugli LDO con 3 A in uscita?
Avatar utente
Foto Utenteelfo
6.819 4 5 7
G.Master EY
G.Master EY
 
Messaggi: 2828
Iscritto il: 15 lug 2016, 13:27

0
voti

[16] Re: Regolatori lineari positivo negativo

Messaggioda Foto UtenteAndrea454545 » 22 apr 2018, 23:02

La soluzione dello switching si l'ho presa in considerazione, ma forse prima è meglio cimentarsi con i lineari poi provare a rifare con switching (soprattutto per la potenzain gioco).

Per gli LDO prevedo transistore in parallelo da 7A (per stare sicuro).

p.s. Se si volesse fare un progetto dello switch, che riferimenti mi suggerisci? Così intanto mi documento e mi faccio venire qualche domanda di approfondimento da rivolgervi (sempre corstesemente) :D
Avatar utente
Foto UtenteAndrea454545
46 1 2 9
Stabilizzato
Stabilizzato
 
Messaggi: 472
Iscritto il: 14 apr 2013, 11:42

2
voti

[17] Re: Regolatori lineari positivo negativo

Messaggioda Foto Utenteelfo » 22 apr 2018, 23:13

Andrea454545 ha scritto:Per gli LDO prevedo transistore in parallelo da 7A (per stare sicuro).
[cut]Se si volesse fare un progetto dello switch

Lo switching si compra:

36 V 120 W circa 15 euro spedito

https://www.aliexpress.com/premium/swit ... isViewCP=y

Per l'LDO *non* spieghi perche' LDO
LDO + transistor in parallelo e' "volersi far male" :D
Avatar utente
Foto Utenteelfo
6.819 4 5 7
G.Master EY
G.Master EY
 
Messaggi: 2828
Iscritto il: 15 lug 2016, 13:27

3
voti

[18] Re: Regolatori lineari positivo negativo

Messaggioda Foto UtenteBrunoValente » 23 apr 2018, 11:16

Be', siamo al diciottesimo intervento e visto che finora nessuno lo ha fatto, vorrei chiedere per quale motivo si vorrebbe utilizzare un alimentatore duale per alimentare un carico.
Avatar utente
Foto UtenteBrunoValente
39,6k 7 11 13
G.Master EY
G.Master EY
 
Messaggi: 7796
Iscritto il: 8 mag 2007, 14:48

0
voti

[19] Re: Regolatori lineari positivo negativo

Messaggioda Foto UtenteGuidoB » 23 apr 2018, 14:11

A me era sembrata una curiosità puramente teorica, e ho risposto di conseguenza.

Solo all'intervento 12 ho cominciato a capire che forse l'OP vuole costruire qualcosa.

All'intervento 14 comincia a lasciar intravedere qualcosina:
Andrea454545 ha scritto:Ti do qualche numero: 0 / 30 v (max 3 A), 90 W. La resistenza è solo un carico di esempio o test.


A questo punto anch'io invito Foto UtenteAndrea454545 a "scoprire le carte".

Spiega bene che cosa vorresti fare e perché, se no rischiamo di perdere tutti un mucchio di tempo.
Tieni conto che la soluzione migliore potrebbe non essere quella che pensi tu. Conoscere le motivazioni permette a chi ti aiuta, sulla base della sua esperienza, di proporti soluzioni che magari non immagini.
Big fan of ƎlectroYou!       Ausili per disabili e anziani su ƎlectroYou
Caratteri utili: À È É Ì Ò Ó Ù α β γ δ ε η θ λ μ π ρ σ τ φ ω Ω º ª ² ³ √ ∛ ∜ ₀ ₁ ₂ ₃ ₄ ₅ ₆ ∃ ∄ ∆ ∈ ∉ ± ∓ ∾ ≃ ≈ ≠ ≤ ≥
Avatar utente
Foto UtenteGuidoB
17,8k 7 12 13
G.Master EY
G.Master EY
 
Messaggi: 2809
Iscritto il: 3 mar 2011, 16:48
Località: Madrid

0
voti

[20] Re: Regolatori lineari positivo negativo

Messaggioda Foto UtenteAndrea454545 » 23 apr 2018, 22:50

Se lo dico mi prendete in giro :D

Si tratta di realizzare un alimentatore, come primo approccio con regolatori lineari, poi magari in futuro cimentarsi anche con switching.
La cosa interessante è quella di fare i due canali (per la soluzione duale) e aggiungere piano piano anche funzioni di sicurezza (sovraccarico sovratensione) e misura delle tensioni correnti uscita.

Sicuramente comprarlo è soluzione semplice e più economica, ma non certo soddisfacente (gia lo ho). Vuoi mettere la soddisfazione di farlo uno tutto tuo (soprattutto nel sbagliare magari anche tutto e ripartire da zero quanto più ci si impara?).

Magari in prossimi post farò domande più mirate, in base anche ai problemi che trovo (sempre se non mi esplode tutto in faccia)

O_/
Avatar utente
Foto UtenteAndrea454545
46 1 2 9
Stabilizzato
Stabilizzato
 
Messaggi: 472
Iscritto il: 14 apr 2013, 11:42

PrecedenteProssimo

Torna a Elettronica generale

Chi c’è in linea

Visitano il forum: Nessuno e 49 ospiti