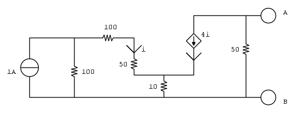
il testo dell'esercizio mi chiede di trovare l'equivalente di Thevenin per il seguente circuito:
Vi elenco il mio tentativo di svolgimento:
Per trovare la

Ho spento il generatore di corrente , ho utilizzato il teorema di Miller II sulla resistenza da 10 Omh
R = (1+4) * 10 = 50 Omh.
Ho unito le 2 resistenze in serie da 50 Omh:
Mi trovo i=0
= 50 OmhPer la
utilizzo nuovamente il teorema di Miller , in seguito il partitore di tensionei1 = 1 * 100/(200+100) = 1/3 A
4i1 = 4/3 A
= 50 * 4/3 = 200/3 VChiedo scusa per non aver usato il linguaggio Tex per i risultati , ma è passato un po' di tempo dall'ultima volta , non ricordo bene la sintassi.
Non sono sicuro dei risultati che ho ottenuto , per cui volevo chiedervi se ci sono degli errori e dei possibili suggerimenti futuri per la risoluzione di questo genere di circuiti , grazie

Elettrotecnica e non solo (admin)
Un gatto tra gli elettroni (IsidoroKZ)
Esperienza e simulazioni (g.schgor)
Moleskine di un idraulico (RenzoDF)
Il Blog di ElectroYou (webmaster)
Idee microcontrollate (TardoFreak)
PICcoli grandi PICMicro (Paolino)
Il blog elettrico di carloc (carloc)
DirtEYblooog (dirtydeeds)
Di tutto... un po' (jordan20)
AK47 (lillo)
Esperienze elettroniche (marco438)
Telecomunicazioni musicali (clavicordo)
Automazione ed Elettronica (gustavo)
Direttive per la sicurezza (ErnestoCappelletti)
EYnfo dall'Alaska (mir)
Apriamo il quadro! (attilio)
H7-25 (asdf)
Passione Elettrica (massimob)
Elettroni a spasso (guidob)
Bloguerra (guerra)









