Per un sistema portatile con batteria piombo +12V vorrei ottenere, con meno componenti possibile, almeno 80mA ma meglio 150mA a -12V (quindi circa 1W o 2W, considerando un rendimento non unitario).
Ho googlato tantissimo, trovando molte soluzioni che si avvicinano, ma niente come mi serve.
Una soluzione economica sarebbe il LT1026, che nelle "Typical Applications" propone una configurazione con due soli condensatori esterni, ma purtroppo accetta solo 10V massimi in input, mentre le batterie al piombo possono arrivare anche a 13,8/14V e essere ancora sfruttate anche sotto gli 11V.
Qualcuno ha qualche idea in proposito? Anche qualche schedina cinese sarebbe accettabile per me, ma preferirei qualche integrato da gestire su breadboard e poi su PCB.
Moltissime grazie a chi vorrà provare ad aiutarmi, eins.
Negative Voltage Converter da +12V a -12V 100mA
Moderatori:
carloc,
g.schgor,
BrunoValente,
IsidoroKZ
11 messaggi
• Pagina 1 di 2 • 1, 2
0
voti
Se ti accontenti di 100 mA potresti usare LT1054 e te la cavi con 2/3 condensatori oltre al chip
0
voti
Grazie BrunoValente, il LM2576 è senz'altro abbondante, solo mi frena un po' il numero di componenti da aggiungere e soprattutto l'induttanza, ma è forse per me una delle migliori vie per ora.
Grazie med90, ma sei sicuro che il LT1054 arrivi a produrre -12V? Nel datasheet ufficiale (punto 8.2 pag 13) vedo tra le Typical Applications una configurazione per -5V, si potranno ottenere anche -12V? Se sì, con quale formula?
Per quanto riguarda la corrente mi potrei accontentare, ma forse potrei anche metterne due in parallelo, raddoppiando così la corrente e dimezzando la resistenza di uscita. Lo ritieni possibile?
Ancora grazie, eins.
Grazie med90, ma sei sicuro che il LT1054 arrivi a produrre -12V? Nel datasheet ufficiale (punto 8.2 pag 13) vedo tra le Typical Applications una configurazione per -5V, si potranno ottenere anche -12V? Se sì, con quale formula?
Per quanto riguarda la corrente mi potrei accontentare, ma forse potrei anche metterne due in parallelo, raddoppiando così la corrente e dimezzando la resistenza di uscita. Lo ritieni possibile?
Ancora grazie, eins.
0
voti
Guarda pagina 10 primo circuito in alto a sinistra, fa da semplice invertitore di tensione.
Sono sicuro che dia i -12 V perché io nei miei circuito lo uso per ottenere -12 V partendo da +12 V
Sono sicuro che dia i -12 V perché io nei miei circuito lo uso per ottenere -12 V partendo da +12 V
0
voti
Sì, ottimo med90 grazie, penso che lo LT1054 mi vada benissimo, lo ordinerò subito e lo proverò nella semplice configurazione di Basic Voltage Inverter presa dal datasheet, come da te suggerito.
Vedo anche che si possono mettere in parallelo più di un chip per ottenere più corrente e meno resistenza d'uscita e per me questo è perfetto.
Per chi leggerà questo tread in seguito, segnalo anche che questo chip è pin to pin compatibile con lo LT1044 e gli ICL7660 e ICL7662, simili ma leggermente diversi.
Grazie a tutti, eins.
Vedo anche che si possono mettere in parallelo più di un chip per ottenere più corrente e meno resistenza d'uscita e per me questo è perfetto.
Per chi leggerà questo tread in seguito, segnalo anche che questo chip è pin to pin compatibile con lo LT1044 e gli ICL7660 e ICL7662, simili ma leggermente diversi.
Grazie a tutti, eins.
0
voti
1
voti
Ciao elfo, era proprio qualcosa del geenre che speravo di trovare, tra l'altro anche piuttosto economici, ma sbaglio o tutti e due quelli che mi hai segnalato danno in uscita +12V? E a me servono -12V. Forse il fatto che sono isolati mi permetterebbe di collegarli al contrario per ottenere i -12V rispetto alla stessa batteria che fornisce i -12V del loro ingresso? Credi che questo sarebbe possibile? Grazie della segnalazione.
2
voti
eins ha scritto: il fatto che sono isolati mi permetterebbe di collegarli al contrario per ottenere i -12V rispetto alla stessa batteria che fornisce i -12V del loro ingresso?
Garantito al limone!
1
voti
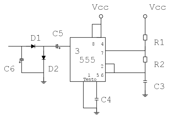
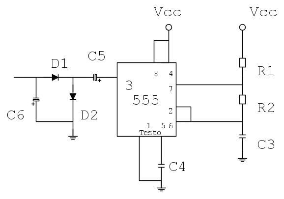
Non so se ti può interessare ...una volta su internet ho trovato un circuito per un termometro con icl7107 in cui la tensione negativa era ottenuta dai 12 V con un NE555; ti posto lo schema:
qui c è il link del progetto per i valori:
http://www.piergm.com/elettronica/termoliovoltm.htm
Provalo e se ti va bene...buon per te ...io alla fine avevo seguito un'altra opzione...
qui c è il link del progetto per i valori:
http://www.piergm.com/elettronica/termoliovoltm.htm
Provalo e se ti va bene...buon per te ...io alla fine avevo seguito un'altra opzione...

11 messaggi
• Pagina 1 di 2 • 1, 2
Chi c’è in linea
Visitano il forum: Nessuno e 148 ospiti

Elettrotecnica e non solo (admin)
Un gatto tra gli elettroni (IsidoroKZ)
Esperienza e simulazioni (g.schgor)
Moleskine di un idraulico (RenzoDF)
Il Blog di ElectroYou (webmaster)
Idee microcontrollate (TardoFreak)
PICcoli grandi PICMicro (Paolino)
Il blog elettrico di carloc (carloc)
DirtEYblooog (dirtydeeds)
Di tutto... un po' (jordan20)
AK47 (lillo)
Esperienze elettroniche (marco438)
Telecomunicazioni musicali (clavicordo)
Automazione ed Elettronica (gustavo)
Direttive per la sicurezza (ErnestoCappelletti)
EYnfo dall'Alaska (mir)
Apriamo il quadro! (attilio)
H7-25 (asdf)
Passione Elettrica (massimob)
Elettroni a spasso (guidob)
Bloguerra (guerra)






