venexian ha scritto: sono estrapolazioni di un solo operazionale in circuiti multi-reazionati nei quali il componente specifico non svolge la funzione di comparatore.
A3, an LM311 comparator which is set up as a zero crossing detector. The components in the positive feedback path at A3 insure a sharp transition.
Guarda il circuito e la descrizione completi al link gia' indicato nel post precedente
http://www.ti.com/lit/an/snoa597b/snoa597b.pdf pag 6
Il circuito (A3...a zero crossing detector) non mi sembra "multi-reazionato": e' solo che la reazione positiva e' "asimmetrica" nei due "versi" a causa del diodo.
venexian ha scritto:A tuo parere, visto 'che si fa', quale sarebbe la funzione di quel condensatore in un comparatore?
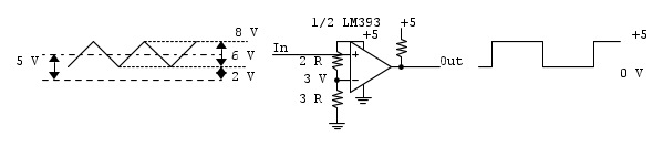
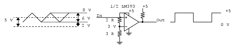
Il condensatore introduce una reazione positiva (che produce l'isteresi) solamente "nell'istante della transizione" *senza* "spostare" la "soglia di scatto" del comparatore (Schmitt trigger) - lo "zero crossing" del circuito precedente.
P.S. I circuiti che ho postato sono solo alcuni tra I tanti che puoi trovare facendo una ricerca in biblioteca / google

Elettrotecnica e non solo (admin)
Un gatto tra gli elettroni (IsidoroKZ)
Esperienza e simulazioni (g.schgor)
Moleskine di un idraulico (RenzoDF)
Il Blog di ElectroYou (webmaster)
Idee microcontrollate (TardoFreak)
PICcoli grandi PICMicro (Paolino)
Il blog elettrico di carloc (carloc)
DirtEYblooog (dirtydeeds)
Di tutto... un po' (jordan20)
AK47 (lillo)
Esperienze elettroniche (marco438)
Telecomunicazioni musicali (clavicordo)
Automazione ed Elettronica (gustavo)
Direttive per la sicurezza (ErnestoCappelletti)
EYnfo dall'Alaska (mir)
Apriamo il quadro! (attilio)
H7-25 (asdf)
Passione Elettrica (massimob)
Elettroni a spasso (guidob)
Bloguerra (guerra)









