il sistema era cosi costituito:
- sensore LM35
-circuito di filtraggio (per eleiminare variazioni improvvise del segnale)
- comparatore ad isteresi
- circuito di pilotaggio (sostanzialmente costituiro da BJT on off)
- attuatori (2 ventole 200 mA 12 V) connesse in parallelo fra loro
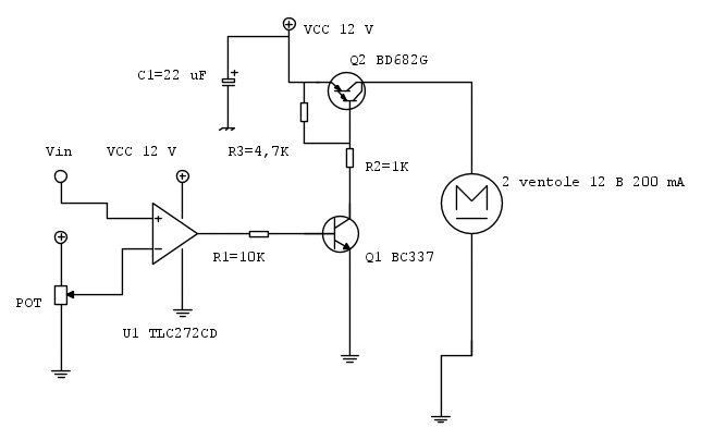
Il mio dubbio riguarda la parte finale pilotaggio piu attuatore, di cui allego il circuito:
il circuito è formato da un semplice comparatore ad anello aperto il quale confronta una tensione in ingresso (uscita sensore) con una di riferimento (ottenuta tramite un trimmer) ed il segnale in uscita tramite un circuito di pilotaggio dovrebbe comandare le ventole.
ho simulato il circuito tramite il multisim (inserendo a valle di Q2 un rele) ed il circuito ha funzionato e quindi non ci dovrebbero essere problemi.
Tuttavia non riesco a capire come mai colui che ha realizzato il circuito ha utilizzato un BJT NPN per pilotare un PNP darlington; seconde me, ma vorrei avere delle conferme, potrebbe essere più semplice comandare le ventole direttamente con un PNP opportunamente collegato.
qualcuno potrebbe risolvere questo dubbio. Grazie mille e buona domenica.


Elettrotecnica e non solo (admin)
Un gatto tra gli elettroni (IsidoroKZ)
Esperienza e simulazioni (g.schgor)
Moleskine di un idraulico (RenzoDF)
Il Blog di ElectroYou (webmaster)
Idee microcontrollate (TardoFreak)
PICcoli grandi PICMicro (Paolino)
Il blog elettrico di carloc (carloc)
DirtEYblooog (dirtydeeds)
Di tutto... un po' (jordan20)
AK47 (lillo)
Esperienze elettroniche (marco438)
Telecomunicazioni musicali (clavicordo)
Automazione ed Elettronica (gustavo)
Direttive per la sicurezza (ErnestoCappelletti)
EYnfo dall'Alaska (mir)
Apriamo il quadro! (attilio)
H7-25 (asdf)
Passione Elettrica (massimob)
Elettroni a spasso (guidob)
Bloguerra (guerra)





