Salve
Ho un problema semplice al quale non riesco a trovare una soluzione.
Al PC uso gli auricolari con microfono per ascoltare e comunicare, gli stessi che uso al cellulare, vorrei un adattatore/mixer/miscelatore/quellocheè per sentire con gli auricolari, contemporaneamente, sia il PC che il cellulare, così da non attaccare e staccare ogni 5 minuti quando mi arriva una telefonata.
Il problema dei mini-mixer che ho trovato è che sono tutti stereo, nessuno contempla lo spinotto TRRS con microfono.
Qualcuno ha qualche aggeggio da consigliarmi o qualche idea geniale che non ho avuto?
Grazie mille
Mixer per auricolari TRRS
Moderatori:
carloc,
g.schgor,
BrunoValente,
IsidoroKZ
11 messaggi
• Pagina 1 di 2 • 1, 2
0
voti
0
voti
0
voti
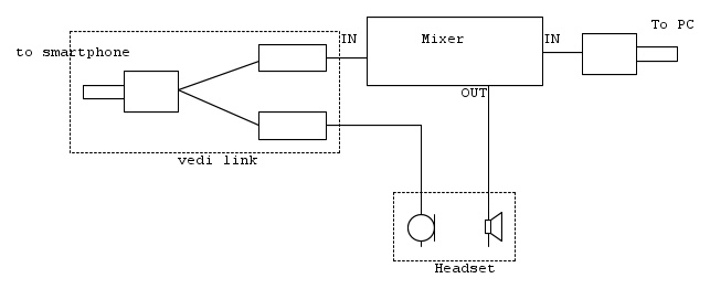
in questo schema non sembra connesso il microfono al PC, è semplicemente diviso il L/R dal microfono e attaccato il microfono solo al cellulare, mi serve che il microfono funzioni anche al PC
0
voti
Slash23 ha scritto:vorrei un adattatore/mixer/miscelatore/quellocheè per sentire con gli auricolari, contemporaneamente, sia il PC che il cellulare
Slash23 ha scritto:in questo schema non sembra connesso il microfono al PC, è semplicemente diviso il L/R dal microfono e attaccato il microfono solo al cellulare, mi serve che il microfono funzioni anche al PC
Dove avevi scritto, nel primo post, che il microfono deve andare anche al PC?
0
voti
elfo ha scritto:Slash23 ha scritto:vorrei un adattatore/mixer/miscelatore/quellocheè per sentire con gli auricolari, contemporaneamente, sia il PC che il cellulareSlash23 ha scritto:in questo schema non sembra connesso il microfono al PC, è semplicemente diviso il L/R dal microfono e attaccato il microfono solo al cellulare, mi serve che il microfono funzioni anche al PC
Dove avevi scritto, nel primo post, che il microfono deve andare anche al PC?
qui --- > "Al PC uso gli auricolari con microfono per ascoltare e comunicare"
0
voti
0
voti
in effetti il microfono può essere splittato semplicemente, allora a questo punto potrei fare con 3 splitter a Y, uno TRS e due TRRS e risparmiare il mixer
0
voti
Il left/right dello smartphone va nel "line in" della scheda audio, basta attivare nel mixer windows di tenere il "line in" sempre in ascolto, in pratica userei il mixer della scheda audio al posto di quello fisico
0
voti
la follia è che non esiste uno splitter stereo a Y che copi il segnale della femmina stereo nei due maschi stereo, quello che hai linkato è uno splitter femmina TRRS a 2 maschi TRS che seguono lo schema TRRS per dividere il segnale del microfono e delle casse cosi come tutti quelli che ho trovato
11 messaggi
• Pagina 1 di 2 • 1, 2
Chi c’è in linea
Visitano il forum: Nessuno e 88 ospiti

Elettrotecnica e non solo (admin)
Un gatto tra gli elettroni (IsidoroKZ)
Esperienza e simulazioni (g.schgor)
Moleskine di un idraulico (RenzoDF)
Il Blog di ElectroYou (webmaster)
Idee microcontrollate (TardoFreak)
PICcoli grandi PICMicro (Paolino)
Il blog elettrico di carloc (carloc)
DirtEYblooog (dirtydeeds)
Di tutto... un po' (jordan20)
AK47 (lillo)
Esperienze elettroniche (marco438)
Telecomunicazioni musicali (clavicordo)
Automazione ed Elettronica (gustavo)
Direttive per la sicurezza (ErnestoCappelletti)
EYnfo dall'Alaska (mir)
Apriamo il quadro! (attilio)
H7-25 (asdf)
Passione Elettrica (massimob)
Elettroni a spasso (guidob)
Bloguerra (guerra)




