Circuito con generatore indipendente di corrente
Moderatori:
g.schgor,
IsidoroKZ
20 messaggi
• Pagina 1 di 2 • 1, 2
2
voti
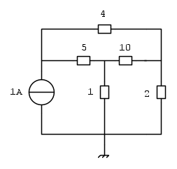
Buongiorno a tutti. Nel circuito in figura dovrei, tramite analisi nodale, trovare la tensione dell'unico ramo in cui è segnata. Il problema è che mi ritrovo poi sempre con più incognite che equazioni dopo aver applicato Kirchhoff e la legge di Ohm e non so come procedere in certi casi. Grazie in anticipo
-

allestrato
25 3 - Messaggi: 6
- Iscritto il: 13 lug 2016, 21:08
2
voti
Allora. Partivo scegliendo come riferimento il nodo in basso per comodità. Numerando i nodi in modo orario,e facendo lo stesso per le correnti,agli altri nodi trovo:



Applicando la legge di ohm avrò :
1)
2)
3)
Provando a semplificare poi mi ritrovo sempre al punto morto di avere più incognite che equazioni. Scusate il ritardo ma non ricordavo più latex .
P.S pensavo anch'io di fare il passaggio stella-triangolo, ma il libro va per capitoli e ad ognuno da una metodologia di risoluzione, quindi forse non è quello il modo che vuol far utilizzare.



Applicando la legge di ohm avrò :
1)

2)

3)

Provando a semplificare poi mi ritrovo sempre al punto morto di avere più incognite che equazioni. Scusate il ritardo ma non ricordavo più latex .
P.S pensavo anch'io di fare il passaggio stella-triangolo, ma il libro va per capitoli e ad ognuno da una metodologia di risoluzione, quindi forse non è quello il modo che vuol far utilizzare.
-

allestrato
25 3 - Messaggi: 6
- Iscritto il: 13 lug 2016, 21:08
4
voti
1
voti
Potresti iniziare ridisegnando il circuito prendendo come nodo di riferimento il seguente:
In circuiti del genere mi sembra più appropriato applicare la KVL.
Ci sono tre anelli , di cui in uno la corrente è data dal generatore indipendente, quindi basta trovare le altre due correnti di anello incognite:

Applico la KVL al secondo anello:

Risolvo per
:

Applico la KVL al terzo anello:

Risolvo per

Sostituisco i valori di
e 
nell'ultima espressione:

Risolvo ancora per
:

Infine moltiplico per 4 e ho la tensione richiesta:

In circuiti del genere mi sembra più appropriato applicare la KVL.
Ci sono tre anelli , di cui in uno la corrente è data dal generatore indipendente, quindi basta trovare le altre due correnti di anello incognite:

Applico la KVL al secondo anello:

Risolvo per
:
Applico la KVL al terzo anello:

Risolvo per


Sostituisco i valori di
e 
nell'ultima espressione:

Risolvo ancora per
:
Infine moltiplico per 4 e ho la tensione richiesta:

0
voti
Grazie a tutti, avevo sbagliato ad impostare il sistema probabilmente. Alla fine ho proceduto con le equazioni scritte da Ianero ed applicato la regola di Cramer. L'altra soluzione sembra molto più veloce però, anche se non avrei pensato al spostare i componenti e girare il circuito. In effetti così sembra molto più comodo
-

allestrato
25 3 - Messaggi: 6
- Iscritto il: 13 lug 2016, 21:08
7
voti
Io, facendo riferimento allo schema di
Ianero, per non vincere facile, applicherei l' EET (a R3)
... calcolando:
il "guadagno" con
infinita, immediato,

la resistenza
, "vista" dal generatore di corrente ausiliario
, scelto in modo da annullare l'uscita,

e la resistenza
, "vista" dai morsetti della
, con ingresso
nullo

ed infine, applicando la relazione fondamentale del teorema dell' EET,

il "guadagno" con
infinita, immediato,
la resistenza
, "vista" dal generatore di corrente ausiliario
, scelto in modo da annullare l'uscita,
e la resistenza
, "vista" dai morsetti della
, con ingresso
nullo
ed infine, applicando la relazione fondamentale del teorema dell' EET,

"Il circuito ha sempre ragione" (Luigi Malesani)
6
voti
Sempre della serie "per non vincere facile" io applicherei Rosenstark
Scelgo R3 come pilotato rispetto a cui calcolare il rapporto di ritorno.
Per R3 che tende a infinito:

Per R3 che tende a zero:

Rapporto di ritorno:



Questo circuito è retroazionato
Scelgo R3 come pilotato rispetto a cui calcolare il rapporto di ritorno.
Per R3 che tende a infinito:

Per R3 che tende a zero:

Rapporto di ritorno:



Questo circuito è retroazionato
mark
20 messaggi
• Pagina 1 di 2 • 1, 2
Torna a Elettrotecnica generale
Chi c’è in linea
Visitano il forum: Nessuno e 43 ospiti

Elettrotecnica e non solo (admin)
Un gatto tra gli elettroni (IsidoroKZ)
Esperienza e simulazioni (g.schgor)
Moleskine di un idraulico (RenzoDF)
Il Blog di ElectroYou (webmaster)
Idee microcontrollate (TardoFreak)
PICcoli grandi PICMicro (Paolino)
Il blog elettrico di carloc (carloc)
DirtEYblooog (dirtydeeds)
Di tutto... un po' (jordan20)
AK47 (lillo)
Esperienze elettroniche (marco438)
Telecomunicazioni musicali (clavicordo)
Automazione ed Elettronica (gustavo)
Direttive per la sicurezza (ErnestoCappelletti)
EYnfo dall'Alaska (mir)
Apriamo il quadro! (attilio)
H7-25 (asdf)
Passione Elettrica (massimob)
Elettroni a spasso (guidob)
Bloguerra (guerra)























