Cos'è ElectroYou | Login Iscriviti

ElectroYou - la comunità dei professionisti del mondo elettrico

Circuito con generatore indipendente di tensione

Circuiti, campi elettromagnetici e teoria delle linee di trasmissione e distribuzione dell’energia elettrica

Moderatori: Foto Utenteg.schgor, Foto UtenteIsidoroKZ

0
voti

[1] Circuito con generatore indipendente di tensione

Messaggioda Foto Utenteallestrato » 12 giu 2018, 18:29


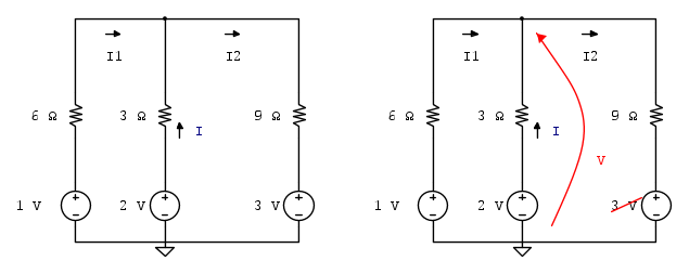
Ciao a tutti. In un circuito del genere com'è consigliato agire? Avevo provato a prendere come riferimento il nodo in basso e applicato la LKC al nodo centrale in alto, ottenendo:
I = {I_1-I_2}
Sostituivo le tensioni con le correnti ottenendo
I=  \frac {V_1-V_3}{3}-\frac {V_3-V_2}{2}, che mi dava una corrente scorretta. Dove sbaglio? Ne sto facendo diversi sulla falsariga di questi ma dopo un po' mi perdo e non riesco a capire l'errore
Avatar utente
Foto Utenteallestrato
25 3
 
Messaggi: 6
Iscritto il: 13 lug 2016, 21:08

1
voti

[2] Re: Circuito con generatore indipendente di tensione

Messaggioda Foto UtenteIlGuru » 12 giu 2018, 18:31

Sarebbe I + I_1 = I_2 o I = I_2 - I_1
\Gamma\nu\tilde{\omega}\theta\i\ \sigma\epsilon\alpha\upsilon\tau\acute{o}\nu
Avatar utente
Foto UtenteIlGuru
5.482 2 10 13
G.Master EY
G.Master EY
 
Messaggi: 1924
Iscritto il: 31 lug 2015, 23:32

2
voti

[3] Re: Circuito con generatore indipendente di tensione

Messaggioda Foto Utentegac » 12 giu 2018, 19:18

Mi pare di capire che tu voglia adoperare il metodo dei potenziali ai nodi. Oltre alla definizione del ground deve condiderare anche un altro potenziale (che io ho chiamato A)


A questo punto ottieni - considerando i versi di corrente da te indicati
I_1 = \frac{-A + 1 \, \text{V}}{6 \, \Omega}
I = \frac{-A + 2 \, \text{V}}{3 \, \Omega}
I_2 = \frac{A - 3 \, \text{V}}{(2 + 7) \, \Omega}

Applicando la KCL sul nodo in alto
I_1 + I - I_2 = 0
e sostituendo i valori ottenuti con analisi nodali, ricavi un potenziale al nodo
A = \frac{\frac{ 1 \, \text{V}}{6 \, \Omega} + \frac{2 \, \text{V}}{3 \, \Omega} + \frac{3 \, \text{V}}{(2 + 7) \, \Omega}}{\frac{1}{6 \, \Omega} + \frac{1}{3 \, \Omega} + \frac{1}{(2 + 7) \, \Omega}} = \frac{21}{11} \, \text{V}
che è sostanzialmente lo stesso risultato ottenibile applicando la formula di Millman.
Sostituendo A nelle equazioni ottieni i valori di corrente
I_1 = - \frac{5}{33} \, \text{A}
I = \frac{1}{33} \, \text{A}
I_2 = - \frac{4}{33} \, \text{A}
verifica finale
I_1 + I - I_2 = \frac{1}{33} \cdot [-5 + 1 -(-4)] \, \text{A} = 0 \, \text{A}
Avatar utente
Foto Utentegac
925 3 6
Frequentatore
Frequentatore
 
Messaggi: 216
Iscritto il: 8 dic 2015, 22:29

5
voti

[4] Re: Circuito con generatore indipendente di tensione

Messaggioda Foto UtentePietroBaima » 12 giu 2018, 20:14

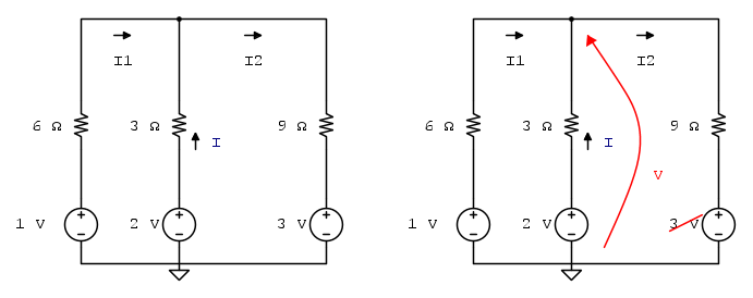
Scriviamo la rete in bella, poi identifichiamo la tensione V.



Vario il generatore identificato dalla stanghetta rossa, che chiamo E3.

Se I=0, chiaramente V=2 V e I1=I2=-1/6 A. E3 dovrebbe valere E_3=2 V+ 9\Omega \cdot  \frac{1}{6} A= \frac{7}{2} V

Se invece V=0, I1=1/6 A, I=2/3 A e I_2=\frac{1}{6} A+\frac{2}{3} A= \frac{5}{6} A. E3 dovrebbe valere E_3=- 9\Omega \cdot  \frac{5}{6} A= -\frac{15}{2} V

Posso quindi scrivere

\frac{I-0}{3-\frac{7}{2}}=\frac{I-\frac{2}{3}}{3+\frac{15}{2}}

che risolta fa I=1/33 A, come già ricavato con altro metodo.
Generatore codice per articoli:
nomi
Sul forum:
[pigreco]=π
[ohm]=Ω
[quadrato]=²
[cubo]=³
Avatar utente
Foto UtentePietroBaima
90,7k 7 12 13
G.Master EY
G.Master EY
 
Messaggi: 12206
Iscritto il: 12 ago 2012, 1:20
Località: Londra

0
voti

[5] Re: Circuito con generatore indipendente di tensione

Messaggioda Foto Utenteallestrato » 13 giu 2018, 10:59

Grazie mille a tutti. Comincio ad avere un po' più di chiarezza. Foto Utentegac Non ho capito come hai fatto a ricavare il potenziale A, se tramite formula di Millman o cosa.
Foto UtentePietroBaima Sostanzialmente hai usato LKT o sbaglio?
Mi rendo conto di avere lacune di teoria più gravi del previsto e che devo riuscire a colmare al più presto
Avatar utente
Foto Utenteallestrato
25 3
 
Messaggi: 6
Iscritto il: 13 lug 2016, 21:08

2
voti

[6] Re: Circuito con generatore indipendente di tensione

Messaggioda Foto Utentegac » 13 giu 2018, 11:11

Ho sostituito i valori delle correnti nella KCL al nodo superiore, ho lasciato da un lato dell'equazione tutti i termini con A, dall'altro lato i termini noti. Il risultato è lo stesso che otterresti adoperando la formula di Millman.
Avatar utente
Foto Utentegac
925 3 6
Frequentatore
Frequentatore
 
Messaggi: 216
Iscritto il: 8 dic 2015, 22:29

4
voti

[7] Re: Circuito con generatore indipendente di tensione

Messaggioda Foto UtentePietroBaima » 13 giu 2018, 11:43

allestrato ha scritto:Foto UtentePietroBaima Sostanzialmente hai usato LKT o sbaglio?

No, ho usato la doppia falsa posizione.
Praticamente scegli uno dei generatori indipendenti, quello che ti fa più comodo e lo contrassegni. (io ho scelto E3).

Poi fai una falsa posizione su una grandezza qualunque della rete (per esempio io ho scelto I=0) e calcoli quanto dovrebbe valere il generatore indipendente che ti sei scelto. Se la grandezza che hai scelto come falsa posizione non corrisponde alla grandezza che vuoi calcolare, allora devi calcolare anche quella (avendo io però scelto I=0, che è la grandezza che ci interessa, non ho dovuto farlo).

Poi ripeti la falsa posizione di nuovo su un'altra grandezza (per esempio io ho scelto come seconda falsa posizione V=0, da cui era immediato calcolare I e E3)

A questo punto risolvi la proporzione:

\frac{I-I_{primo caso}}{E3_{dato dall'esercizio}-E3_{primo caso}}=\frac{I-I_{secondo caso}}{E3_{dato dall'esercizio}-E3_{secondo caso}}

Fai prima a farlo che a spiegarlo :D
Generatore codice per articoli:
nomi
Sul forum:
[pigreco]=π
[ohm]=Ω
[quadrato]=²
[cubo]=³
Avatar utente
Foto UtentePietroBaima
90,7k 7 12 13
G.Master EY
G.Master EY
 
Messaggi: 12206
Iscritto il: 12 ago 2012, 1:20
Località: Londra

1
voti

[8] Re: Circuito con generatore indipendente di tensione

Messaggioda Foto Utenteallestrato » 13 giu 2018, 12:46

PietroBaima ha scritto:No, ho usato la doppia falsa posizione.

Non conoscevo questo metodo. Ho trovato adesso un articolo scritto benissimo sul blog che lo spiega e sembra decisamente utile. Me lo studierò meglio. Grazie per avermelo fatto scoprire
Avatar utente
Foto Utenteallestrato
25 3
 
Messaggi: 6
Iscritto il: 13 lug 2016, 21:08

0
voti

[9] Re: Circuito con generatore indipendente di tensione

Messaggioda Foto UtentePietroBaima » 13 giu 2018, 13:29

Ottimo, mi fa piacere esserti stato utile. :ok:
Generatore codice per articoli:
nomi
Sul forum:
[pigreco]=π
[ohm]=Ω
[quadrato]=²
[cubo]=³
Avatar utente
Foto UtentePietroBaima
90,7k 7 12 13
G.Master EY
G.Master EY
 
Messaggi: 12206
Iscritto il: 12 ago 2012, 1:20
Località: Londra

2
voti

[10] Re: Circuito con generatore indipendente di tensione

Messaggioda Foto Utentegac » 16 giu 2018, 13:46

Per la serie "metodi alternativi" propongo la risoluzione con l'Extra Element Theorem, rimuovendo R_1, che sarà trattato come un cortocircuito.



Si supponga di voler calcolare

I = I_0 \frac{1 + \frac{R_1}{R_n}}{1 + \frac{R_1}{R_d}}

Si può facilmente ricavare un valore per la corrente I_0 con R_1 sostituita da un cortocircuito I_0 = \frac{V_2 - V_1}{R_2} = \frac{1}{3} \, \text{A}.
La resistenza equivalente a denominatore - sostanzialmente quella di Thevenin - risulta R_d = R_2 \parallel R_3 = (3 \parallel 9) \, \Omega = \frac{9}{4} \, \Omega

Per quanto concerne il calcolo di R_n, la resistenza equivalente ottenuta mantenendo i generatori accesi ed annullando l'uscita (I = 0), si scrive il seguente circuito, ottenuto sapendo che la differenza di potenziale ai capi di R_2 è nulla.



Avendo inserito un generatore di prova, la resistenza equivalente è calcolata come

R_n = \frac{V_p}{I_p}

con I_p = I_2 = \frac{V_2 - V_3}{R_3}
e V_p = V_2 - V_1. Sostituendo i valori nell'equazione si ottiene

R_n = -9 \, \Omega

A questo punto ricaviamo la corrente incognita

I = \frac{1}{3} \frac{1 + \frac{6}{-9}}{1 + \frac{6}{\frac{9}{4}}} = \frac{1}{33} \, \text{A}

Il risultato è lo stesso ricavato precedentemente.
Avatar utente
Foto Utentegac
925 3 6
Frequentatore
Frequentatore
 
Messaggi: 216
Iscritto il: 8 dic 2015, 22:29


Torna a Elettrotecnica generale

Chi c’è in linea

Visitano il forum: Nessuno e 63 ospiti