Salve a tutti
Ho bisogno d'interfacciare un sensore ACS712 (versione 20A)ad un micro per rilevare il passaggio di corrente ma anche per misurare la quantità di corrente in gioco.
Il carico minimo da rilevare è di 20W in alternata e il carico massimo 2300 W sempre AC
Il micro che penso di utilizzare (16f1503) al suo interno ha un AD da 10bit.
Per voi quale è la soluzione circuitale migliore da adottare ?
Interfacciare ACS712 controllo e misura corrente AC
Moderatore:
Paolino
0
voti
L'ACS712 è un "bel" componente ... ma non fa i miracoli ...
Con un componente che ha un fondoscala di 20A vorresti rilevare 80mA ovvero meno dell'1%. Peccato che il solo sensore abbia 1,5% di errore.
Per rendere meglio l'idea ... il sensore eroga 100mV/A ma ha un rumore di 11mV ... in pratica il tuo segnale da rilevare è minore del rumore.
E non parliamo del fatto che tu vorresti fare una misura in alternata ...
Come intendi procedere ? Rilevi il picco, speri che la corrente sia perfettamente sinusoidale, e poi lavori di matematica ?
Oppure fai almeno 1000 campioni al secondo, leggi il valore di picco e poi ricostruisci matematicamente il valore efficace ?
Che ne dici poi del tuo ADC da 10 bit (1024 punti) ... che spalmati su una scala di ±20A ti darebbero una risoluzione (bada: non precisione) di circa 40mA ?
Infine, ti basta il valore di corrente ? perché se vuoi calcolare la potenza dovresti leggere anche la tensione e pure lo sfasamento con la corrente.
Bye
Ser.Tom
Con un componente che ha un fondoscala di 20A vorresti rilevare 80mA ovvero meno dell'1%. Peccato che il solo sensore abbia 1,5% di errore.
Per rendere meglio l'idea ... il sensore eroga 100mV/A ma ha un rumore di 11mV ... in pratica il tuo segnale da rilevare è minore del rumore.
E non parliamo del fatto che tu vorresti fare una misura in alternata ...
Come intendi procedere ? Rilevi il picco, speri che la corrente sia perfettamente sinusoidale, e poi lavori di matematica ?
Oppure fai almeno 1000 campioni al secondo, leggi il valore di picco e poi ricostruisci matematicamente il valore efficace ?
Che ne dici poi del tuo ADC da 10 bit (1024 punti) ... che spalmati su una scala di ±20A ti darebbero una risoluzione (bada: non precisione) di circa 40mA ?
Infine, ti basta il valore di corrente ? perché se vuoi calcolare la potenza dovresti leggere anche la tensione e pure lo sfasamento con la corrente.
Bye
Ser.Tom0
voti
Grazie SerTom di avermi risposto.
Condivido in pieno le tue parole .
Intanto ho fatto un po' di prove cercando di amplificare il segnale proveniente dal sensore ACS712 20A con carico alternato di 50mA . Dopo un amplificazione di 48 volte riuscivo ad avere un segnale di 50 mV in ingresso verso l' AD. Ma l'AD non riesce a leggere i 50mV neanche 100mV allora ho pensato di impostare una Vref+ AD esterna a 2.5V neanche con questo ho risolto il problema di lettura che dall'uscita seriale rimane sempre a valore 0.
Dopo tutte queste prove penso che non posso utilizzare il sensore ACS712 20A per rilevare un carico minimo di 10/20W in alternata.
La mia esigenza principale è rilevare la presenza carico da un minimo di 10W ad un massimo di 2300W per la misura di corrente potrei farne anche a meno .
Avevo pensato di utilizzare una serie di diodi e sfruttare la caduta di tensione ma diodi da 20A costano parecchio
Vi viene in mente un'altra idea ?
Si potrebbe utilizzare anche un trasformatore di corrente .
Condivido in pieno le tue parole .
Intanto ho fatto un po' di prove cercando di amplificare il segnale proveniente dal sensore ACS712 20A con carico alternato di 50mA . Dopo un amplificazione di 48 volte riuscivo ad avere un segnale di 50 mV in ingresso verso l' AD. Ma l'AD non riesce a leggere i 50mV neanche 100mV allora ho pensato di impostare una Vref+ AD esterna a 2.5V neanche con questo ho risolto il problema di lettura che dall'uscita seriale rimane sempre a valore 0.
Dopo tutte queste prove penso che non posso utilizzare il sensore ACS712 20A per rilevare un carico minimo di 10/20W in alternata.
La mia esigenza principale è rilevare la presenza carico da un minimo di 10W ad un massimo di 2300W per la misura di corrente potrei farne anche a meno .
Avevo pensato di utilizzare una serie di diodi e sfruttare la caduta di tensione ma diodi da 20A costano parecchio
Vi viene in mente un'altra idea ?
Si potrebbe utilizzare anche un trasformatore di corrente .
-

Sapientino
10 4 - New entry

- Messaggi: 51
- Iscritto il: 8 dic 2009, 12:07
0
voti
Sapientino ha scritto:Intanto ho fatto un po' di prove cercando di amplificare il segnale proveniente dal sensore ACS712 20A con carico alternato di 50mA . Dopo un amplificazione di 48 volte riuscivo ad avere un segnale di 50 mV in ingresso verso l' AD. Ma l'AD non riesce a leggere i 50mV neanche 100mV
ACS712: Not for New Design
La sensibilita' - come scrive
50 mA -> 5 mV
5 mV * 48 = 240 mV
- Con cosa hai misurato I "50 mV in ingresso verso l' AD" ? (avresti dovuti avere 240 mV)
- Hai provato a mettere 240 mV in continua (pila da 1.5 V con partitore) all'ingresso dell' AD?
Se lo fai quanto leggi?
Per le altre domande, prima rispondi a queste
0
voti
Sapientino ha scritto:... ho fatto un po' di prove cercando di amplificare il segnale proveniente dal sensore ACS712 20A ...
...
La mia esigenza principale è rilevare la presenza carico da un minimo di 10W ad un massimo di 2300W...
...
Avevo pensato di utilizzare una serie di diodi e sfruttare la caduta di tensione...
... Si potrebbe utilizzare anche un trasformatore di corrente .
Scusami
Allora, se già il sensore ha un certo errore tale da rende impossibile la rilevazione di bassi valori ... cosa cavolo vai ad amplificare ? Ovvero ad aggiungere altro errore ?
10/2300 = 0,004 ovvero 4 millesimi ... come dire che col metro da sarta vuoi misurare 4mm ... e magari pretendere la precisione di 1mm
Diodi ? Guardati il grafico V/I di un diodo ...
Trasformatori ? Per farci cosa ... ridurre ancora il valore da leggere ?
Dipende dal livello di precisione che vuoi veramente ottenere ma misure di questo tipo non sono alla portata dell'hobbysta. O accorci le pretese o l'unica soluzione è "appoggiarti" a qualche modulo specifico preassemblato.
Bye
Ser.Tom0
voti
Un'alternativa potrebbe essere quella di utilizzare più sensori con valori di fondo scala diversi, oppure sensori Hall classici (LEM, per intenderci), da utilizzare facendo al "primario" un solo passaggio (bassa risoluzione, alta corrente) o più spire (alta risoluzione, bassa corrente), magari commutando tra le due con un relé.
-

SandroCalligaro
2.970 2 4 5 - G.Master EY

- Messaggi: 1181
- Iscritto il: 6 ago 2015, 19:25
0
voti
Lo schema che ho preso come riferimento per le varie prove è il seguente :
.
Ho considerato la sezione fino al 358 il resto è stato scartato.
Senza carico d'ingresso solo con il sensore ACS712 20A collegato , in uscita sul condensatore da 3.3uF ho una tensione continua di 50mV.
Mentre applicando una corrente alternata di 50mA sul sensore ho in uscita sempre sul condensatore da 3.3uF una tensione di 100mV circa. Se non vado errato 50mV sono circa 10 punti del AD (10bit). Poi se si pone una tensione Vref+(AD) esterna a 2.5V si possono avere circa 20 punti d'incremento.Cosa ne pensate ?
Grazie Sandro Calligaro di aver risposto . In precedenza avevo pensato anche di utilizzare dei 2n7000 per variare il guadagno dell'operazionale facendo una sorta di amplificatore a guadagno variabile in base al valore della corrente da misurare. Poi ho abbandonata l'idea perché alla fine mi serve solo sentire la presenza di corrente da un carico minimo di 10W a un massimo di 2300W.
SerTom hai ragione ho un esperienza modesta in questo campo 'Io So di non sapere'.
Per quanto riguarda i diodi non volevo utilizzarli come raddrizzatori. Se metti 3 diodi in serie e uno in parallelo alla serie dei 3 con anodo collegato al catodo della serie facendo passare corrente si ha una tensione di caduta sulla serie che può alimentare un fotodiodo di un 4n35 per esempio ,cosi facendo puoi con il foto transistor andare a cambiare lo stato logico di un ingresso digitale del micro e rilevare il passaggio di corrente.
Questa soluzione so che funziona perché già l'ho utilizzata in passato ma il costo di 4 diodi da 20A e di circa 10/15 euro è per questo che volevo trovare una strada alternativa.
Elfo ho misurato i 50mV verso l'AD con un multimetro lo schema è quello del link inizio massaggio
Ho provato a mettere per test un segnale sinusoidale 50Hz 50mV RMS in ingresso sulla resistenza da 1K , mi sono trovato in uscita sul condensatore da 3.3 uF 356mV( RMS) continua .Senza segnale ho 27/30 mV
.Ho considerato la sezione fino al 358 il resto è stato scartato.
Senza carico d'ingresso solo con il sensore ACS712 20A collegato , in uscita sul condensatore da 3.3uF ho una tensione continua di 50mV.
Mentre applicando una corrente alternata di 50mA sul sensore ho in uscita sempre sul condensatore da 3.3uF una tensione di 100mV circa. Se non vado errato 50mV sono circa 10 punti del AD (10bit). Poi se si pone una tensione Vref+(AD) esterna a 2.5V si possono avere circa 20 punti d'incremento.Cosa ne pensate ?
Grazie Sandro Calligaro di aver risposto . In precedenza avevo pensato anche di utilizzare dei 2n7000 per variare il guadagno dell'operazionale facendo una sorta di amplificatore a guadagno variabile in base al valore della corrente da misurare. Poi ho abbandonata l'idea perché alla fine mi serve solo sentire la presenza di corrente da un carico minimo di 10W a un massimo di 2300W.
SerTom hai ragione ho un esperienza modesta in questo campo 'Io So di non sapere'.
Per quanto riguarda i diodi non volevo utilizzarli come raddrizzatori. Se metti 3 diodi in serie e uno in parallelo alla serie dei 3 con anodo collegato al catodo della serie facendo passare corrente si ha una tensione di caduta sulla serie che può alimentare un fotodiodo di un 4n35 per esempio ,cosi facendo puoi con il foto transistor andare a cambiare lo stato logico di un ingresso digitale del micro e rilevare il passaggio di corrente.
Questa soluzione so che funziona perché già l'ho utilizzata in passato ma il costo di 4 diodi da 20A e di circa 10/15 euro è per questo che volevo trovare una strada alternativa.
Elfo ho misurato i 50mV verso l'AD con un multimetro lo schema è quello del link inizio massaggio
Ho provato a mettere per test un segnale sinusoidale 50Hz 50mV RMS in ingresso sulla resistenza da 1K , mi sono trovato in uscita sul condensatore da 3.3 uF 356mV( RMS) continua .Senza segnale ho 27/30 mV
-

Sapientino
10 4 - New entry

- Messaggi: 51
- Iscritto il: 8 dic 2009, 12:07
0
voti
E' totalmente diverso rispetto a quanto ti proponevo: nel mio caso cambi sensore o cambi fondo scala del sensore, nel tuo cambi l'amplificazione a valle del sensore. In un caso il rapporto segnale-rumore potenzialmente migliora (il rumore rimane uguale, mentre l'effetto della corrente sul sensore aumenta), nell'altro, se va bene, rimane uguale.Sapientino ha scritto:In precedenza avevo pensato anche di utilizzare dei 2n7000 per variare il guadagno dell'operazionale facendo una sorta di amplificatore a guadagno variabile in base al valore della corrente da misurare.
-

SandroCalligaro
2.970 2 4 5 - G.Master EY

- Messaggi: 1181
- Iscritto il: 6 ago 2015, 19:25
0
voti
Sapientino ha scritto:Elfo ho misurato i 50mV verso l'AD con un multimetro lo schema è quello del link inizio massaggio
Ho provato a mettere per test un segnale sinusoidale 50Hz 50mV RMS in ingresso sulla resistenza da 1K , mi sono trovato in uscita sul condensatore da 3.3 uF 356mV( RMS) continua .Senza segnale ho 27/30 mV
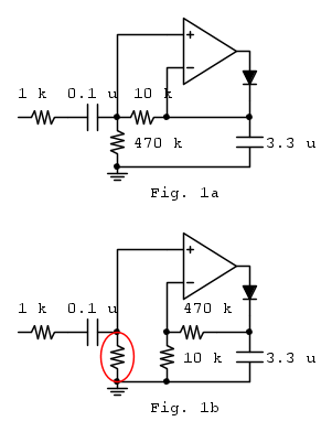
Ci sono troppe cose che *non* capisco (mio limite
Lo schema di Fig. 1a *potrebbe* avere un senso ma:
- lo hai progettato te oppure deriva da qualche nota di applicazione?
- e stato realizzato come disegnato?
- *non* guadagna 48 come avevi scritto in un post precedente
- con 50 mV RMS in ingresso non capisco come con quel circuito possano uscire 356 mV DC
Il circuito di Fig. 1b guadagna 48 - ma occorre inserire la resistenza cerchiata di rosso.
0
voti
... accoppiamento in AC (con condensatore) così sei schiavo della deformazione della forma d'onda della corrente. LM358 che è uno dei peggiori OP-AMP (rumore) ... e pure rettificazione con diodo che ha una Vf che varia di almeno 2mV/°C .... ma dove vuoi andare con quello schema ?
Bye
Ser.Tom
Bye
Ser.TomTorna a Realizzazioni, interfacciamento e nozioni generali.
Chi c’è in linea
Visitano il forum: Google [Bot] e 3 ospiti

Elettrotecnica e non solo (admin)
Un gatto tra gli elettroni (IsidoroKZ)
Esperienza e simulazioni (g.schgor)
Moleskine di un idraulico (RenzoDF)
Il Blog di ElectroYou (webmaster)
Idee microcontrollate (TardoFreak)
PICcoli grandi PICMicro (Paolino)
Il blog elettrico di carloc (carloc)
DirtEYblooog (dirtydeeds)
Di tutto... un po' (jordan20)
AK47 (lillo)
Esperienze elettroniche (marco438)
Telecomunicazioni musicali (clavicordo)
Automazione ed Elettronica (gustavo)
Direttive per la sicurezza (ErnestoCappelletti)
EYnfo dall'Alaska (mir)
Apriamo il quadro! (attilio)
H7-25 (asdf)
Passione Elettrica (massimob)
Elettroni a spasso (guidob)
Bloguerra (guerra)


