sidro007 ha scritto:E' possibile qualsiasi modifica.
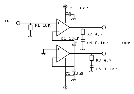
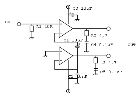
Allora valuta la versione a ponte, usa nmeno componenti e non avendo condensatori di uscita è in grado di scendere di più in frequenza. Aumenta anche la potenza (comunque limitata) di uscita
Moderatore:
IsidoroKZ
sidro007 ha scritto:E' possibile qualsiasi modifica.




edgar ha scritto:Allora valuta la versione a ponte



brabus ha scritto:Ti serve una resistenza in ingresso in ogni caso, per costruire il filtro passa-basso; direi che 1 kiloohm va benissimo ponendo un condensatore da 2,2 uF in parallelo a R1 (frequenza di taglio sempre 80 Hz).
Torna a Elettronica e spettacolo
Visitano il forum: Nessuno e 19 ospiti