Salve vorrei esporvi un mio dubbio
ho un transistor BJT c945, questo mi serve per far attivare una ventola da 12v 0,24a (una ventola per PC) quando sulla base del transistor è presente una tensione di circa 12,7v. Ho messo una resistenza in ingresso alla base di 10k ohm per ridurre la corrente, ottenendo una Ib di circa (12.7-0.7)/10k = 1.2mA. A questo punto mi sorge il dubbio, nel datasheet del c945 c'è scritto che la Ic max è di 150 mA, se io collego la ventola tra il collettore (con il diodo di protezione in parallelo per via del carico induttivo) e la tensione di alimentazione che è di circa 13v, succede che:
1) la ventola richieda 0,24 A, ma il transistor non può arrivare a far scorrere tale valore di corrente per cui il BJT passa a miglior vita?
2) alla ventola arrivano 150mA e si "accontenta" di una velocità di rotazione più bassa di quella che potrebbe essere con 0,24A?
grazie ciao
chiarimento corrente collettore BJT
Moderatori:
carloc,
g.schgor,
BrunoValente,
IsidoroKZ
12 messaggi
• Pagina 1 di 2 • 1, 2
0
voti
1
voti
Con 1.2mA in base il transistore potrebbe uscire dalla saturazione fornire meno di 240mA e passare a miglior vita perche' dissipa troppo.
Se riduci la resistenza di base in modo da avere IB=10mA forse sopravvive un po' di piu`. La soluzione migliore e` di usare un MOS, BS170 e ti togli quasi tutte le preoccupazioni.
Se riduci la resistenza di base in modo da avere IB=10mA forse sopravvive un po' di piu`. La soluzione migliore e` di usare un MOS, BS170 e ti togli quasi tutte le preoccupazioni.
Per usare proficuamente un simulatore, bisogna sapere molta più elettronica di lui
Plug it in - it works better!
Il 555 sta all'elettronica come Arduino all'informatica! (entrambi loro malgrado)
Se volete risposte rispondete a tutte le mie domande
Plug it in - it works better!
Il 555 sta all'elettronica come Arduino all'informatica! (entrambi loro malgrado)
Se volete risposte rispondete a tutte le mie domande
0
voti
grazie per la risposta.
Si con un MOS risolvo tutto ma voglio capire bene il ragionamento.
Allora come hai detto tu se aumento la IB vado a portare il BJT in zona di saturazione, cioè il BJT si comporta come un interruttore (che alla fine è quello che mi serve), la condizione è che IB>IC/beta, in questo stato dovrei avere una Vce(sat) bassa, circa 0.2v, nel datasheet trovo una Vce(sat)=0.3v calcolata con Ic=100mA e IB=10mA.
Ora se io al posto della ventola avessi un resistenza, mi calcolerei la IC come IC= (Vcc-Vce(sat))/Rc e farei in modo di rimanere sotto la ICmax del BJT che è di 150mA, ma con la ventola come faccio? Cioè quello che voglio capire e se la ventola una volta collegata mi vada ad assorbire una corrente maggiore del max che il transistor può far scorrere oppure no? perché se no allora mi accontento che questa giri meno velocemente ma almeno non brucio il BJT
Si con un MOS risolvo tutto ma voglio capire bene il ragionamento.
Allora come hai detto tu se aumento la IB vado a portare il BJT in zona di saturazione, cioè il BJT si comporta come un interruttore (che alla fine è quello che mi serve), la condizione è che IB>IC/beta, in questo stato dovrei avere una Vce(sat) bassa, circa 0.2v, nel datasheet trovo una Vce(sat)=0.3v calcolata con Ic=100mA e IB=10mA.
Ora se io al posto della ventola avessi un resistenza, mi calcolerei la IC come IC= (Vcc-Vce(sat))/Rc e farei in modo di rimanere sotto la ICmax del BJT che è di 150mA, ma con la ventola come faccio? Cioè quello che voglio capire e se la ventola una volta collegata mi vada ad assorbire una corrente maggiore del max che il transistor può far scorrere oppure no? perché se no allora mi accontento che questa giri meno velocemente ma almeno non brucio il BJT
1
voti
Ora se io al posto della ventola avessi un resistenza, mi calcolerei la IC come IC= (Vcc-Vce(sat))/Rc e farei in modo di rimanere sotto la ICmax del BJT che è di 150mA, ma con la ventola come faccio?
Vediamo cosa si può fare in modo approssimato
Ti dicono che la ventola alimentata a 12 V a regime assorbe 0,24A
Se fosse una resistenza (assorbimento proporzionale alla tensione) quando alimentata a 9 V
assorbirebbe (9/12)*0,24 = 0,18 A
Sei fortunato, non è un resistore ma una ventola, la potenza meccanica generata/assorbita dalle pale dipende dal cubo della velocità, si può approssimare che la corrente assorbita dipenda dal quadrato della tensione, forse la corrente diventa ((9/12)^2)*0,24 = 0,135 A
Dimensiona un resistore per fare cadere 12-9 = 3 V
3/0,135 = 22 ohm 3*0,135 = 0,4 W potenza dissipata nel resistore in serie al motore.
Rimane un problema
Riferisci poi se funziona

1
voti
ciao, ho provato il circuito èe ho fatto delle misure.
Innanzitutto ho messo una resistenza da 1k sulla base del transistor al posto di quella da 10k in modo che alla base vada più corrente, poi ho messo la resistenza da 22 ohm sul collettoreèe ho misurato i seguenti valori di corrente:
allo spunto la ventola assorbe circa 130 mA
a regime assorbe circa 96 mA
la corrente assorbita allo spunto è inferiore rispetto alla max Ic del transistor di circa 20 mA
Innanzitutto ho messo una resistenza da 1k sulla base del transistor al posto di quella da 10k in modo che alla base vada più corrente, poi ho messo la resistenza da 22 ohm sul collettore
allo spunto la ventola assorbe circa 130 mA
a regime assorbe circa 96 mA
la corrente assorbita allo spunto è inferiore rispetto alla max Ic del transistor di circa 20 mA
0
voti
ci sono info anche qua
https://www.electroyou.it/obiuan/wiki/punto-di-saturazione-transistor-bjt
solitamente, in transistor di potenza, (non 'ho trovato per questo tipo), è specificato nel datasheets, il grafico che identifica la corrente di saturazione in funzione della tensione Vce, utilizzando impulsi di corrente maggiori del valore massimo continuo, per tempi molto ridotti, al fine di evitare di bruciare il componente.
se quardi per esempio questo, nella tabella2,"Active Region Safe Operating Area" http://www.onsemi.com/pub/Collateral/2N3055-D.PDF
vedrai il comportamento descritto in condizione impulsiva.
e nella figura5,"Collector Saturation Region", la tensione che ne deriva quando vai fuori dal valore di corrente di saturazione.
saluti.
https://www.electroyou.it/obiuan/wiki/punto-di-saturazione-transistor-bjt
solitamente, in transistor di potenza, (non 'ho trovato per questo tipo), è specificato nel datasheets, il grafico che identifica la corrente di saturazione in funzione della tensione Vce, utilizzando impulsi di corrente maggiori del valore massimo continuo, per tempi molto ridotti, al fine di evitare di bruciare il componente.
se quardi per esempio questo, nella tabella2,"Active Region Safe Operating Area" http://www.onsemi.com/pub/Collateral/2N3055-D.PDF
vedrai il comportamento descritto in condizione impulsiva.
e nella figura5,"Collector Saturation Region", la tensione che ne deriva quando vai fuori dal valore di corrente di saturazione.
saluti.
-

lelerelele
4.899 3 7 9 - Master

- Messaggi: 5505
- Iscritto il: 8 giu 2011, 8:57
- Località: Reggio Emilia
1
voti
ok grazie a tutti.
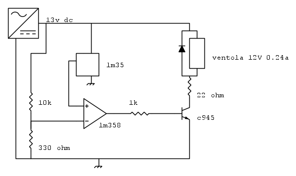
questo è il circuito che stavo provando, accensione automatica di una ventola in base al raggiungimento di una data temperatura.
con il partitore di tensione formato dalle resistenze da 10k e 330 ohm, ho una tensione all'ingresso invertente dell'op amp di circa 0,41v, se l 'uscita del lm35 supera i 0,41v, all'uscita dell' op amp ho una tensione di circa +13 v e quindi riesco a portare il BJT in saturazione e si accende la ventola, se invece lm35 in uscita ha una tensione minore di 0,41v l'uscita dell'op amp va a circa -13v e il BJT rimane interdetto
questo è il circuito che stavo provando, accensione automatica di una ventola in base al raggiungimento di una data temperatura.
con il partitore di tensione formato dalle resistenze da 10k e 330 ohm, ho una tensione all'ingresso invertente dell'op amp di circa 0,41v, se l 'uscita del lm35 supera i 0,41v, all'uscita dell' op amp ho una tensione di circa +13 v e quindi riesco a portare il BJT in saturazione e si accende la ventola, se invece lm35 in uscita ha una tensione minore di 0,41v l'uscita dell'op amp va a circa -13v e il BJT rimane interdetto
0
voti
Il circuito manca di isteresi.
Se le tensioni sono prossime fra loro (quasi uguali) l'uscita dell'operazionale assume un valore intermedio,
il transistore non satura, dissipa e può bruciarsi.
Lo risolvi mettendo un 1 kohm fra l'uscita del LM35 e l'ingresso +operazionale
e 1 Mohm fra uscita operazionale e e sempre ingresso +.
Poi potresti calcolare l'isteresi ed eventualmente dimensionare meglio la R di 1Mohm.
Poi metti un condensatore da 10 uF o su di li in parallelo ai 330 ohm per filtrare eventuali disturbi emessi dall'alimentatore.
Buone prove
Se le tensioni sono prossime fra loro (quasi uguali) l'uscita dell'operazionale assume un valore intermedio,
il transistore non satura, dissipa e può bruciarsi.
Lo risolvi mettendo un 1 kohm fra l'uscita del LM35 e l'ingresso +operazionale
e 1 Mohm fra uscita operazionale e e sempre ingresso +.
Poi potresti calcolare l'isteresi ed eventualmente dimensionare meglio la R di 1Mohm.
Poi metti un condensatore da 10 uF o su di li in parallelo ai 330 ohm per filtrare eventuali disturbi emessi dall'alimentatore.
Buone prove

0
voti
Se i 13V sono stabilizzati, allora può essere una buona via, altrimenti la tua soglia se ne andrà allo spostamento della tensione di alimentazione.
saluti.
saluti.
-

lelerelele
4.899 3 7 9 - Master

- Messaggi: 5505
- Iscritto il: 8 giu 2011, 8:57
- Località: Reggio Emilia
0
voti
lelerelele ha scritto: ...solitamente, in transistor di potenza, (non 'ho trovato per questo tipo)...
Non puoi certo trovarlo per il C945 che è un transistor "di segnale"...
(con quattro di questi recuperati da un vecchio monitor CRT rotto, a suo tempo ci feci un distorsore, due stadi collegati alla Darlington in cascata... altri tempi

"Non farei mai parte di un club che accettasse la mia iscrizione" (G. Marx)
-

claudiocedrone
21,3k 4 7 9 - Master EY

- Messaggi: 15303
- Iscritto il: 18 gen 2012, 13:36
12 messaggi
• Pagina 1 di 2 • 1, 2
Chi c’è in linea
Visitano il forum: Google [Bot] e 367 ospiti

Elettrotecnica e non solo (admin)
Un gatto tra gli elettroni (IsidoroKZ)
Esperienza e simulazioni (g.schgor)
Moleskine di un idraulico (RenzoDF)
Il Blog di ElectroYou (webmaster)
Idee microcontrollate (TardoFreak)
PICcoli grandi PICMicro (Paolino)
Il blog elettrico di carloc (carloc)
DirtEYblooog (dirtydeeds)
Di tutto... un po' (jordan20)
AK47 (lillo)
Esperienze elettroniche (marco438)
Telecomunicazioni musicali (clavicordo)
Automazione ed Elettronica (gustavo)
Direttive per la sicurezza (ErnestoCappelletti)
EYnfo dall'Alaska (mir)
Apriamo il quadro! (attilio)
H7-25 (asdf)
Passione Elettrica (massimob)
Elettroni a spasso (guidob)
Bloguerra (guerra)




