Cos'è ElectroYou | Login Iscriviti

ElectroYou - la comunità dei professionisti del mondo elettrico

Microonde LG - Guasto Trasformatore

Tecniche per la costruzione e la riparazione di apparecchiature elettriche e non. Ricerca guasti. Adattamenti e riutilizzazioni
0
voti

[1] Microonde LG - Guasto Trasformatore

Messaggioda Foto UtenteBobo360 » 7 ago 2018, 21:36

Ciao a tutti,

a seguito un guasto sulla rete di alimentazione, il microonde che era attaccato alla linea elettrica adesso non funziona più.

Aprendolo e facendo le varie verifiche, nella scheda ho trovato un trasformatore guasto.

6010W2P014H, il primario è sicuramente guasto, non da impedenza.

L'ho trovato in rete su Amazon, solo non riesco a risalire ad un datasheet, non capisco se posso adattare qualcosa.
Forse già questo trasformatore ha un ponte di diodi in uscita integrato.

Mi potete aiutare a trovare qualcosa che posso adattare?

Grazie mille O_/
Avatar utente
Foto UtenteBobo360
30 4
Frequentatore
Frequentatore
 
Messaggi: 153
Iscritto il: 12 nov 2008, 12:55

1
voti

[2] Re: Microonde LG - Guasto Trasformatore

Messaggioda Foto Utentesetteali » 7 ago 2018, 22:12

Non è che hai messo molti dati per fare una ricerca del trasformatore che dici è guasto
il primario è sicuramente guasto, non da impedenza.
con cosa lo hai misurato con un impedenzimetro o con l'ohmmetro, se con l'ohmmetro.....non da resistenza.

Se è il trasformatore che alimenta la scheda elettronica, non ha senz'altro un ponte al suo interno, al limite lo trovi sulla scheda, devi però stare attento a trovare un trasformatore delle dimensioni simili o non inferiori, controllare se ha un secondario o più di uno e come sono collegati, in base ai condensatori elettrolitici che che sono dopo i raddrizzatori, puoi risalire un po' alla meglio alla tensione di uscita dei/l secondari/o.
Fai delle misure e delle foto.
O_/
Alex
https://www.facebook.com/Elettronicaeelettrotecnica

<< vedi di pigliare arditamente in mano, il dizionario che ti suona in bocca,
se non altro è schietto e paesano.
(Giuseppe Giusti) <<
Avatar utente
Foto Utentesetteali
11,9k 5 5 9
Master
Master
 
Messaggi: 5921
Iscritto il: 15 dic 2013, 21:09

0
voti

[3] Re: Microonde LG - Guasto Trasformatore

Messaggioda Foto UtenteBobo360 » 7 ago 2018, 23:23

Coso, grazie per la risposta tempestiva.
Ho misurato il primario con un multimeter in ohm. Non segna nulla.
Invece i secondari. Ha due bobine di cui una ha una presa centrale.
Entrambi misurano circa 6 ohm.

Prova ad allegare foto.
Ma dal cellulare non riesco adesso.
Avatar utente
Foto UtenteBobo360
30 4
Frequentatore
Frequentatore
 
Messaggi: 153
Iscritto il: 12 nov 2008, 12:55

1
voti

[4] Re: Microonde LG - Guasto Trasformatore

Messaggioda Foto Utentesetteali » 8 ago 2018, 8:19

Bobo360 ha scritto:Coso,

???

.... i secondari. Ha due bobine di cui una ha una presa centrale.
Entrambi misurano circa 6 ohm.


Cioè un secondario con presa centrale, fatto così :


Dai conferma o modifiche, dopo è da stabilire la tensione di secondario.
O_/
Alex
https://www.facebook.com/Elettronicaeelettrotecnica

<< vedi di pigliare arditamente in mano, il dizionario che ti suona in bocca,
se non altro è schietto e paesano.
(Giuseppe Giusti) <<
Avatar utente
Foto Utentesetteali
11,9k 5 5 9
Master
Master
 
Messaggi: 5921
Iscritto il: 15 dic 2013, 21:09

0
voti

[5] Re: Microonde LG - Guasto Trasformatore

Messaggioda Foto UtenteBobo360 » 8 ago 2018, 9:25

setteali ha scritto:
Bobo360 ha scritto:Coso,

???


Sicuramente volevo dire Ciao. non voleva essere offensivo. Non mi permetterei mai.

Allego qualche foto:
Allegati
photo_2018-08-08_09-18-34.jpg
Scheda before
photo_2018-08-07_19-19-28.jpg
Scheda first
photo_2018-08-07_22-34-56_mod.jpg
Trafo
Avatar utente
Foto UtenteBobo360
30 4
Frequentatore
Frequentatore
 
Messaggi: 153
Iscritto il: 12 nov 2008, 12:55

0
voti

[6] Re: Microonde LG - Guasto Trasformatore

Messaggioda Foto UtenteBobo360 » 8 ago 2018, 9:27

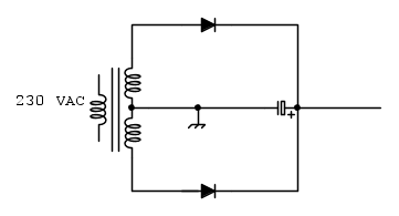
Questo invece è lo schema che ho trovato in rete, non sono riuscito a trovare un datasheet completo.
Allegati
1737_1.gif
1737_1.gif (6.9 KiB) Osservato 18569 volte
Avatar utente
Foto UtenteBobo360
30 4
Frequentatore
Frequentatore
 
Messaggi: 153
Iscritto il: 12 nov 2008, 12:55

0
voti

[7] Re: Microonde LG - Guasto Trasformatore

Messaggioda Foto Utenteboiler » 8 ago 2018, 9:43

Bobo360 ha scritto:Ho misurato il primario con un multimeter in ohm. Non segna nulla.

Allora è il multimetro ad essere guasto.

Cosa vuol dire che non segna nulla?!? ?%
Cortocircuito? Circuito aperto?

Boiler
Avatar utente
Foto Utenteboiler
26,4k 5 9 13
G.Master EY
G.Master EY
 
Messaggi: 5601
Iscritto il: 9 nov 2011, 12:27

1
voti

[8] Re: Microonde LG - Guasto Trasformatore

Messaggioda Foto Utentesetteali » 8 ago 2018, 10:04

Devi essere molto preciso nelle descrizioni, perché chi legge, non ha in mano l'oggetto.

Dallo schema che hai postato, hai due secondari di cui uno con la presa centrale e di conseguenza, dovresti avere 7 pin , di cui 2 del primario e 5 del secondario, ti risulta??

Dalle tensioni che c'è sullo schema, non è facile trovare un trasformatore adattabile, o trovi il ricambio originale, non so se è possibile o dovresti usare due trasformatori uno per i 12 V ed uno per i 2,5V, lo spazio nel forno c'è!

Oppure siccome mi par di capire che il trasformatore ha il primario su un rocchetto separato e quindi più semplice e fattibile per riavvolgere il primario......c'è solo l'inconveniente che dovresti essere un po' attrezzato e con un po' di esperienza in merito :mrgreen:
Alex
https://www.facebook.com/Elettronicaeelettrotecnica

<< vedi di pigliare arditamente in mano, il dizionario che ti suona in bocca,
se non altro è schietto e paesano.
(Giuseppe Giusti) <<
Avatar utente
Foto Utentesetteali
11,9k 5 5 9
Master
Master
 
Messaggi: 5921
Iscritto il: 15 dic 2013, 21:09

0
voti

[9] Re: Microonde LG - Guasto Trasformatore

Messaggioda Foto UtenteBobo360 » 8 ago 2018, 11:02

boiler ha scritto:
Bobo360 ha scritto:Ho misurato il primario con un multimeter in ohm. Non segna nulla.

Allora è il multimetro ad essere guasto.

Cosa vuol dire che non segna nulla?!? ?%
Cortocircuito? Circuito aperto?

Boiler


Ciao, il mio nulla intendeva dire circuito aperto.

setteali ha scritto:Devi essere molto preciso nelle descrizioni, perché chi legge, non ha in mano l'oggetto.

Dallo schema che hai postato, hai due secondari di cui uno con la presa centrale e di conseguenza, dovresti avere 7 pin , di cui 2 del primario e 5 del secondario, ti risulta??


Si, ho 5 pin al secondario e 2/3 al primario. ma ho visto che uno non ha nessuna funzione nel circuito.

setteali ha scritto:Oppure siccome mi par di capire che il trasformatore ha il primario su un rocchetto separato e quindi più semplice e fattibile per riavvolgere il primario......c'è solo l'inconveniente che dovresti essere un po' attrezzato e con un po' di esperienza in merito :mrgreen:


Ci vorrei provare, cosa mi servirebbe? e come faccio a capire quante spire ci sono al primario?
Grazie

;-) ;-) ;-)
Allegati
1.jpg
pin
Avatar utente
Foto UtenteBobo360
30 4
Frequentatore
Frequentatore
 
Messaggi: 153
Iscritto il: 12 nov 2008, 12:55

1
voti

[10] Re: Microonde LG - Guasto Trasformatore

Messaggioda Foto Utentesetteali » 8 ago 2018, 11:18

:ok:
Per provare , ti occorre :
Pazienza
Calma,
Filo smaltato - va misurata la sezione di quello vecchio e poi trovare il filo, potrà essere un Ø 0,10 ~ 0,14 mm.
Un contatore per contare le spire se si riesce a svolgere, altrimenti , si taglia tutto l'avvolgimento e si crea un mazzo di fili, di questo mazzo si fanno tanti mazzetti da 20 o 25 capi e si fa un mazzettino, a questo punto ammazzetti 10 di questi e poi conti quanti sono , è lunga lunga, ma finisce :mrgreen:

Altrimenti per avere il n° di spire, va contato le spire di un secondario che sai la tensione e fare il rapporto, potrebbero essere tra le 3000 e le 4000 spire :-)
O_/
Alex
https://www.facebook.com/Elettronicaeelettrotecnica

<< vedi di pigliare arditamente in mano, il dizionario che ti suona in bocca,
se non altro è schietto e paesano.
(Giuseppe Giusti) <<
Avatar utente
Foto Utentesetteali
11,9k 5 5 9
Master
Master
 
Messaggi: 5921
Iscritto il: 15 dic 2013, 21:09

Prossimo

Torna a Costruzione, riparazione, riutilizzo

Chi c’è in linea

Visitano il forum: Nessuno e 8 ospiti