
Circuito equivalente di un doppio bipolo induttivo
Moderatori:
g.schgor,
IsidoroKZ
0
voti
Capito
ce l'abbiamo fatta
Grazie mille per la pazienza e per l'aiuto

ce l'abbiamo fatta Grazie mille per la pazienza e per l'aiuto
1
voti
Possiamo vedere il risultato finale?
Il Conte di Montecristo
Se non studio un giorno, me ne accorgo io. Se non studio due giorni, se ne accorge il pubblico.
Io devo studiare sodo e preparare me stesso perché prima o poi verrà il mio momento.
Abraham Lincoln
Se non studio un giorno, me ne accorgo io. Se non studio due giorni, se ne accorge il pubblico.
Io devo studiare sodo e preparare me stesso perché prima o poi verrà il mio momento.
Abraham Lincoln
-

EdmondDantes
11,9k 8 11 13 - Disattivato su sua richiesta
- Messaggi: 3619
- Iscritto il: 25 lug 2009, 22:18
- Località: Marsiglia
0
voti
La stai scrivendo in binario, la soluzione
Ci accontentiamo della forma classica. E' più leggibile

Ci accontentiamo della forma classica. E' più leggibile
Il Conte di Montecristo
Se non studio un giorno, me ne accorgo io. Se non studio due giorni, se ne accorge il pubblico.
Io devo studiare sodo e preparare me stesso perché prima o poi verrà il mio momento.
Abraham Lincoln
Se non studio un giorno, me ne accorgo io. Se non studio due giorni, se ne accorge il pubblico.
Io devo studiare sodo e preparare me stesso perché prima o poi verrà il mio momento.
Abraham Lincoln
-

EdmondDantes
11,9k 8 11 13 - Disattivato su sua richiesta
- Messaggi: 3619
- Iscritto il: 25 lug 2009, 22:18
- Località: Marsiglia
0
voti
Ho avuto un problema di famiglia urgente
Se riesco più tardi scrivo il tutto, altrimenti domattina
Se riesco più tardi scrivo il tutto, altrimenti domattina
1
voti


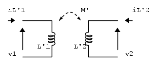
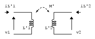
Possiamo quindi ricavare il mutuo induttore equivalente


che equivale al circuito
(Scusate se ci ho messo tanto)
Intendevi così EdmondDantes?
0
voti
Non controllo i calcoli, ma il ragionamento e' corretto.
Non hai ancora risolto il problema.
Tu che modello devi scrivere? Anche dopo 7 pagine, il problema continua ad esigere la sua soluzione. Intendevo quella.
PS
Gli apici alle correnti non servono.
Non hai ancora risolto il problema.
Tu che modello devi scrivere? Anche dopo 7 pagine, il problema continua ad esigere la sua soluzione. Intendevo quella.
PS
Gli apici alle correnti non servono.
Il Conte di Montecristo
Se non studio un giorno, me ne accorgo io. Se non studio due giorni, se ne accorge il pubblico.
Io devo studiare sodo e preparare me stesso perché prima o poi verrà il mio momento.
Abraham Lincoln
Se non studio un giorno, me ne accorgo io. Se non studio due giorni, se ne accorge il pubblico.
Io devo studiare sodo e preparare me stesso perché prima o poi verrà il mio momento.
Abraham Lincoln
-

EdmondDantes
11,9k 8 11 13 - Disattivato su sua richiesta
- Messaggi: 3619
- Iscritto il: 25 lug 2009, 22:18
- Località: Marsiglia
0
voti
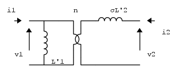
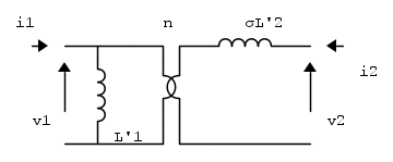
Infine ricaviamo il circuito equivalente
dove n, il rapporto di trasformazione, vale

E
è il coefficiente di dispersione
dove n, il rapporto di trasformazione, vale

E
è il coefficiente di dispersioneTorna a Elettrotecnica generale
Chi c’è in linea
Visitano il forum: Nessuno e 86 ospiti

Elettrotecnica e non solo (admin)
Un gatto tra gli elettroni (IsidoroKZ)
Esperienza e simulazioni (g.schgor)
Moleskine di un idraulico (RenzoDF)
Il Blog di ElectroYou (webmaster)
Idee microcontrollate (TardoFreak)
PICcoli grandi PICMicro (Paolino)
Il blog elettrico di carloc (carloc)
DirtEYblooog (dirtydeeds)
Di tutto... un po' (jordan20)
AK47 (lillo)
Esperienze elettroniche (marco438)
Telecomunicazioni musicali (clavicordo)
Automazione ed Elettronica (gustavo)
Direttive per la sicurezza (ErnestoCappelletti)
EYnfo dall'Alaska (mir)
Apriamo il quadro! (attilio)
H7-25 (asdf)
Passione Elettrica (massimob)
Elettroni a spasso (guidob)
Bloguerra (guerra)



