Cos'è ElectroYou | Login Iscriviti

ElectroYou - la comunità dei professionisti del mondo elettrico

Circuito in regime sinusoidale

Circuiti, campi elettromagnetici e teoria delle linee di trasmissione e distribuzione dell’energia elettrica

Moderatori: Foto Utenteg.schgor, Foto UtenteIsidoroKZ

0
voti

[1] Circuito in regime sinusoidale

Messaggioda Foto Utentevito998 » 30 ago 2018, 12:16

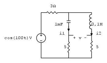
L'esercizio chiede di ricavare la tensione v(t) in regime sinusoidale da questo circuito:


L'impedenza del condensatore è -j10 e dell'induttore è j10.
Calcolo l'impedenza su entrambi i rami:
Z_1 = 5 - j10
Z_2 = 5 + j10
Z_1 e Z_2 sono in parallelo quindi Z_3 = 12,5
Z_t = 3 + Z_3 = 15,5
I=V/Z=1/15,5= 0,064
I_1 = I * (5+j10)/[(5-j10)*(5+j10)] = (320 + j640)/10000
|I_1|= 0,07
I_2 = I * (5-j10)/[(5-j10)*(5+j10)]= (320 - j640)/10000
|I_2|= 0,07

Arrivato qui mi accorgo che devo per forza aver sbagliato dato che la somma delle due correnti I_1 e I_2 è maggiore della corrente I. Devo aver fatto un casino, non insultatemi :roll:
Avatar utente
Foto Utentevito998
5 4
 
Messaggi: 34
Iscritto il: 21 mag 2013, 18:45

0
voti

[2] Re: Circuito in regime sinusoidale

Messaggioda Foto UtenteRenzoDF » 30 ago 2018, 13:41

Occhio ai partitori. ;-)
"Il circuito ha sempre ragione" (Luigi Malesani)
Avatar utente
Foto UtenteRenzoDF
55,9k 8 12 13
G.Master EY
G.Master EY
 
Messaggi: 13189
Iscritto il: 4 ott 2008, 9:55

0
voti

[3] Re: Circuito in regime sinusoidale

Messaggioda Foto UtenteExodus » 30 ago 2018, 15:10

Prova cosi:
Applico la KVL alla maglia di sinistra:

-1+\left ( 3-10j+5 \right )\mathbf{I}-\left ( -10j+5 \right )\mathbf{I_{2}}=0

Poi alla maglia di destra:

10\mathbf{I_{2}}-\left ( -10j+5 \right )\mathbf{I}=0

Risolvo,sostituisco e trovo:

\mathbf{I}=\frac{2}{31}

\mathbf{I_{2}}=\frac{1}{31}-\frac{2}{31}j

MI ricavo la corrente che mi interessa:

\mathbf{I_{1}}=\mathbf{I}-\mathbf{I_{2}}

Adesso puoi concludere l'esercizio da solo :D
Avatar utente
Foto UtenteExodus
174 2
Frequentatore
Frequentatore
 
Messaggi: 138
Iscritto il: 25 ago 2017, 17:30


Torna a Elettrotecnica generale

Chi c’è in linea

Visitano il forum: Nessuno e 25 ospiti