Cos'è ElectroYou | Login Iscriviti

ElectroYou - la comunità dei professionisti del mondo elettrico

Esercizio elettronica analogica - Amplificatori di tensione

Elettronica lineare e digitale: didattica ed applicazioni

Moderatori: Foto Utentecarloc, Foto Utenteg.schgor, Foto UtenteBrunoValente, Foto UtenteIsidoroKZ

0
voti

[1] Esercizio elettronica analogica - Amplificatori di tensione

Messaggioda Foto Utentepaky94 » 3 set 2018, 16:39

Ciao a tutti e buon inizio settimana. Qualcuno potrebbe, gentilmente, aiutarmi ad eliminare i dubbi su questo esercizio?
Grazie in anticipo!



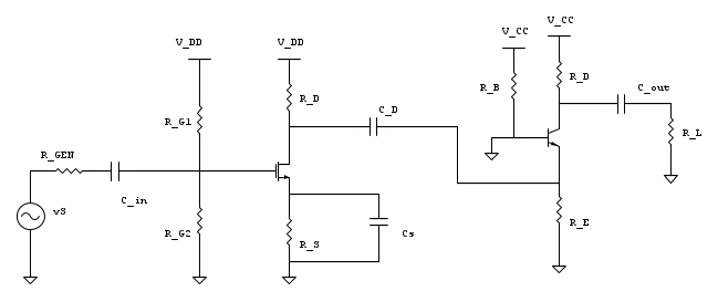
1. Calcolare le resistenze R_{G_1}, R_{G_2}, R_D affinchè I_D=3.28mA (imponi R_{G_1}+R_{G_2}=110k\Omega), V_D=6.72V
2. Calcolare il punto di lavoro statico del BJT
3. Calcolare il guadagno in frequenza alle medie frequenze
4. Calcolare la frequenza di taglio superiore


PRIMO PUNTO


LKT alla maglia di uscita -> R_D=\frac{V_{DD}-V_D}{I_D}
Dall'equazione della corrente in regione di Pinch-off I_D=k(V_{GS}-V_{TH})^2 ricavo V_{GS}

Applico il partitore di tensione ed ottendo:
V_G=V_{DD} \frac{R_{G_2}}{R_{G_1}+R_{G_2}}
Avendo a disposizione la somma delle due resistenze di gate, da quest'ultima relazione ricavo R_{G_2} e poi, per differenza, ottengo anche R_{G_1}.


SECONDO PUNTO
Parto dal circuito sotto


LKT alla maglia di ingresso: V_{CC}=R_B I_B+V_{BE}+R_E I_C dalla quale ottengo I_B e quindi la corrente I_C.

LKT alla maglia di uscita: ottengo V_{CE}



TERZO PUNTO
g_{m_1}=g_{m_{MOS}}
g_{m_2}=g_{m_{BJT}}

Il circuito equivalente a piccolo segnale, alle medie frequenze, è il seguente


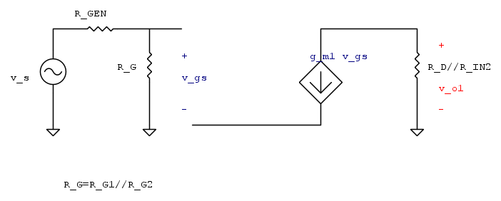
Essendo un multi-stadio, calcolo la R_{IN_2} ed, essendo il secondo stadio un CB posso dire che R_{IN_2}=\frac{1}{g_{m_{MOS}}}


Vado a calcolare il guadagno del primo stadio ed utilizzo il seguente circuito:

Da questo trovo che:
v_{o_1}=-g_{m_{MOS}} v_{gs} R_D \parallel\ R_{IN_2}

v_{gs}=v_s \frac{R_G}{R_G+R_{GEN}}

A_{v_1}=\frac{v_{o_1}}{v_{gs}}

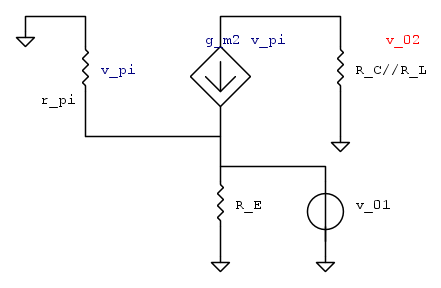
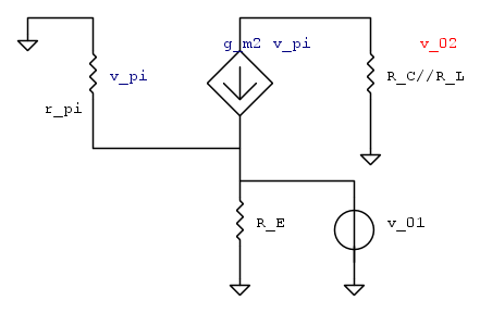
Per il guadagno del secondo stadio uso questo circuito


In questo circuito risulta:
v_{o_2}=-g_{m_{BJT}} v_{\pi} R_C \parallel\ R_L
v_{o_1}=-v_{\pi}

A_{v_2}=\frac{v_{o_2}}{v_{o_1}}
Avatar utente
Foto Utentepaky94
5 3
 
Messaggi: 19
Iscritto il: 30 ago 2018, 11:46

0
voti

[2] Re: Esercizio elettronica analogica - Amplificatori di tensi

Messaggioda Foto UtenteDrCox » 4 set 2018, 15:23

Innanzitutto:

qui vedo una massa collegata alla base del BJT:



e qui non la vedo più:
"The past is not really the past until it has been registered. Or put another way, the past has no meaning or existence unless it exists as a record in the present."
John Archibald Wheeler
Avatar utente
Foto UtenteDrCox
2.738 2 8 12
Master EY
Master EY
 
Messaggi: 744
Iscritto il: 8 giu 2010, 21:42

0
voti

[3] Re: Esercizio elettronica analogica - Amplificatori di tensi

Messaggioda Foto Utentepaky94 » 4 set 2018, 17:04

Ok, hai ragione :lol:
Questo vuol dire che nel modello equivalente a piccolo segnale, alle medie frequenze, la resistenza R_B non sarà presente: giusto?
Ultima modifica di Foto Utenteclaudiocedrone il 6 set 2018, 8:23, modificato 1 volta in totale.
Motivazione: Eliminata inutile citazione integrale del post precedente, citare con giudizio (regole del forum), grazie.
Avatar utente
Foto Utentepaky94
5 3
 
Messaggi: 19
Iscritto il: 30 ago 2018, 11:46

0
voti

[4] Re: Esercizio elettronica analogica - Amplificatori di tensi

Messaggioda Foto UtenteDrCox » 17 set 2018, 15:46

paky94 ha scritto:Questo vuol dire che nel modello equivalente a piccolo segnale, alle medie frequenze, la resistenza R_B non sarà presente: giusto?


Dipende da quale dei due schemi è giusto! Non ho capito se quel collegamento a massa c'è o non c'è, l'errore sta nel primo o nel secondo schema?
Io un'idea ce l'ho. Facciamo finta che sia giusto che ci sia: a cosa servirebbe quella resistenza in tal caso?
"The past is not really the past until it has been registered. Or put another way, the past has no meaning or existence unless it exists as a record in the present."
John Archibald Wheeler
Avatar utente
Foto UtenteDrCox
2.738 2 8 12
Master EY
Master EY
 
Messaggi: 744
Iscritto il: 8 giu 2010, 21:42

0
voti

[5] Re: Esercizio elettronica analogica - Amplificatori di tensi

Messaggioda Foto UtenteMarcoD » 17 set 2018, 16:14

2. Calcolare il punto di lavoro statico del BJT

Sono FET non BJT :?:

Vn coincide con VDD ??

Che senso ha fornire solo qualche valore numerico: se non sono tutti presenti il risultato resta indeterminato.

Non dipende da ter, ma a cosa serve il circuito ? :
uno stadio a source comune con uscita sul drain a media impedenza, seguito da uno stadio a base comune
che amplifica se l'impedenza di pilotaggio è bassa rispetto quella sul collettore.


LKT alla maglia di uscita -> R_D=\frac{V_{DD}-V_D}{I_D}
Dall'equazione della corrente in regione di Pinch-off I_D=k(V_{GS}-V_{TH})^2 ricavo V_{GS}

Applico il partitore di tensione ed ottendo:
V_G=V_{DD} \frac{R_{G_2}}{R_{G_1}+R_{G_2}}
Avendo a disposizione la somma delle due resistenze di gate, da quest'ultima relazione ricavo R_{G_2} e poi, per differenza, ottengo anche R_{G_1}.


Non ho seguito tutti calcoli, ma mi pare che nei calcoli del punto di lavoro del primo stadio manchi R_S la resistenza fra S e massa del primo stadio: provoca una caduta di tensione per cui V_G è diversa da V_GS.
O_/
Avatar utente
Foto UtenteMarcoD
12,2k 5 9 13
Master EY
Master EY
 
Messaggi: 6696
Iscritto il: 9 lug 2015, 16:58
Località: Torino


Torna a Elettronica generale

Chi c’è in linea

Visitano il forum: Nessuno e 50 ospiti