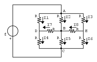
Nella soluzione mi viene detto che i nodi D, B, E sono allo stesso potenziale e che le correnti I7, I8 sono nulle.
Non riesco a capirne il motivo, qualcuno sa dimostrarlo?
( le resistenze sono tutte uguali)
Circuito
Moderatori:
g.schgor,
IsidoroKZ
19 messaggi
• Pagina 1 di 2 • 1, 2
0
voti
[2] Re: Circuito
Disegna il circuito in fidocadj e riporta, in latex, un tentativo di soluzione.
Riporta il testo del problema.
O questo o cancello il 3D senza preavviso entro domani mattina, anche nel caso in cui qualcuno rispondesse alla tua domanda*
*In questa ipotesi, cancellero' immediatamente il 3D.
Riporta il testo del problema.
O questo o cancello il 3D senza preavviso entro domani mattina, anche nel caso in cui qualcuno rispondesse alla tua domanda*
*In questa ipotesi, cancellero' immediatamente il 3D.
Il Conte di Montecristo
Se non studio un giorno, me ne accorgo io. Se non studio due giorni, se ne accorge il pubblico.
Io devo studiare sodo e preparare me stesso perché prima o poi verrà il mio momento.
Abraham Lincoln
Se non studio un giorno, me ne accorgo io. Se non studio due giorni, se ne accorge il pubblico.
Io devo studiare sodo e preparare me stesso perché prima o poi verrà il mio momento.
Abraham Lincoln
-

EdmondDantes
11,9k 8 11 13 - Disattivato su sua richiesta
- Messaggi: 3619
- Iscritto il: 25 lug 2009, 22:18
- Località: Marsiglia
0
voti
[4] Re: Circuito
Che cosa non hai capito?
Per le formule, puoi usare questo link:
https://www.codecogs.com/latex/eqneditor.php
copia e incolla il codice non le immagini.
Per i disegni devi scaricare il software gratuito, spiegato in questo articolo
https://www.electroyou.it/darwinne/wiki/fidocadj
Serve per rendere fruibile il 3D e interessante da leggere.
Questo e' il circuito in fidocadj:
Disegni il circuito con il programma, selezioni, copi, inserisci i tag fcd che trovi nella finestra di riposta dei post, e incolli.
La soluzione devi trovarla tu, iniziando almeno dal ragionamento. Nel frattempo ti aiuto anche con la scrittura delle formule.
Per le formule, puoi usare questo link:
https://www.codecogs.com/latex/eqneditor.php
copia e incolla il codice non le immagini.
Per i disegni devi scaricare il software gratuito, spiegato in questo articolo
https://www.electroyou.it/darwinne/wiki/fidocadj
Serve per rendere fruibile il 3D e interessante da leggere.
Questo e' il circuito in fidocadj:
Disegni il circuito con il programma, selezioni, copi, inserisci i tag fcd che trovi nella finestra di riposta dei post, e incolli.
La soluzione devi trovarla tu, iniziando almeno dal ragionamento. Nel frattempo ti aiuto anche con la scrittura delle formule.
Il Conte di Montecristo
Se non studio un giorno, me ne accorgo io. Se non studio due giorni, se ne accorge il pubblico.
Io devo studiare sodo e preparare me stesso perché prima o poi verrà il mio momento.
Abraham Lincoln
Se non studio un giorno, me ne accorgo io. Se non studio due giorni, se ne accorge il pubblico.
Io devo studiare sodo e preparare me stesso perché prima o poi verrà il mio momento.
Abraham Lincoln
-

EdmondDantes
11,9k 8 11 13 - Disattivato su sua richiesta
- Messaggi: 3619
- Iscritto il: 25 lug 2009, 22:18
- Località: Marsiglia
4
voti
[5] Re: Circuito
pensare che saranno lo ingegneri del futuro.
in tutti questi anni ho visto miriadi di persone arrendersi per un disegnino del c.... in fidocadj, e quando penso quello che dovranno affrontare e imparare sul lavoro rimango basito.
in tutti questi anni ho visto miriadi di persone arrendersi per un disegnino del c.... in fidocadj, e quando penso quello che dovranno affrontare e imparare sul lavoro rimango basito.
0
voti
[6] Re: Circuito
In uno schema elettrico si nominano tutti i resistori come R1, R2,R3,,,,
se non lo fai come fai a richiamarli nei calcoli ??
Aggiungi i nomi nel disegno fidocad, se lo farai daremo informazioni come risolvere l'arcano.....
Il dubbio è che i nodi D, B, E sono allo stesso potenziale
o
che le correnti sono nulle?
Non sono peggiorati, ma neppure migliorati
dopo centocinquanta anni di elettrotecnica sempre gli stessi dubbi
Ah Bubu, sei il compagno dell'orso Yoghi ?? un nickname autorevole

se non lo fai come fai a richiamarli nei calcoli ??
Aggiungi i nomi nel disegno fidocad, se lo farai daremo informazioni come risolvere l'arcano.....
Nella soluzione mi viene detto che i nodi D, B, E sono allo stesso potenziale e che le correnti I7, I8 sono nulle.
Il dubbio è che i nodi D, B, E sono allo stesso potenziale
o
che le correnti sono nulle?
pensare che saranno lo ingegneri del futuro.
dopo centocinquanta anni di elettrotecnica sempre gli stessi dubbi
Ah Bubu, sei il compagno dell'orso Yoghi ?? un nickname autorevole

0
voti
[7] Re: Circuito
Argomento inutile. Che speranza c'e'?
L'utente e' rimasto collegato un bel po' e non ha fatto nulla (collegandosi e scollegandosi un paio di volte).
L'utente e' rimasto collegato un bel po' e non ha fatto nulla (collegandosi e scollegandosi un paio di volte).
Il Conte di Montecristo
Se non studio un giorno, me ne accorgo io. Se non studio due giorni, se ne accorge il pubblico.
Io devo studiare sodo e preparare me stesso perché prima o poi verrà il mio momento.
Abraham Lincoln
Se non studio un giorno, me ne accorgo io. Se non studio due giorni, se ne accorge il pubblico.
Io devo studiare sodo e preparare me stesso perché prima o poi verrà il mio momento.
Abraham Lincoln
-

EdmondDantes
11,9k 8 11 13 - Disattivato su sua richiesta
- Messaggi: 3619
- Iscritto il: 25 lug 2009, 22:18
- Località: Marsiglia
2
voti
[8] Re: Circuito
EdmondDantes ha scritto:Che cosa non hai capito?
Purtroppo,
Bubu ha scritto:Mi puó cancellare anche l’account che non ho capito come si fa.
Grazie
in quanto preferisce non fare un disegnino decente e non ricevere alcun aiuto, piuttosto che rispettare una semplice regola che ha accettato all'iscrizione.
1
voti
[9] Re: Circuito
Cosa c'e' dopo la frutta?
Ecco siamo li'.
Ecco siamo li'.
Il Conte di Montecristo
Se non studio un giorno, me ne accorgo io. Se non studio due giorni, se ne accorge il pubblico.
Io devo studiare sodo e preparare me stesso perché prima o poi verrà il mio momento.
Abraham Lincoln
Se non studio un giorno, me ne accorgo io. Se non studio due giorni, se ne accorge il pubblico.
Io devo studiare sodo e preparare me stesso perché prima o poi verrà il mio momento.
Abraham Lincoln
-

EdmondDantes
11,9k 8 11 13 - Disattivato su sua richiesta
- Messaggi: 3619
- Iscritto il: 25 lug 2009, 22:18
- Località: Marsiglia
2
voti
[10] Re: Circuito
Bubu ha scritto:Mi puó cancellare anche l’account che non ho capito come si fa.
Grazie
Non credo che siamo alla frutta. L'utente che ha dato una risposta del genere è semplicemente uno scostumato. A me le generalizzazioni non sono mai piaciute e continueranno a non piacermi.
19 messaggi
• Pagina 1 di 2 • 1, 2
Torna a Elettrotecnica generale
Chi c’è in linea
Visitano il forum: Nessuno e 23 ospiti

Elettrotecnica e non solo (admin)
Un gatto tra gli elettroni (IsidoroKZ)
Esperienza e simulazioni (g.schgor)
Moleskine di un idraulico (RenzoDF)
Il Blog di ElectroYou (webmaster)
Idee microcontrollate (TardoFreak)
PICcoli grandi PICMicro (Paolino)
Il blog elettrico di carloc (carloc)
DirtEYblooog (dirtydeeds)
Di tutto... un po' (jordan20)
AK47 (lillo)
Esperienze elettroniche (marco438)
Telecomunicazioni musicali (clavicordo)
Automazione ed Elettronica (gustavo)
Direttive per la sicurezza (ErnestoCappelletti)
EYnfo dall'Alaska (mir)
Apriamo il quadro! (attilio)
H7-25 (asdf)
Passione Elettrica (massimob)
Elettroni a spasso (guidob)
Bloguerra (guerra)







