Salve a tutti,
circa il circuito
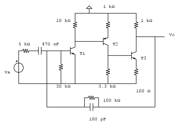
dovrei calcolare l'amplificazione e l'impedenza di ingresso in banda passante, ma non saprei da dove iniziare.
I due condensatori posso considerarli come dei cortocircuiti per l'amplificazione?
Grazie.
Amplificazione Banda Passante
Moderatori:
carloc,
g.schgor,
BrunoValente,
IsidoroKZ
37 messaggi
• Pagina 1 di 4 • 1, 2, 3, 4
0
voti
Direi che Miller sia la morte sua!
Per usare proficuamente un simulatore, bisogna sapere molta più elettronica di lui
Plug it in - it works better!
Il 555 sta all'elettronica come Arduino all'informatica! (entrambi loro malgrado)
Se volete risposte rispondete a tutte le mie domande
Plug it in - it works better!
Il 555 sta all'elettronica come Arduino all'informatica! (entrambi loro malgrado)
Se volete risposte rispondete a tutte le mie domande
0
voti
Certo!
Per usare proficuamente un simulatore, bisogna sapere molta più elettronica di lui
Plug it in - it works better!
Il 555 sta all'elettronica come Arduino all'informatica! (entrambi loro malgrado)
Se volete risposte rispondete a tutte le mie domande
Plug it in - it works better!
Il 555 sta all'elettronica come Arduino all'informatica! (entrambi loro malgrado)
Se volete risposte rispondete a tutte le mie domande
0
voti
Bene,
sono riuscito a calcolare l'amplificazione e l'impedenza di ingresso ma non riesco a calcolare il limite superiore della banda passante.
Non so come comportarmi con i condensatori, cioè come devo considerarli.
Grazie.
sono riuscito a calcolare l'amplificazione e l'impedenza di ingresso ma non riesco a calcolare il limite superiore della banda passante.
Non so come comportarmi con i condensatori, cioè come devo considerarli.
Grazie.
0
voti
Guarda qual è l'effetto di ciascuno dei due condensatori sul guadagno del circuito. Quando la frequenza sale quale limita il guadagno? E quando la frequenza scende quale limita il guadagno? Dovresi poter tracciare il diagramma di Bode qualitativo del guadagno prima di fare i conti.
Per usare proficuamente un simulatore, bisogna sapere molta più elettronica di lui
Plug it in - it works better!
Il 555 sta all'elettronica come Arduino all'informatica! (entrambi loro malgrado)
Se volete risposte rispondete a tutte le mie domande
Plug it in - it works better!
Il 555 sta all'elettronica come Arduino all'informatica! (entrambi loro malgrado)
Se volete risposte rispondete a tutte le mie domande
0
voti
Ecco questo potrebbe essere un problema in quanto questi concetti non mi sono ancora molto chiari.
Il condensatore in serie al segnale implica uno zero all'infinito ed un polo.
Circa il secondo non saprei cosa dire, cioè devo calcolare i guadagni considerando i condensatori come cortocircuiti e circuiti aperti?
Ho un po' di confusione circa questi concetti. Non so mai come comportarmi in questi casi.
Il condensatore in serie al segnale implica uno zero all'infinito ed un polo.
Circa il secondo non saprei cosa dire, cioè devo calcolare i guadagni considerando i condensatori come cortocircuiti e circuiti aperti?
Ho un po' di confusione circa questi concetti. Non so mai come comportarmi in questi casi.
0
voti
Un segnale in continua in ingresso riesce a raggiungere l'uscita?
Per usare proficuamente un simulatore, bisogna sapere molta più elettronica di lui
Plug it in - it works better!
Il 555 sta all'elettronica come Arduino all'informatica! (entrambi loro malgrado)
Se volete risposte rispondete a tutte le mie domande
Plug it in - it works better!
Il 555 sta all'elettronica come Arduino all'informatica! (entrambi loro malgrado)
Se volete risposte rispondete a tutte le mie domande
0
voti
Il mio è un intervento formale metodologico
:_
nello schema dovresti identificare i resistori e i condensatori come R1,R2,..C1, C2
se no, come li identifichi in una equazione? come il resistore da 100 ohm sull'emettitore di T3 ?
Poi mancano le caratteristiche dei transistor , almeno Beta e Rbc per picc9oli segnali.
Poi sulla presunta barra di alimentazione, c'è un simbolo di massa.
Forse che il quesito è un indovinello tecnico/burla tipo: quando quadagna un amplificatore non alimentato?

nello schema dovresti identificare i resistori e i condensatori come R1,R2,..C1, C2
se no, come li identifichi in una equazione? come il resistore da 100 ohm sull'emettitore di T3 ?
Poi mancano le caratteristiche dei transistor , almeno Beta e Rbc per picc9oli segnali.
Poi sulla presunta barra di alimentazione, c'è un simbolo di massa.
Forse che il quesito è un indovinello tecnico/burla tipo: quando quadagna un amplificatore non alimentato?

37 messaggi
• Pagina 1 di 4 • 1, 2, 3, 4
Chi c’è in linea
Visitano il forum: Nessuno e 119 ospiti

Elettrotecnica e non solo (admin)
Un gatto tra gli elettroni (IsidoroKZ)
Esperienza e simulazioni (g.schgor)
Moleskine di un idraulico (RenzoDF)
Il Blog di ElectroYou (webmaster)
Idee microcontrollate (TardoFreak)
PICcoli grandi PICMicro (Paolino)
Il blog elettrico di carloc (carloc)
DirtEYblooog (dirtydeeds)
Di tutto... un po' (jordan20)
AK47 (lillo)
Esperienze elettroniche (marco438)
Telecomunicazioni musicali (clavicordo)
Automazione ed Elettronica (gustavo)
Direttive per la sicurezza (ErnestoCappelletti)
EYnfo dall'Alaska (mir)
Apriamo il quadro! (attilio)
H7-25 (asdf)
Passione Elettrica (massimob)
Elettroni a spasso (guidob)
Bloguerra (guerra)






