clock da 60"
Moderatori:
carloc,
g.schgor,
BrunoValente,
IsidoroKZ
0
voti
[25] Re: clock da 60"
boiler ha scritto:brabus ha scritto:ma un bel microcontrollerino, non lo vogliamo?
Permetterebbe anche di passare facilmente ad una modalità con un paio di impulsi al secondo, per regolare l'ora.

1
voti
[26] Re: clock da 60"
E' vero serve anche un avanzamento veloce per rimettere l'ora, ma pensavo di escludere una o più divisioni per avere 1 colpo al secondo.
Mi pare che lo schema stia venendo fuori molto bene.
Metto alcune foto dell'orologio
Mi pare che lo schema stia venendo fuori molto bene.
Metto alcune foto dell'orologio
Alex
https://www.facebook.com/Elettronicaeelettrotecnica
<< vedi di pigliare arditamente in mano, il dizionario che ti suona in bocca,
se non altro è schietto e paesano.
(Giuseppe Giusti) <<
https://www.facebook.com/Elettronicaeelettrotecnica
<< vedi di pigliare arditamente in mano, il dizionario che ti suona in bocca,
se non altro è schietto e paesano.
(Giuseppe Giusti) <<
0
voti
[27] Re: clock da 60"
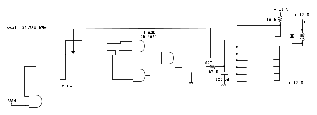
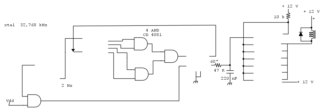
Seguendo i vostri consigli ho aggiornato un po' lo schema, ho apportato un paio di modifiche che dovreste vagliare, una è l'uso del ULN 2003 per eliminare il 555, la durata dell'impulso sul motore è data dalla rete RC, non so se sarà sufficiente, ma non credo che debba essere lunghissimo il tempo attivo.
L'altra modifica è che ho messo un CD4013 perché non ho il SN74LVC1G80.
Capisco che un micro renderebbe un circuito molto semplificato circuitalmente , ma per me molto molto complicato da realizzare e già con l'elettronica sono una schiappa, con la programmazione non mi va giù neanche con un secchio d'acqua.
P.S.
è strano il fatto che nel disegno non si vedano gli integrati di cui ho fatto il simbolo, anche perché se copio la sorgente FidoCadJ e la incollo su un nuovo foglio di fidocad, è tutto presente.
L'altra modifica è che ho messo un CD4013 perché non ho il SN74LVC1G80.
Capisco che un micro renderebbe un circuito molto semplificato circuitalmente , ma per me molto molto complicato da realizzare e già con l'elettronica sono una schiappa, con la programmazione non mi va giù neanche con un secchio d'acqua.
P.S.
è strano il fatto che nel disegno non si vedano gli integrati di cui ho fatto il simbolo, anche perché se copio la sorgente FidoCadJ e la incollo su un nuovo foglio di fidocad, è tutto presente.
Alex
https://www.facebook.com/Elettronicaeelettrotecnica
<< vedi di pigliare arditamente in mano, il dizionario che ti suona in bocca,
se non altro è schietto e paesano.
(Giuseppe Giusti) <<
https://www.facebook.com/Elettronicaeelettrotecnica
<< vedi di pigliare arditamente in mano, il dizionario che ti suona in bocca,
se non altro è schietto e paesano.
(Giuseppe Giusti) <<
1
voti
[28] Re: clock da 60"
Probabilmente usi una libreria che il sito non usa.
Mettici dei rettangoli.
Comunque l'uso di un array dove basta un transistor mi sembra tanto insensato quanto l'uso di un 555.
Easy as that:
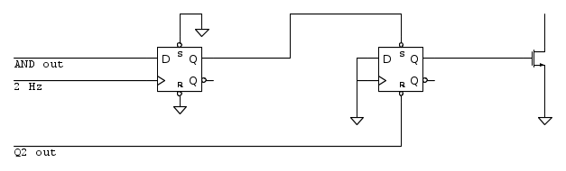
Ma puoi risparmiarti anche questi componenti: hai due FF e guarda caso hanno un Set/Reset asincrono.
Il primo lo usi come abbiamo visto, il secondo viene settato dall'uscita del primo e resettato da un'uscita del 4040 a tua scelta. Dato che il 4013 ha un 1 in uscita quando S e R sono alti contemporaneamente, per il reset puoi usare anche segnali che compongono la condizione AND per il primo FF. In tal caso l'impulso dura fino al primo passaggio a 1 dell'uscita che hai scelto dopo che l'uscita del primo FF sia passata a zero.
Riciclando il timing diagram di cui sopra avremmo (per l'esempio che il reset sia derivato dal bit "2" del 4040):
Il collegamento dei due FF è come segue:
I segnali di set/reset sono disegnati a logica negativa perché è quello che offre la libreria e non ho voglia di ridisegnare i simboli. Il CD4013 è a logica positiva.
Ci ho messo un FET in uscita perché i FF che hai sono un po' stitici in quanto a corrente in uscita. Occhio alla scelta del transistor (in particolare che il threshold sia compatibile con i tuoi livelli logici e che non abbia una capacità di gate enorme).
Solo tu sai quanto deve durare l'impulso. Scegli un'uscita del 4040 di conseguenza. Quanto disegnato è solo a titolo d'esempio.
Boiler
Mettici dei rettangoli.
Comunque l'uso di un array dove basta un transistor mi sembra tanto insensato quanto l'uso di un 555.
Easy as that:
Ma puoi risparmiarti anche questi componenti: hai due FF e guarda caso hanno un Set/Reset asincrono.
Il primo lo usi come abbiamo visto, il secondo viene settato dall'uscita del primo e resettato da un'uscita del 4040 a tua scelta. Dato che il 4013 ha un 1 in uscita quando S e R sono alti contemporaneamente, per il reset puoi usare anche segnali che compongono la condizione AND per il primo FF. In tal caso l'impulso dura fino al primo passaggio a 1 dell'uscita che hai scelto dopo che l'uscita del primo FF sia passata a zero.
Riciclando il timing diagram di cui sopra avremmo (per l'esempio che il reset sia derivato dal bit "2" del 4040):
Il collegamento dei due FF è come segue:
I segnali di set/reset sono disegnati a logica negativa perché è quello che offre la libreria e non ho voglia di ridisegnare i simboli. Il CD4013 è a logica positiva.
Ci ho messo un FET in uscita perché i FF che hai sono un po' stitici in quanto a corrente in uscita. Occhio alla scelta del transistor (in particolare che il threshold sia compatibile con i tuoi livelli logici e che non abbia una capacità di gate enorme).
Solo tu sai quanto deve durare l'impulso. Scegli un'uscita del 4040 di conseguenza. Quanto disegnato è solo a titolo d'esempio.
Boiler
0
voti
[29] Re: clock da 60"
ok, ti ringrazio, stasera aggiornerò lo schema.
Per la libreria di fidoCad, l'ho creati con fidoCad e a me li apre correttamente

Per la libreria di fidoCad, l'ho creati con fidoCad e a me li apre correttamente

Alex
https://www.facebook.com/Elettronicaeelettrotecnica
<< vedi di pigliare arditamente in mano, il dizionario che ti suona in bocca,
se non altro è schietto e paesano.
(Giuseppe Giusti) <<
https://www.facebook.com/Elettronicaeelettrotecnica
<< vedi di pigliare arditamente in mano, il dizionario che ti suona in bocca,
se non altro è schietto e paesano.
(Giuseppe Giusti) <<
0
voti
[30] Re: clock da 60"
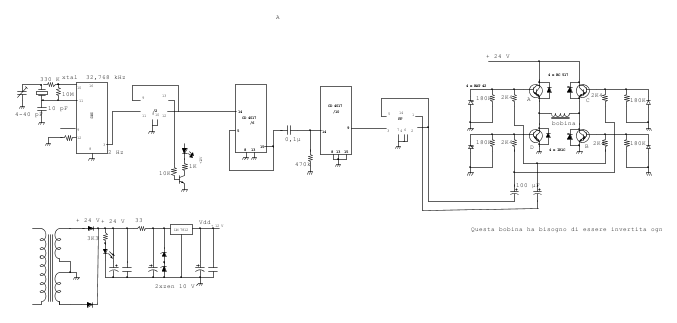
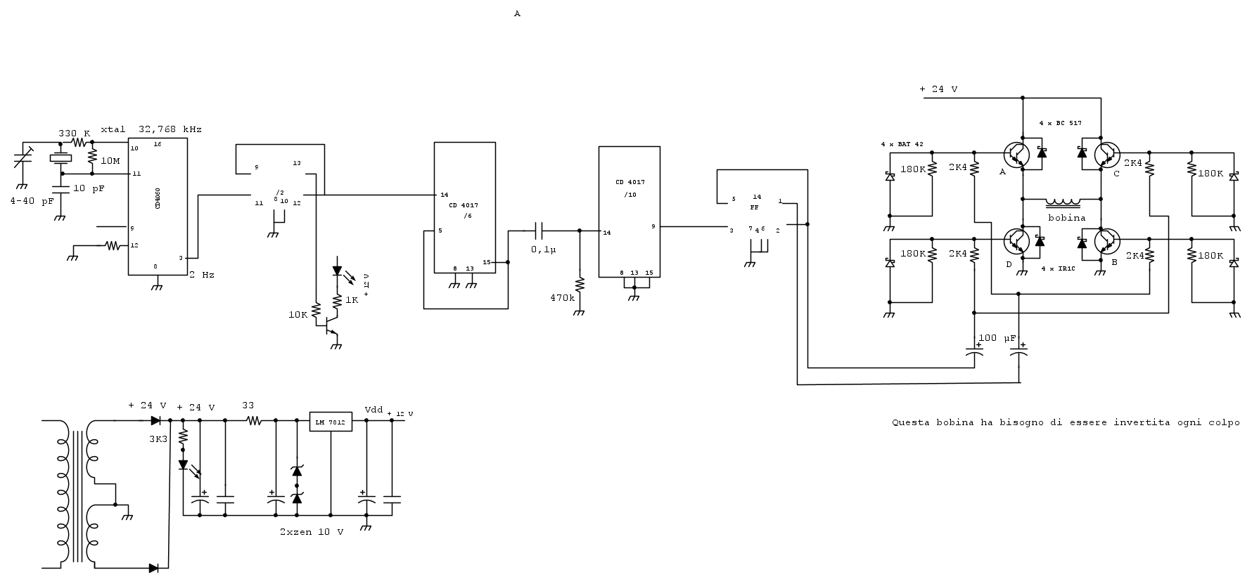
Buonasera, riprendo questa discussione, perché sono vicino ad ultimare il circuito, ho però un problema che dovrei risolvere e qui chiedo un'altra mano e cioè l'impulso che comanda la bobina dell'orologio non è sufficiente come tensione ( credo ) a farla scattare.
La bobina assorbe 50 mA .
Il circuito l'ho provato inizialmente mettendoci due led e resistenze contrapposti e di colore diverso e lo scambio avviene regolarmente, con gli elettrolitici in ingresso da 100 µF ho un'impulso di circa 1" e può andare bene, ma mettendo la sonda dell'oscilloscopio su un capo della bobina , posso valutare una tensione di circa 5 o 6 V e quindi non sufficiente a comandarla.
Come posso fare per avere più tensione ?
allego lo schema e le foto del PCB
La bobina assorbe 50 mA .
Il circuito l'ho provato inizialmente mettendoci due led e resistenze contrapposti e di colore diverso e lo scambio avviene regolarmente, con gli elettrolitici in ingresso da 100 µF ho un'impulso di circa 1" e può andare bene, ma mettendo la sonda dell'oscilloscopio su un capo della bobina , posso valutare una tensione di circa 5 o 6 V e quindi non sufficiente a comandarla.
Come posso fare per avere più tensione ?
allego lo schema e le foto del PCB
Alex
https://www.facebook.com/Elettronicaeelettrotecnica
<< vedi di pigliare arditamente in mano, il dizionario che ti suona in bocca,
se non altro è schietto e paesano.
(Giuseppe Giusti) <<
https://www.facebook.com/Elettronicaeelettrotecnica
<< vedi di pigliare arditamente in mano, il dizionario che ti suona in bocca,
se non altro è schietto e paesano.
(Giuseppe Giusti) <<
Chi c’è in linea
Visitano il forum: Nessuno e 40 ospiti

Elettrotecnica e non solo (admin)
Un gatto tra gli elettroni (IsidoroKZ)
Esperienza e simulazioni (g.schgor)
Moleskine di un idraulico (RenzoDF)
Il Blog di ElectroYou (webmaster)
Idee microcontrollate (TardoFreak)
PICcoli grandi PICMicro (Paolino)
Il blog elettrico di carloc (carloc)
DirtEYblooog (dirtydeeds)
Di tutto... un po' (jordan20)
AK47 (lillo)
Esperienze elettroniche (marco438)
Telecomunicazioni musicali (clavicordo)
Automazione ed Elettronica (gustavo)
Direttive per la sicurezza (ErnestoCappelletti)
EYnfo dall'Alaska (mir)
Apriamo il quadro! (attilio)
H7-25 (asdf)
Passione Elettrica (massimob)
Elettroni a spasso (guidob)
Bloguerra (guerra)










