Cos'è ElectroYou | Login Iscriviti

ElectroYou - la comunità dei professionisti del mondo elettrico

Alimentare un ATmega a 3 V con una pila da 3,7 V

Tipologie, strumenti di sviluppo, hardware e progetti

Moderatore: Foto UtentePaolino

0
voti

[1] Alimentare un ATmega a 3 V con una pila da 3,7 V

Messaggioda Foto UtentenikiT » 4 nov 2018, 2:28

Buongiorno a tutti!

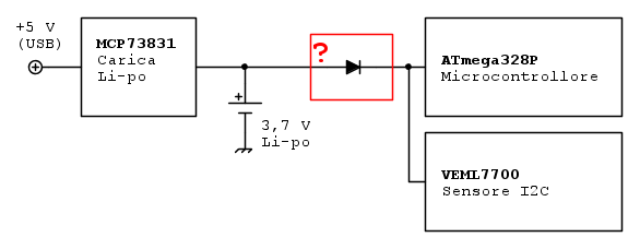
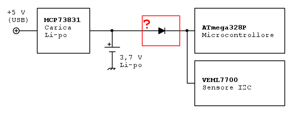
Ho la necessità di alimentare un sistema basato su microcontrollore ATmega328P con una tensione compresa tra 2,7 V e 3,6 V (questi limiti sono imposti dalla presenza di un VEML7700 connesso tramite I2C).

Per alimentare il circuito, pensavo di impiegare una normale batteria al litio ricaricabile da 3,7 V, la cui tensione d'uscita dovrebbe essere compresa tra 3,0 V (scarica) e 4,2 V (carica). Pensavo inoltre di affidare la carica ad un MCP73831 alimentato da una presa USB.

Dal momento che il circuito non dispone di un interruttore, ma lo spegnimento avviene semplicemente ponendo l'ATmega328P e il VEML7700 in power-down mode, è necessario che la riduzione della tensione d'alimentazione avvenga in maniera efficiente.

A questo scopo, potrei essere tentato di usare un semplice diodo per ottenere una caduta di tensione di ~0,7 V senza aumentare il consumo in stand-by.



Il problema, è che quando il sistema è in power-down mode, il consumo è dell'ordine di pochi microampere, per cui la caduta di tensione sul diodo è di appena una decina di millivolt anziché gli 0,7 V necessari! :(

Come conviene risolvere il problema secondo voi? Conviene usare un regolatore LDO ad alta efficienza?

Altrimenti, esistono regolatori LDO che abbinino un sistema di carica per la batteria Li-Po?

Grazie!

Ciao,
Niki
Avatar utente
Foto UtentenikiT
963 1 4 8
Expert EY
Expert EY
 
Messaggi: 720
Iscritto il: 4 mag 2009, 9:18

0
voti

[2] Re: Alimentare un ATmega a 3 V con una pila da 3,7 V

Messaggioda Foto UtenteEcoTan » 4 nov 2018, 9:50

Avatar utente
Foto UtenteEcoTan
7.720 4 12 13
Expert EY
Expert EY
 
Messaggi: 5422
Iscritto il: 29 gen 2014, 8:54

0
voti

[3] Re: Alimentare un ATmega a 3 V con una pila da 3,7 V

Messaggioda Foto Utenteluxinterior » 4 nov 2018, 10:34

Come descritto nella discussione citata da EcoTan anche io userei un DC/DC buck/bost
Io ho fatto un progetto con TPS63051 ma è uno dei tanti. La sua presenza però ti consuma 50uA di quiescent current costanti. devi vedere tu se il consumo è accettabile per l'autonomia del tutto o, nel caso fosse possibile, agire sull'enable per metterlo in shutdown ovviamente tagliando alimentazione a tutto quello che c'è a valle. In questo caso devi prevedere un risveglio esterno tipo tasto orologio o qualsiasi altra cosa che abbia vita autonoma e possa modificare lo stato del pin di enable
Avatar utente
Foto Utenteluxinterior
4.311 3 4 9
Master EY
Master EY
 
Messaggi: 2690
Iscritto il: 6 gen 2016, 17:48


Torna a Realizzazioni, interfacciamento e nozioni generali.

Chi c’è in linea

Visitano il forum: Nessuno e 3 ospiti