Visualizzare fine corsa di un motore in CC
Moderatori:
carloc,
g.schgor,
BrunoValente,
IsidoroKZ
44 messaggi
• Pagina 2 di 5 • 1, 2, 3, 4, 5
0
voti
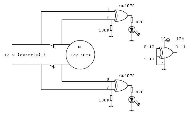
Ecco lo schema che (salvo miei errori) mi ha consigliato MarcoD, che prego di controllare se ho messo le esatte polarità dei transistor (speriamo che questa libreria venga regolarmente visualizzata nel Forum):
Con l'occasione vi prego di segnalarmi i link per le librerie che vengono utilizzate in FIDOCADJ e regolarmente visualizzate in questo Forum (per eventuali futuri interventi), perché ho penato molto per trovare quella che visualizzava anche le resistenze.
Grazie per il Vostro aiuto.
Con l'occasione vi prego di segnalarmi i link per le librerie che vengono utilizzate in FIDOCADJ e regolarmente visualizzate in questo Forum (per eventuali futuri interventi), perché ho penato molto per trovare quella che visualizzava anche le resistenze.
Grazie per il Vostro aiuto.
0
voti
Mi dispiace il tuo schema (post11) non può funzionare.
-

StefanoSunda
2.880 3 6 10 - Master

- Messaggi: 1962
- Iscritto il: 16 set 2010, 19:29
0
voti
Ciuccino ha scritto:Potreste segnalarmi una libreria che mi permetta di sottoporre il mio disegno FIDOCADJ in maniera che sia esattamente visualizzato in questo FORUM?
EY_Libraries, Simboli Elettrotecnica, Libreria standard. Le libreria che trovi da default quando scarichi il programma dovrebbero funzionare tutte.
Il Conte di Montecristo
Se non studio un giorno, me ne accorgo io. Se non studio due giorni, se ne accorge il pubblico.
Io devo studiare sodo e preparare me stesso perché prima o poi verrà il mio momento.
Abraham Lincoln
Se non studio un giorno, me ne accorgo io. Se non studio due giorni, se ne accorge il pubblico.
Io devo studiare sodo e preparare me stesso perché prima o poi verrà il mio momento.
Abraham Lincoln
-

EdmondDantes
11,9k 8 11 13 - Disattivato su sua richiesta
- Messaggi: 3619
- Iscritto il: 25 lug 2009, 22:18
- Località: Marsiglia
0
voti
Forse qualcosa del genere?
1
voti
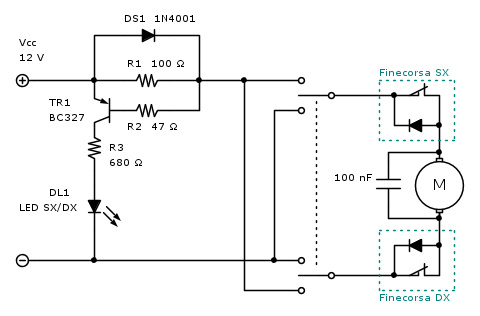
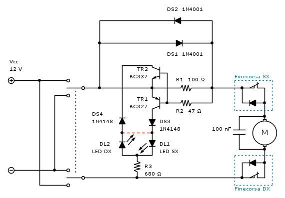
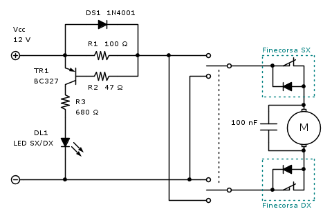
Potresti utilizzare questo circuito, inserito prima dell'invertitore (o doppio deviatore) del telecomando.
In questo modo ti risparmi le complicazioni derivanti dall'inversione di polarità. Se hai bisogno di due led (per indicare il movimento nei due versi) si può fare, nel caso dimmelo.
Ho indicato i finecorsa in due rettangoli azzurri. Secondo me contengono anche un diodo (che ho raffigurato), altrimenti non capisco come il motore possa funzionare come hai descritto.
Il led si accende per correnti superiori a 6 mA circa.
Infatti con questa corrente si trovano 0,6 V ai capi della resistenza R1, sufficienti a mandare in conduzione il transistor.
Il diodo DS1 opera da "bypass" e lascia passare tutta la corrente che eccede i 7 mA (circa), limitando la caduta di tensione a circa 0,7 V, che non dovrebbe dare nessun fastidio.
Per avere una caduta minore si potrebbe usare una resistenza di sensing di basso valore e un comparatore, ma il circuito diventerebbe più complesso, oltre a presentare un consumo non nullo a riposo.
Oppure si potrebbe polarizzare leggermente il transistor TR1 inserendo una resistenza da 5600 Ω dalla base verso il negativo, sostituendo R1 con una resistenza da 10 Ω (come era nel tuo schema iniziale) e R2 con una resistenza da 180 Ω. Così facendo però il led potrebbe accendersi per innalzamenti della tensione di alimentazione oltre i 15 V, e il circuito presenterebbe un consumo costante di 2 mA anche a motore fermo (potrebbe essere un problema se lo alimenti a batteria).
Se tu volessi inserire il circuito dopo l'invertitore (o doppio deviatore che sia), bisognerebbe inserire diodi e transistor nei due versi, complicando il circuito (vedi prossimo post).
P.S. corretto il valore di R2 (da 10 a 47 Ω) dopo che
MarcoD mi ha fatto osservare (grazie!) che in qualche caso potrebbe essere troppo bassa, anche se DS1 comunque limita la d.d.p. a cui è sottoposta.
In questo modo ti risparmi le complicazioni derivanti dall'inversione di polarità. Se hai bisogno di due led (per indicare il movimento nei due versi) si può fare, nel caso dimmelo.
Ho indicato i finecorsa in due rettangoli azzurri. Secondo me contengono anche un diodo (che ho raffigurato), altrimenti non capisco come il motore possa funzionare come hai descritto.
Il led si accende per correnti superiori a 6 mA circa.
Infatti con questa corrente si trovano 0,6 V ai capi della resistenza R1, sufficienti a mandare in conduzione il transistor.
Il diodo DS1 opera da "bypass" e lascia passare tutta la corrente che eccede i 7 mA (circa), limitando la caduta di tensione a circa 0,7 V, che non dovrebbe dare nessun fastidio.
Per avere una caduta minore si potrebbe usare una resistenza di sensing di basso valore e un comparatore, ma il circuito diventerebbe più complesso, oltre a presentare un consumo non nullo a riposo.
Oppure si potrebbe polarizzare leggermente il transistor TR1 inserendo una resistenza da 5600 Ω dalla base verso il negativo, sostituendo R1 con una resistenza da 10 Ω (come era nel tuo schema iniziale) e R2 con una resistenza da 180 Ω. Così facendo però il led potrebbe accendersi per innalzamenti della tensione di alimentazione oltre i 15 V, e il circuito presenterebbe un consumo costante di 2 mA anche a motore fermo (potrebbe essere un problema se lo alimenti a batteria).
Se tu volessi inserire il circuito dopo l'invertitore (o doppio deviatore che sia), bisognerebbe inserire diodi e transistor nei due versi, complicando il circuito (vedi prossimo post).
P.S. corretto il valore di R2 (da 10 a 47 Ω) dopo che
Big fan of ⋮ƎlectroYou! Ausili per disabili e anziani su ⋮ƎlectroYou
Caratteri utili: À È É Ì Ò Ó Ù α β γ δ ε η θ λ μ π ρ σ τ φ ω Ω º ª ² ³ √ ∛ ∜ ₀ ₁ ₂ ₃ ₄ ₅ ₆ ∃ ∄ ∆ ∈ ∉ ± ∓ ∾ ≃ ≈ ≠ ≤ ≥
Caratteri utili: À È É Ì Ò Ó Ù α β γ δ ε η θ λ μ π ρ σ τ φ ω Ω º ª ² ³ √ ∛ ∜ ₀ ₁ ₂ ₃ ₄ ₅ ₆ ∃ ∄ ∆ ∈ ∉ ± ∓ ∾ ≃ ≈ ≠ ≤ ≥
2
voti
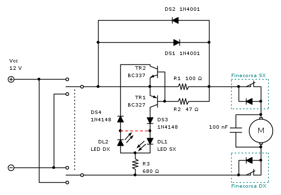
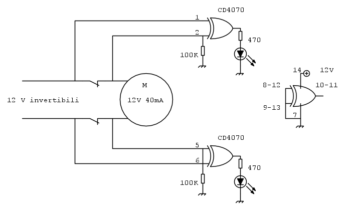
Ecco la versione per rivelare il passaggio di corrente in entrambi i versi:
È stato necessario aggiungere al circuito due diodi (DS3 e DS4) sui collettori dei transistor per bloccare il passaggio di corrente nel verso non voluto. Molti led non resistono a tensioni inverse oltre i 5 V, quindi ci vogliono questi 1N4148 aggiuntivi.
Il collegamento tratteggiato in rosso non è necessario, ma si può mettere (per collegare entrambi i led con due soli fili). Si possono anche scambiare le posizioni di R3 e dei led, in modo che i led abbiano un terminale a massa (per avere un filo in meno da portare).
Volendo, con l'aggiunta di un ponte di Graetz, si potrebbero combinare i due led in uno solo.
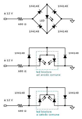
Si potrebbe utilizzare anche un led bicolore (o RGB, lasciando un colore inutilizzato) ad anodo o catodo comune, ed ottenere un colore distinto per ogni verso:
È stato necessario aggiungere al circuito due diodi (DS3 e DS4) sui collettori dei transistor per bloccare il passaggio di corrente nel verso non voluto. Molti led non resistono a tensioni inverse oltre i 5 V, quindi ci vogliono questi 1N4148 aggiuntivi.
Il collegamento tratteggiato in rosso non è necessario, ma si può mettere (per collegare entrambi i led con due soli fili). Si possono anche scambiare le posizioni di R3 e dei led, in modo che i led abbiano un terminale a massa (per avere un filo in meno da portare).
Volendo, con l'aggiunta di un ponte di Graetz, si potrebbero combinare i due led in uno solo.
Si potrebbe utilizzare anche un led bicolore (o RGB, lasciando un colore inutilizzato) ad anodo o catodo comune, ed ottenere un colore distinto per ogni verso:
Big fan of ⋮ƎlectroYou! Ausili per disabili e anziani su ⋮ƎlectroYou
Caratteri utili: À È É Ì Ò Ó Ù α β γ δ ε η θ λ μ π ρ σ τ φ ω Ω º ª ² ³ √ ∛ ∜ ₀ ₁ ₂ ₃ ₄ ₅ ₆ ∃ ∄ ∆ ∈ ∉ ± ∓ ∾ ≃ ≈ ≠ ≤ ≥
Caratteri utili: À È É Ì Ò Ó Ù α β γ δ ε η θ λ μ π ρ σ τ φ ω Ω º ª ² ³ √ ∛ ∜ ₀ ₁ ₂ ₃ ₄ ₅ ₆ ∃ ∄ ∆ ∈ ∉ ± ∓ ∾ ≃ ≈ ≠ ≤ ≥
0
voti
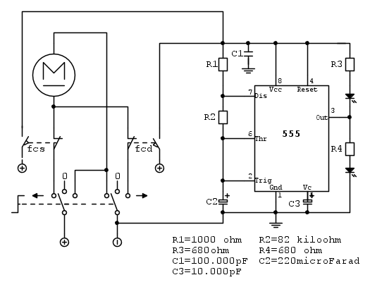
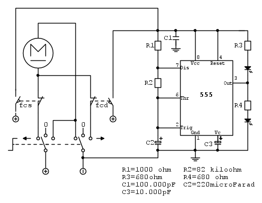
Io farei in questo modo:
-

StefanoSunda
2.880 3 6 10 - Master

- Messaggi: 1962
- Iscritto il: 16 set 2010, 19:29
0
voti
Gentilissimi del Forum, mi sembra che la soluzione migliore e più facile (nel mio caso) sia quella prospettata da GuidoB al post n° 16.
Infatti GuidoB hai compreso benissimo che nella scatola dei fine corsa ci sono due diodi, ma io non ho potuto vederli direttamente (ecco perché non li avevo schematizzati), perché non ho aperto la scatola, ma li ho visti in una foto che il buon I6VMS mi ha spedito via whatsapp.
Li effettivametne si vedono i due diodi, ognuno messo a cavallo di ogni fine corsa (il senso non iesco a vederlo esattamente dalla foto inviata).
Quindi brevissimo riassunto:
1) realizzo il circuitino stampato su una basettina, utilizzando l'acido ferrico, perché mi sembra un montaggio più pulito;
2) pongo il circuito realizzato direttamente alla fine dei deviatori, proprio sul cavo che parte per la scatola esterna con all'interno il motore ed i fine corsa con allegati diodi.
3) non utilizzo il seppur ottimo consiglio del ponte di Graetz, ma impiego due LED con vicino ad ognuno l'indicazione di UP/DOWN proprio sul telecomando;
Il tempo di realizzare il tutto e vi riferirò se tutto è andato per il meglio.
Per il momento grazie moltissime per i consigli e per il prezioso tempo che avete dedicato alla mia problematica.
I ringraziamenti sono estesi anche a coloro che hanno consigliato altre soluzioni circuitali, ma ho dovuto scegliere anche in base alle mie possibilità e conoscenze tecniche personali (considerando che ho studiato Elettronica e Telecomunicazioni, ma è stato 40 anni fa e non ho mai esercitato su tali settori.....purtroppo).
Grazie ancora a tutti ed a presto rileggervi.
Infatti GuidoB hai compreso benissimo che nella scatola dei fine corsa ci sono due diodi, ma io non ho potuto vederli direttamente (ecco perché non li avevo schematizzati), perché non ho aperto la scatola, ma li ho visti in una foto che il buon I6VMS mi ha spedito via whatsapp.
Li effettivametne si vedono i due diodi, ognuno messo a cavallo di ogni fine corsa (il senso non iesco a vederlo esattamente dalla foto inviata).
Quindi brevissimo riassunto:
1) realizzo il circuitino stampato su una basettina, utilizzando l'acido ferrico, perché mi sembra un montaggio più pulito;
2) pongo il circuito realizzato direttamente alla fine dei deviatori, proprio sul cavo che parte per la scatola esterna con all'interno il motore ed i fine corsa con allegati diodi.
3) non utilizzo il seppur ottimo consiglio del ponte di Graetz, ma impiego due LED con vicino ad ognuno l'indicazione di UP/DOWN proprio sul telecomando;
Il tempo di realizzare il tutto e vi riferirò se tutto è andato per il meglio.
Per il momento grazie moltissime per i consigli e per il prezioso tempo che avete dedicato alla mia problematica.
I ringraziamenti sono estesi anche a coloro che hanno consigliato altre soluzioni circuitali, ma ho dovuto scegliere anche in base alle mie possibilità e conoscenze tecniche personali (considerando che ho studiato Elettronica e Telecomunicazioni, ma è stato 40 anni fa e non ho mai esercitato su tali settori.....purtroppo).
Grazie ancora a tutti ed a presto rileggervi.
0
voti
Ciao
Ciuccino, grazie per la fiducia accordata al mio schema.
Vorrei farti notare che, se tu potessi inserire il circuito a monte dei deviatori che invertono la polarità, potresti utilizzare lo schema del post 15, che è più semplice. Ha un solo led che si accende quando il motorino gira in uno qualunque dei due versi di marcia. Aggiungendo due diodi è anche possibile sdoppiare l'indicazione su due led, uno per ogni verso di marcia: se ti serve disegno lo schema.
Vorrei farti notare che, se tu potessi inserire il circuito a monte dei deviatori che invertono la polarità, potresti utilizzare lo schema del post 15, che è più semplice. Ha un solo led che si accende quando il motorino gira in uno qualunque dei due versi di marcia. Aggiungendo due diodi è anche possibile sdoppiare l'indicazione su due led, uno per ogni verso di marcia: se ti serve disegno lo schema.
Big fan of ⋮ƎlectroYou! Ausili per disabili e anziani su ⋮ƎlectroYou
Caratteri utili: À È É Ì Ò Ó Ù α β γ δ ε η θ λ μ π ρ σ τ φ ω Ω º ª ² ³ √ ∛ ∜ ₀ ₁ ₂ ₃ ₄ ₅ ₆ ∃ ∄ ∆ ∈ ∉ ± ∓ ∾ ≃ ≈ ≠ ≤ ≥
Caratteri utili: À È É Ì Ò Ó Ù α β γ δ ε η θ λ μ π ρ σ τ φ ω Ω º ª ² ³ √ ∛ ∜ ₀ ₁ ₂ ₃ ₄ ₅ ₆ ∃ ∄ ∆ ∈ ∉ ± ∓ ∾ ≃ ≈ ≠ ≤ ≥
0
voti
Gent.mo GuidoB, io ho accesso perfettamente all'alimentazione prima degli invertitori e prima dei fine corsa, perché partono tutti dal telecomando che tengo vicino a me.
Se non ti crea troppo impegno, puoi farmi vedere il circuitino finale del post n° 15 (più semplice, così se è possibile mi risparmio anche il circuito stampato, attraverso un montaggio volante) per entrambi i LED che si accendono alternativamente per ogni senso di marcia?
Ti ringrazio anticipatamente e a presto rileggerti.
P.S.: nel frattempo mi sono messo in un unico file FODOCADJ tutti i Tuoi circuiti ed alla fine lo posto nel finale di questo tread, a disposizione di tutti.
Grazie ancora.
Se non ti crea troppo impegno, puoi farmi vedere il circuitino finale del post n° 15 (più semplice, così se è possibile mi risparmio anche il circuito stampato, attraverso un montaggio volante) per entrambi i LED che si accendono alternativamente per ogni senso di marcia?
Ti ringrazio anticipatamente e a presto rileggerti.
P.S.: nel frattempo mi sono messo in un unico file FODOCADJ tutti i Tuoi circuiti ed alla fine lo posto nel finale di questo tread, a disposizione di tutti.
Grazie ancora.
44 messaggi
• Pagina 2 di 5 • 1, 2, 3, 4, 5
Chi c’è in linea
Visitano il forum: Majestic-12 [Bot] e 43 ospiti

Elettrotecnica e non solo (admin)
Un gatto tra gli elettroni (IsidoroKZ)
Esperienza e simulazioni (g.schgor)
Moleskine di un idraulico (RenzoDF)
Il Blog di ElectroYou (webmaster)
Idee microcontrollate (TardoFreak)
PICcoli grandi PICMicro (Paolino)
Il blog elettrico di carloc (carloc)
DirtEYblooog (dirtydeeds)
Di tutto... un po' (jordan20)
AK47 (lillo)
Esperienze elettroniche (marco438)
Telecomunicazioni musicali (clavicordo)
Automazione ed Elettronica (gustavo)
Direttive per la sicurezza (ErnestoCappelletti)
EYnfo dall'Alaska (mir)
Apriamo il quadro! (attilio)
H7-25 (asdf)
Passione Elettrica (massimob)
Elettroni a spasso (guidob)
Bloguerra (guerra)









