Cos'è ElectroYou | Login Iscriviti

ElectroYou - la comunità dei professionisti del mondo elettrico

Specchio di corrente a Darlington

Elettronica lineare e digitale: didattica ed applicazioni

Moderatori: Foto Utentecarloc, Foto Utenteg.schgor, Foto UtenteBrunoValente, Foto UtenteIsidoroKZ

0
voti

[1] Specchio di corrente a Darlington

Messaggioda Foto UtenteMaranza » 12 nov 2018, 14:12

Buongiorno,

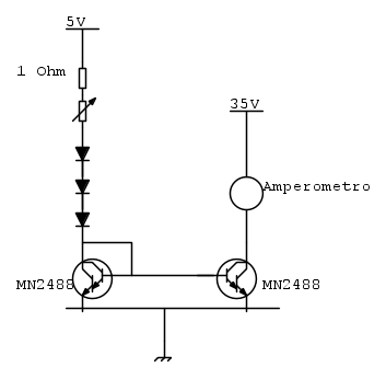
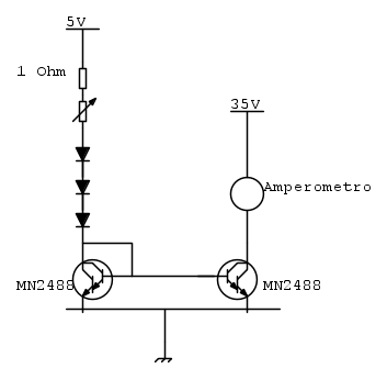
Volendo testare la capacità di corrente di un alimentatore, non avendo resistori variabili da molti watt stavo provano con una configurazione a specchio di corrente di questo tipo:



regolando il trimmer vorrei regolare corrente assorbita sull'altro darlington usato come carico.

Provo prima alimentando l'altro ramo sempre a 5V e funziona abbastanza bene, cioè le correnti nei due rami sono piuttosto simili considerando le differenze nei guadagni di corrente e di soglia, ma per quello che mi interessa va bene così.

Il problema lo ho quando alimento l'altro ramo a 35 V.
Non appena collego, la corrente inizia a crescere senza limite e senza alcun legame con l'altro ramo e nel giro di 1/2 secondi a 10A spengo tutto per non bruciare tutto.
Ovviamente senza i 5V il ramo a 35V non conduce.

Qualche idea? O_/
Avatar utente
Foto UtenteMaranza
63 1 1 6
New entry
New entry
 
Messaggi: 97
Iscritto il: 26 set 2017, 8:38

0
voti

[2] Re: Specchio di corrente a Darlington

Messaggioda Foto UtenteMarcoD » 12 nov 2018, 14:47

I due transistor sono sullo stesso dissipatore?
Anche se le temperature delle giunzioni saranno diverse .
Avatar utente
Foto UtenteMarcoD
12,2k 5 9 13
Master EY
Master EY
 
Messaggi: 6696
Iscritto il: 9 lug 2015, 16:58
Località: Torino

0
voti

[3] Re: Specchio di corrente a Darlington

Messaggioda Foto UtenteMaranza » 12 nov 2018, 15:04

Si sono sullo stesso dissipatore ma isolati
Avatar utente
Foto UtenteMaranza
63 1 1 6
New entry
New entry
 
Messaggi: 97
Iscritto il: 26 set 2017, 8:38

0
voti

[4] Re: Specchio di corrente a Darlington

Messaggioda Foto UtenteIsidoroKZ » 12 nov 2018, 16:40

Gli specchi fatti a transistori discreti hanno prestazioni decisamente scadenti, quelli a Darlington anche peggio :(

Metti due resistenze uguali sugli emettitori, 1 ohm o giu` di li`, dipende se vuol salire molto di corrente o no. Meglio sarebbe un operazionale che controlli la corrente del transistore cosi` ti togli quasi tutte le derive termiche.
Per usare proficuamente un simulatore, bisogna sapere molta più elettronica di lui
Plug it in - it works better!
Il 555 sta all'elettronica come Arduino all'informatica! (entrambi loro malgrado)
Se volete risposte rispondete a tutte le mie domande
Avatar utente
Foto UtenteIsidoroKZ
121,2k 1 3 8
G.Master EY
G.Master EY
 
Messaggi: 21059
Iscritto il: 17 ott 2009, 0:00

0
voti

[5] Re: Specchio di corrente a Darlington

Messaggioda Foto UtenteMaranza » 12 nov 2018, 17:21

IsidoroKZ ha scritto:Gli specchi fatti a transistori discreti hanno prestazioni decisamente scadenti, quelli a Darlington anche peggio :(

Su quello non c'è dubbio ma che da un lato passino 100mA e dall'altro 10A ed oltre (non posso sapere il valore che raggiungerebbe) mi sembra ben altro che "scarsità" di questa configurazione a discreti.
Probabilmente starò sbagliando qualcosa io che non riesco a vedere.
Comunque grazie per l'interessamento!
Avatar utente
Foto UtenteMaranza
63 1 1 6
New entry
New entry
 
Messaggi: 97
Iscritto il: 26 set 2017, 8:38

0
voti

[6] Re: Specchio di corrente a Darlington

Messaggioda Foto UtenteTITAN » 12 nov 2018, 17:30

Io posso capirne il funzionamento di uno specchio di corrente ma non ne capisco l'utilità .a cosa serve produrre una corrente uguale ad un altro ramo ?
Capisco ridurre una corrente (schunt) per misurare una enormemente più grande, ma una uguale che senso ha ?
Avatar utente
Foto UtenteTITAN
1.041 2 4 5
Sostenitore
Sostenitore
 
Messaggi: 1463
Iscritto il: 31 dic 2012, 20:22

1
voti

[7] Re: Specchio di corrente a Darlington

Messaggioda Foto Utentebrabus » 12 nov 2018, 17:52

Per costruire un generatore di potenza di corrente io andrei molto liscio con un operazionale in base, retroazionato sullo shunt. Regolati con gli offset in modo da gestire anche lo startup e avrai un sistema potente e stabile.

Trovi indicazioni all'inizio di questo articolo: https://www.electroyou.it/brabus/wiki/carico_attivo
Alberto.
Avatar utente
Foto Utentebrabus
22,2k 4 11 13
G.Master EY
G.Master EY
 
Messaggi: 3146
Iscritto il: 26 gen 2009, 15:16

0
voti

[8] Re: Specchio di corrente a Darlington

Messaggioda Foto UtenteIsidoroKZ » 12 nov 2018, 19:03

Foto UtenteTITAN, lo specchio e` usato principalmente nei circuiti integrati per la polarizzazione.
Per usare proficuamente un simulatore, bisogna sapere molta più elettronica di lui
Plug it in - it works better!
Il 555 sta all'elettronica come Arduino all'informatica! (entrambi loro malgrado)
Se volete risposte rispondete a tutte le mie domande
Avatar utente
Foto UtenteIsidoroKZ
121,2k 1 3 8
G.Master EY
G.Master EY
 
Messaggi: 21059
Iscritto il: 17 ott 2009, 0:00

0
voti

[9] Re: Specchio di corrente a Darlington

Messaggioda Foto UtenteTITAN » 12 nov 2018, 19:49

IsidoroKZ ha scritto:Foto UtenteTITAN, lo specchio e` usato principalmente nei circuiti integrati per la polarizzazione.


Per cortesia potresti essere più chiaro o darmi qualche informazione in più ?
Cioè sono costruiti negli IC per una maggiore precisione o servono per gli IC ?
Avatar utente
Foto UtenteTITAN
1.041 2 4 5
Sostenitore
Sostenitore
 
Messaggi: 1463
Iscritto il: 31 dic 2012, 20:22

1
voti

[10] Re: Specchio di corrente a Darlington

Messaggioda Foto UtenteIsidoroKZ » 12 nov 2018, 21:31

Sono usati negli IC, non capisco bene le due alternative che proponi.

Qui, ad esempio c'e` lo schema dell'operazionale 741.

741op-ampinternalstructure.png

(Daniel Braun CC)

Di specchi ce ne sono tanti: Q10 e Q11, insieme con Q12 e Q13 sono due specchi che generano le correnti di polarizzazione. Q8 e Q9 e` un altro specchio che fa parte della polarizzazione del primo stadio. Q5 Q6 e Q7 formano un altro specchio che serve da carico per il primo stadio.
Per usare proficuamente un simulatore, bisogna sapere molta più elettronica di lui
Plug it in - it works better!
Il 555 sta all'elettronica come Arduino all'informatica! (entrambi loro malgrado)
Se volete risposte rispondete a tutte le mie domande
Avatar utente
Foto UtenteIsidoroKZ
121,2k 1 3 8
G.Master EY
G.Master EY
 
Messaggi: 21059
Iscritto il: 17 ott 2009, 0:00

Prossimo

Torna a Elettronica generale

Chi c’è in linea

Visitano il forum: Google Adsense [Bot] e 53 ospiti