Ho intuito ciò che mi stai dicendo, ma sono ancora in una fase di studio in cui sto "organizzando" i vari pezzi.
Diciamo quella fase in cui hai capito l'immagine che viene fuori dal tuo "puzzle" ma li stai ancora montando (scusa l'esempio).
Moderatori:
sebago,
MASSIMO-G,
lillo,
Mike

coulomb ha scritto:E' un discorso abbastanza ampio con una bella trattazione matematica come testo di riferimento potresti vedere il gatta.
coulomb ha scritto:Arrivando alle conclusioni il vantaggio della gestione delle rete a neutro isolato è la limitata corrente di guasto che non produce effetti termici considerevoli e permette la continuità di esercizio dell'impianto.
Questa soluzione si utilizza su grossi stabilimenti industriali con distribuzionie MT di prorprietà.
Lo svantaggio è la presenza di sovratensioni transitorie elevate con possibili innesci di archi intermittenti che producono anche sovratensioni transitorie di 4-5pu sulle fasi sane, con conseguente degrado dell'isolamento ed evoluzione del guasto ad esempio in guasto monofase doppio.
coulomb ha scritto:La messa a terra su resistenza ha lo svantaggio di aumentare la corrente di guasto ma limita le sovratensioni transitore.
La tensione verso terra a transitorio esaurito è uguale con rete esercita a neutro isolato o su resistenza ed è pari alla concatenata perché in ambedue i casi il centro stella si sposta.


EdmondDantes ha scritto:Vorrei chiedere solo una cosa.
Hai studiato le reti di sequenza diretta, inversa e omopolare?




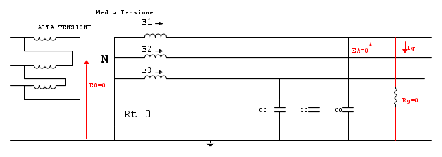
sopra riportata, sto ipotizzando ovviamente una serie di semplificazioni, quali ad esempio aver trascurato le impedenze serie di ogni conduttore della line, etc….
(guasto franco), la tensione tra fase e terra
poiché viene in tal caso “cortocircuitata” (scusate la “brutalità” con cui giustifico certe cose, è giusto per andare al dunque ed essere rapido).
, e dunque il potenziale di terra assume lo stesso valore del centro stella, in condizioni di guasto e in condizioni normali di esercizio (in altre parole, la c.d.t. tra la terra e il centro stella è nulla).
;
(percorso a minima impedenza), si ha che anche in condizioni di guasto è lecito assumere che
e
, dunque:
si ha che la tensione omopolare
.Torna a Impianti, sicurezza e quadristica
Visitano il forum: Nessuno e 156 ospiti