Ciao,
mi sono appena iscritto al forum e vorrei fare subito una domanda.
Vorrei potere controllare la tensione di una stringa di pannelli fotovoltaici tramite Arduino. Sapete se esiste un circuito appropriato per trasfomare in modo lineare 1000Vcc(max) in 5vcc ?
Pensavo ad un semplicissimo partitore di tensione costruito con resistenze e materiali isolanti adatti a tensioni >1000Vcc ma non so se sia la soluzione migliore.
Grazie per eventuali risposte.
Ciao
Trasformare 1000Vcc(max) in 5Vcc
Moderatori:
carloc,
g.schgor,
BrunoValente,
IsidoroKZ
29 messaggi
• Pagina 1 di 3 • 1, 2, 3
0
voti
1
voti
Pensavo ad un semplicissimo partitore di tensione costruito con resistenze e materiali isolanti adatti a tensioni >1000Vcc ma non so se sia la soluzione migliore.
Forse è la via meno peggiore.
Suggerirei:
sul ramo alto metti cinque resistori da 180 kohm 1/2 W in serie e sul ramo basso un trimmer da 10 kohm.
Regoli il trimmer per il rapporto di partizione voluto.
Andrà bene ? Dissipazione^? Tensione max sopportabile dei resistori ?
Altre proposte ??
Se la alta tensione è rispetto a massa gnd, non dovrebbe esserci molto pericolo
(es con optocoupler) Non mi pare che siano utilizzabili ?? isolare un linea seriale? Anche l'alimentazione ?
ATTENTO ALLE SCOSSE !!!!
0
voti
mmm... se si interrompe un resistore della catena rischia grosso, e comunque con quei valori il corpo umano, in caso di contatto accidentale, farebbe da via preferenziale
Arduino lasciamolo a giocare a tensioni ragionevoli!
Io avrei un problema simile, vorrei visualizzare in abitacolo la tensione del pacco batterie della mia Eli (circa 200-250V) e ho sempre desistito proprio per evitare rischi.
Tempo fa mi avevano indicato dei voltmetri fatti proprio per impianti solari, costano poco e dovrebbero essere isolati, ma non li ho mai provati.
Sono limitati a tensioni più basse, ma si potrebbe pensare di monitorare solo 1/10 della stringa, immagino che con illuminazione uniforme possa essere un valore significativo (1/10 della tensione totale)
https://it.aliexpress.com/item/DC-Batte ... autifyAB=0
https://www.ebay.co.uk/itm/Battery-Moni ... 2559255665
https://www.amazon.it/dp/B01K20QD44/ref ... tAbKKCX6WW
Arduino lasciamolo a giocare a tensioni ragionevoli!
Io avrei un problema simile, vorrei visualizzare in abitacolo la tensione del pacco batterie della mia Eli (circa 200-250V) e ho sempre desistito proprio per evitare rischi.
Tempo fa mi avevano indicato dei voltmetri fatti proprio per impianti solari, costano poco e dovrebbero essere isolati, ma non li ho mai provati.
Sono limitati a tensioni più basse, ma si potrebbe pensare di monitorare solo 1/10 della stringa, immagino che con illuminazione uniforme possa essere un valore significativo (1/10 della tensione totale)
https://it.aliexpress.com/item/DC-Batte ... autifyAB=0
https://www.ebay.co.uk/itm/Battery-Moni ... 2559255665
https://www.amazon.it/dp/B01K20QD44/ref ... tAbKKCX6WW
1
voti
mmm... se si interrompe un resistore della catena rischia grosso, e comunque con quei valori il corpo umano, in caso di contatto accidentale, farebbe da via preferenziale
Se si interrompe uno della catena la tensione in uscita va a zero.
Basta che non si interrompa quello da 10 kohm !!!
Però 1000 V / (5*220 kohm ) = 1 mA non è una corrente mortale,
Anche l'ingresso analogico di arduino dovrebbe sopportarla ( I max 40 mA, discutibile).
Il partitore complessivamente assorbe 1000V* 1 mA = 1 watt, sono molti ??
forse si può ridurli usando resistori da 300 kohm invece che 220k
a tutti. in attesa della cena.... 1
voti
Buonasera,
ho letto il post e mi sono messo a pensare e poi mi è venuto a mente che anni fa avevo fatto qualcosa di simile per fare delle misure sull'alta tensione dei TV a colori, anche se poi non l'avrò usata più di due volte ( le prove
) in ogni modo avevo fatto lo schema con il varistore.
Metto anche un altro schema che usa delle resistenze da 100 K come protezione di un'eventuale interruzione del trimmer, è vero che la lettura deve correggere la piccola differenza che le tre resistenze introducono, ma non credo che sia dannoso per la lettura, invece con il varistore non ci sono differenze.
Ho scritto varistore da 24 V, ma anche tensioni superiori vanno bene.
ho letto il post e mi sono messo a pensare e poi mi è venuto a mente che anni fa avevo fatto qualcosa di simile per fare delle misure sull'alta tensione dei TV a colori, anche se poi non l'avrò usata più di due volte ( le prove
Metto anche un altro schema che usa delle resistenze da 100 K come protezione di un'eventuale interruzione del trimmer, è vero che la lettura deve correggere la piccola differenza che le tre resistenze introducono, ma non credo che sia dannoso per la lettura, invece con il varistore non ci sono differenze.
Ho scritto varistore da 24 V, ma anche tensioni superiori vanno bene.
Alex
https://www.facebook.com/Elettronicaeelettrotecnica
<< vedi di pigliare arditamente in mano, il dizionario che ti suona in bocca,
se non altro è schietto e paesano.
(Giuseppe Giusti) <<
https://www.facebook.com/Elettronicaeelettrotecnica
<< vedi di pigliare arditamente in mano, il dizionario che ti suona in bocca,
se non altro è schietto e paesano.
(Giuseppe Giusti) <<
3
voti
Il partitore resistivo è la strada giusta da seguire. È anche quello che usano i produttori profesciònal (vedi per esempio Pfiffner).
Ma non s'ha da fare un'arraffazzonatura di roba messa insieme alla meglio...
Ad alta tensione i resistori hanno anche un coefficiente di tensione.
Ci sono componenti accoppiati termicamente, calibrati e garantiti.
https://www.mouser.it/ProductDetail/Cad ... fzfTw.link
Questo per esempio ti fa una divisione 1000:1 e fintanto che non ci metti in ingresso 5 kV non succede nulla di pericoloso.
La vera domanda da farsi è: cosa fare con il segnale? Conviene condizionarlo in loco con un piccolo microcontroller (o Arduino se ci si vuole far del male) e trasmettere il segnale su una linea digitale isolata. Qui ci sono diverse possibilità, dipende un po' dai gusti dell'OP, dalle condizioni in cui si misura e altre cosette...
Boiler
Ma non s'ha da fare un'arraffazzonatura di roba messa insieme alla meglio...
Ad alta tensione i resistori hanno anche un coefficiente di tensione.
Ci sono componenti accoppiati termicamente, calibrati e garantiti.
https://www.mouser.it/ProductDetail/Cad ... fzfTw.link
Questo per esempio ti fa una divisione 1000:1 e fintanto che non ci metti in ingresso 5 kV non succede nulla di pericoloso.
La vera domanda da farsi è: cosa fare con il segnale? Conviene condizionarlo in loco con un piccolo microcontroller (o Arduino se ci si vuole far del male) e trasmettere il segnale su una linea digitale isolata. Qui ci sono diverse possibilità, dipende un po' dai gusti dell'OP, dalle condizioni in cui si misura e altre cosette...
Boiler
1
voti
setteali ha scritto:invece con il varistore non ci sono differenze.
Quel varistore si deteriorerà gradualmente trasformando il valore misurato in una lotteria fino a quando sarà in corto.
Se si vuole proteggere il tutto da sovratensioni va usato uno scaricatore a gas in serie ad un varistore messi direttamente a cavallo dell'"alta" tensione.
Per proteggere l'uscita meglio usare un TVS dimensionandolo generosamente in modo che faccia troppo leakage.
Boiler
0
voti
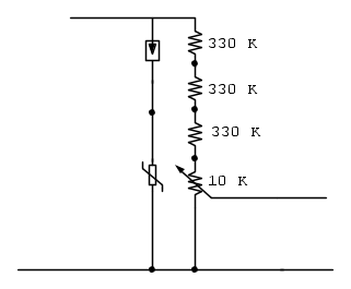
Ciao @boiler,
in pratica te diresti di seguire questo schema.
Ma se dovesse interrompersi il trimmer nel lato basso, sull'uscita avremmo quasi tutta la tensione .

in pratica te diresti di seguire questo schema.
Ma se dovesse interrompersi il trimmer nel lato basso, sull'uscita avremmo quasi tutta la tensione .

Alex
https://www.facebook.com/Elettronicaeelettrotecnica
<< vedi di pigliare arditamente in mano, il dizionario che ti suona in bocca,
se non altro è schietto e paesano.
(Giuseppe Giusti) <<
https://www.facebook.com/Elettronicaeelettrotecnica
<< vedi di pigliare arditamente in mano, il dizionario che ti suona in bocca,
se non altro è schietto e paesano.
(Giuseppe Giusti) <<
29 messaggi
• Pagina 1 di 3 • 1, 2, 3
Chi c’è in linea
Visitano il forum: Nessuno e 48 ospiti

Elettrotecnica e non solo (admin)
Un gatto tra gli elettroni (IsidoroKZ)
Esperienza e simulazioni (g.schgor)
Moleskine di un idraulico (RenzoDF)
Il Blog di ElectroYou (webmaster)
Idee microcontrollate (TardoFreak)
PICcoli grandi PICMicro (Paolino)
Il blog elettrico di carloc (carloc)
DirtEYblooog (dirtydeeds)
Di tutto... un po' (jordan20)
AK47 (lillo)
Esperienze elettroniche (marco438)
Telecomunicazioni musicali (clavicordo)
Automazione ed Elettronica (gustavo)
Direttive per la sicurezza (ErnestoCappelletti)
EYnfo dall'Alaska (mir)
Apriamo il quadro! (attilio)
H7-25 (asdf)
Passione Elettrica (massimob)
Elettroni a spasso (guidob)
Bloguerra (guerra)










