Buonasera a tutti. Un dubbio che mi porto dall'inizio di elettrotecnica è l'esistenza dei generatori di corrente. Per quello che ho studiato in fisica 2, sappiamo che una carica per spostarsi da un punto ad un altro dello spazio deve sentire una differenza di potenziale, concetto molto simile alla gravità: a seguita di una differenza di energia potenziale, il corpo si sposta da un punto più in alto ad un più basso. Continuando con questo esempio, l'energia cinetica del grave rappresenterebbe la nostra corrente. Ora...
In presenza di una ddp non è detto che via sia una corrente: basti tenere un circuito aperto, come ad esempio in una presa elettrica, fra fase e neutro vi è una ddp.
Ma la corrente elettrica per esserci ha bisogno di una ddp, un generatore di corrente deve generare prima di tutto una tensione, affinchè la carica possa spostarsi.
Tutto ciò che ho studiato gira attorno ai generatori di tensione, e le macchine elettriche: trasformatori, generatori AC sincr/asincr e generatori in DC(per quei pochi che esistono) sono dei generatori di tensione.
So che la batteria,come la pila elettrica, è un generatore di corrente continua, ma non riesco proprio a concepirne il funzionamento.
Generatori di tensione e corrente.
Moderatori:
g.schgor,
IsidoroKZ
14 messaggi
• Pagina 1 di 2 • 1, 2
0
voti
2
voti
I generatori di tensione e quelli di corrente sono ideali,
cioè non esistono nella realtà ma vengono definiti teoricamente
con caratteristiche costanti,indipendenti dal carico.
Un generatore di tensione ha resistenza interna =0,
un generatore di corrente ha resistenza interna =
....
cioè non esistono nella realtà ma vengono definiti teoricamente
con caratteristiche costanti,indipendenti dal carico.
Un generatore di tensione ha resistenza interna =0,
un generatore di corrente ha resistenza interna =
....1
voti
willy ha scritto:sappiamo che una carica per spostarsi da un punto ad un altro dello spazio deve sentire una differenza di potenziale
Non è vero, cerca di pensare e capire perché. Fatti un controesempio.
In presenza di una ddp non è detto che via sia una corrente
Vero.
So che la batteria,come la pila elettrica, è un generatore di corrente continua
No, è un generatore di tensione.
Il generatore di corrente è un qualunque oggetto che riesca a mantenere ai suoi capi una certa corrente imposta.
Credo che la risposta che tu stia cercando è: come fa? Si aggiusta da solo la tensione tra i suoi due terminali, affinché nel resto del circuito scorra effettivamente la corrente richiesta.
0
voti
rispondendo a g.schgor: le macchine elettriche danno in uscita una tensione fissa in uscita (se ricordo bene), le reti elettriche lavorano con tensioni "fisse" e correnti variabili.
rispondendo a ianero: non riesco a trovare un controesempio, un corpo in un campo vettoriale si muove cercando di raggiungere un'energia potenziale inferiore. So che i generatori di tensione di tipo chimico sfruttano proprio l'energia chimica per permettere alla carica di ritornare ad un potenziale più elevato, ricordavo che la pila si comportava come generatore di corrente. Mi potrebbe fare un esempio di generatore di corrente? e se possibile fare anche una breve spiegazione del suo funzionamento.
Il mio dubbio sostanzialmente è: l'esistenza di una corrente deriva dall'esistenza di una tensione, ma una tensione può esistere anche senza la presenza di una corrente.
rispondendo a ianero: non riesco a trovare un controesempio, un corpo in un campo vettoriale si muove cercando di raggiungere un'energia potenziale inferiore. So che i generatori di tensione di tipo chimico sfruttano proprio l'energia chimica per permettere alla carica di ritornare ad un potenziale più elevato, ricordavo che la pila si comportava come generatore di corrente. Mi potrebbe fare un esempio di generatore di corrente? e se possibile fare anche una breve spiegazione del suo funzionamento.
Il mio dubbio sostanzialmente è: l'esistenza di una corrente deriva dall'esistenza di una tensione, ma una tensione può esistere anche senza la presenza di una corrente.
0
voti
willy ha scritto:un corpo in un campo vettoriale si muove cercando di raggiungere un'energia potenziale inferiore
Giusto, ma una carica sola nello spazio che non sente campi (o equivalentemente una carica in una regione di spazio equipotenziale) non deve essere per forza ferma.
willy ha scritto:Mi potrebbe fare un esempio di generatore di corrente?
Diamoci tutti del tu e ci togliamo il pensiero.
Un transistor è un generatore di corrente quando utilizzato opportunamente (e purtroppo non lo è in maniera ideale, ma ci può assomigliare).
Sai come funziona? Cosa stai studiando?
willy ha scritto:Il mio dubbio sostanzialmente è: l'esistenza di una corrente deriva dall'esistenza di una tensione...
No, anche se nei casi che stai immaginando tu penso di si.
willy ha scritto:...ma una tensione può esistere anche senza la presenza di una corrente.
Sì.
1
voti
Ho visto che stai studiando costruzioni di macchine elettriche, giusto?
Presumo che tu abbia studiato elettrotecnica e macchine elettriche, corretto?
Rimanendo nel campo dell'ingegneria industriale, la genesi di qualsiasi fenomeno elettromagnetico e' dovuta alla presenza di una f.e.m.
Senza una d.d.p. non puo' circolare una corrente elettrica.
Facciamo un passo indietro.
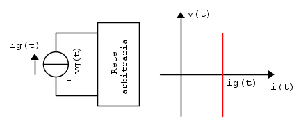
Un generatore di corrente ideale, come avrai gia' visto nel tuo corso di elettrotecnica, e' un bipolo in grado di erogare una corrente
quando e' collegato ai capi di un circuito arbitrario.
Facciamo riferimento alla figura seguente:
Quando la corrente ig e' nulla, il generatore di corrente e' assimilabile ad un circuito aperto. Infatti, per qualsiasi valore di tensione ai suoi capi, la corrente e' nulla.
Quando eroga la corrente ig, il generatore e' in grado di erogarla per qualsiasi valore di tensione ai suoi morsetti.
Perché e' chiamato generatore di corrente?
Dalla caratteristica sopra riportata si evince che il generatore e' in grado di erogare la corrente assegnata per qualsiasi valore della tensione ai suoi capi.
In pratica si comporta come un resistore non lineare controllato in tensione, ma lascia perdere questo aspetto altrimenti ti confondi ancora di piu'.
Un oggetto del genere ovviamente non esiste.
Vuoi un esempio di generatore di corrente (potresti cercarlo sul web, ma devi saper cercare dato che la lista di risultati ti fornisce un mare di spazzatura: gruppi elettrogeni in primis)?
Bisogna andare in un laboratorio. In questi luoghi troverai un apparecchio chiamato alimentatore da banco, caratterizzato da una tensione massima di alimentazione e da una corrente massima. Superati questi valori l'apparecchio si rompe.
Senza scendere troppo nei particolari (che non conosco nemmeno io... sono un povero tirafili
), fra le diverse funzioni e' presente quella di generatore di corrente.
In pratica si imposta il valore di corrente al di sotto di quella massima erogabile dall'apparecchio e la tensione (in automatico o manualmente) e' portato a valori sufficientemente elevati rispetto a quella necessaria per il funzionamento della rete stessa.
La caratteristica ideale sopra riporta diventa
e la zona di funzionamento e' quella evidenziata in giallo. Questa non e' piu' la caratteristica ideale del generatore di corrente incontrato in elettrotecnica,infatti non rappresenta piu' una corrente erogata costantemente per qualsiasi valore della tensione, ma e' la caratteristica ideale del nostro alimentatore da banco.
Come vedi, esiste una tensione ai morsetti del dispositivo, ma e' regolata in base alle esigenze della rete elettrica alimentata affinché il generatore stesso possa erogare la corrente impostata dall'operatore.
La dicitura "generatore di corrente" e' dunque impropria, ma cerca di enfatizzare un fatto molto importante: la rete e' alimentata in corrente e la tensione ai suoi capi varia in base alle esigenze.
Presumo che tu abbia studiato elettrotecnica e macchine elettriche, corretto?
willy ha scritto:Il mio dubbio sostanzialmente è: l'esistenza di una corrente deriva dall'esistenza di una tensione, ma una tensione può esistere anche senza la presenza di una corrente.
Rimanendo nel campo dell'ingegneria industriale, la genesi di qualsiasi fenomeno elettromagnetico e' dovuta alla presenza di una f.e.m.
Senza una d.d.p. non puo' circolare una corrente elettrica.
Facciamo un passo indietro.
Un generatore di corrente ideale, come avrai gia' visto nel tuo corso di elettrotecnica, e' un bipolo in grado di erogare una corrente
quando e' collegato ai capi di un circuito arbitrario.Facciamo riferimento alla figura seguente:
Quando la corrente ig e' nulla, il generatore di corrente e' assimilabile ad un circuito aperto. Infatti, per qualsiasi valore di tensione ai suoi capi, la corrente e' nulla.
Quando eroga la corrente ig, il generatore e' in grado di erogarla per qualsiasi valore di tensione ai suoi morsetti.
Perché e' chiamato generatore di corrente?
Dalla caratteristica sopra riportata si evince che il generatore e' in grado di erogare la corrente assegnata per qualsiasi valore della tensione ai suoi capi.
In pratica si comporta come un resistore non lineare controllato in tensione, ma lascia perdere questo aspetto altrimenti ti confondi ancora di piu'.
Un oggetto del genere ovviamente non esiste.
Vuoi un esempio di generatore di corrente (potresti cercarlo sul web, ma devi saper cercare dato che la lista di risultati ti fornisce un mare di spazzatura: gruppi elettrogeni in primis)?
Bisogna andare in un laboratorio. In questi luoghi troverai un apparecchio chiamato alimentatore da banco, caratterizzato da una tensione massima di alimentazione e da una corrente massima. Superati questi valori l'apparecchio si rompe.
Senza scendere troppo nei particolari (che non conosco nemmeno io... sono un povero tirafili
In pratica si imposta il valore di corrente al di sotto di quella massima erogabile dall'apparecchio e la tensione (in automatico o manualmente) e' portato a valori sufficientemente elevati rispetto a quella necessaria per il funzionamento della rete stessa.
La caratteristica ideale sopra riporta diventa
e la zona di funzionamento e' quella evidenziata in giallo. Questa non e' piu' la caratteristica ideale del generatore di corrente incontrato in elettrotecnica,infatti non rappresenta piu' una corrente erogata costantemente per qualsiasi valore della tensione, ma e' la caratteristica ideale del nostro alimentatore da banco.
Come vedi, esiste una tensione ai morsetti del dispositivo, ma e' regolata in base alle esigenze della rete elettrica alimentata affinché il generatore stesso possa erogare la corrente impostata dall'operatore.
La dicitura "generatore di corrente" e' dunque impropria, ma cerca di enfatizzare un fatto molto importante: la rete e' alimentata in corrente e la tensione ai suoi capi varia in base alle esigenze.
Il Conte di Montecristo
Se non studio un giorno, me ne accorgo io. Se non studio due giorni, se ne accorge il pubblico.
Io devo studiare sodo e preparare me stesso perché prima o poi verrà il mio momento.
Abraham Lincoln
Se non studio un giorno, me ne accorgo io. Se non studio due giorni, se ne accorge il pubblico.
Io devo studiare sodo e preparare me stesso perché prima o poi verrà il mio momento.
Abraham Lincoln
-

EdmondDantes
11,9k 8 11 13 - Disattivato su sua richiesta
- Messaggi: 3619
- Iscritto il: 25 lug 2009, 22:18
- Località: Marsiglia
0
voti
rispondendo ad ianero: da quello che ho capito ci sono dei casi in cui le cariche si possono muovere indipendentemente dall'esistenza di una ddp, potresti farmene alcuni? Sisi so cos'è il transistor, è un caso un po' particolare ma in effetti calza l'esempio, genera una corrente costante per via delle interazioni fra semiconduttori, ma roba di dimensioni più importanti? ad esempio una macchina rotante.
ps: sono al primo anno di magistrale di ing elettrica.
rispondendo ad edmondantes: non conoscevo quell'apparecchio, sai come fa a generare quella corrente costante.
A me sostanzialmente interessa conoscere cosa avviene in un generatore di corrente e in come riesce a mantenere una corrente costante (non so se esistono generatori di corrente AC).
ps: sono al primo anno di magistrale di ing elettrica.
rispondendo ad edmondantes: non conoscevo quell'apparecchio, sai come fa a generare quella corrente costante.
A me sostanzialmente interessa conoscere cosa avviene in un generatore di corrente e in come riesce a mantenere una corrente costante (non so se esistono generatori di corrente AC).
0
voti
Qualunque regione di spazio a potenziale costante è un esempio di ciò che chiedi. Estremizzando, una carica nel vuoto in assenza di altri campi se non quello da lei stessa generato, che si sta muovendo ad una certa velocità. Continuerà a camminare per sempre, e non perché sta seguendo delle linee di campo, ma perché è inerte.
Ulteriori esempi sono molto difficili da tirare fuori perché sostanzialmente i generatori ideali di corrente non esistono.
Hai però la possibilità, rimanendo nell'ambito dei circuiti elettrici, di poter girare la medaglia e guardare il fenomeno al contrario, purché si stia in linearità. E' ciò che afferma il teorema di Norton, garantendo una equivalenza tra un circuito lineare comunque fatto (tranne casi degeneri) e un generatore ideale di corrente con una impedenza in parallelo.
Ulteriori esempi sono molto difficili da tirare fuori perché sostanzialmente i generatori ideali di corrente non esistono.
Hai però la possibilità, rimanendo nell'ambito dei circuiti elettrici, di poter girare la medaglia e guardare il fenomeno al contrario, purché si stia in linearità. E' ciò che afferma il teorema di Norton, garantendo una equivalenza tra un circuito lineare comunque fatto (tranne casi degeneri) e un generatore ideale di corrente con una impedenza in parallelo.
0
voti
Forse ti può essere utile una analogia per capire come mai c'è questa asimmetria esistenziale tra generatori di tensione e di corrente.
Il motivo è l'inversione di causa ed effetto.
Un motore che muove un veicolo è un generatore di coppia o un generatore di velocità?
La coppia fornita dalla propulsione è indipendente dall'ambiente circostante, la velocità no. Essa dipende da quanto attrito c'è in strada, se sei in salita o in discesa, dal vento, ... e dalla coppia motrice.
Un generatore di corrente è come un generatore di velocità nel nostro esempio. Impone l'effetto, e dunque la causa deve essere tale da produrre l'effetto richiesto. Una sorta di cruise control.
Il motivo è l'inversione di causa ed effetto.
Un motore che muove un veicolo è un generatore di coppia o un generatore di velocità?
La coppia fornita dalla propulsione è indipendente dall'ambiente circostante, la velocità no. Essa dipende da quanto attrito c'è in strada, se sei in salita o in discesa, dal vento, ... e dalla coppia motrice.
Un generatore di corrente è come un generatore di velocità nel nostro esempio. Impone l'effetto, e dunque la causa deve essere tale da produrre l'effetto richiesto. Una sorta di cruise control.
0
voti
pertanto un generatore di corrente prima di generare una corrente genera prima di tutto una tensione? la velocità esiste perché prima vi è stata una forza (un'accelerazione quindi). L'esempio che hai fatto prima, lo capisco, ma si riferisce ad un caso ideale, come vi può essere velocità senza forza, questo è vero se non vi sono attriti, ma questo è un caso ideale, se vogliamo far muovere la nostra macchina a velocità costante dobbiamo far si che essa generi una coppia.
Hmmm forse ora ho un'idea migliore con l'esempio della macchina: i generatori di corrente devono essere dei generatori di tensione che cambiano i loro valori a seguito del carico in uscita. Sto pensando alla macchina: se noi vogliamo mantenere una velocità costante: se siamo in salita (carico maggiore) dobbiamo incrementare la coppia, se siamo in discesa (carico inferiore) la dobbiamo ridurre.
Quindi penso che un generatore di corrente non sia altro (non che assomiglia, ma lo è proprio) che un generatore di tensione che varia a seguito del carico. Sembra poi che non esistano generatori di corrente e basta. Il generatore di corrente è un generatore di tensione variabile mascherato. Qualcuno la pensa allo stesso modo?
Hmmm forse ora ho un'idea migliore con l'esempio della macchina: i generatori di corrente devono essere dei generatori di tensione che cambiano i loro valori a seguito del carico in uscita. Sto pensando alla macchina: se noi vogliamo mantenere una velocità costante: se siamo in salita (carico maggiore) dobbiamo incrementare la coppia, se siamo in discesa (carico inferiore) la dobbiamo ridurre.
Quindi penso che un generatore di corrente non sia altro (non che assomiglia, ma lo è proprio) che un generatore di tensione che varia a seguito del carico. Sembra poi che non esistano generatori di corrente e basta. Il generatore di corrente è un generatore di tensione variabile mascherato. Qualcuno la pensa allo stesso modo?
14 messaggi
• Pagina 1 di 2 • 1, 2
Torna a Elettrotecnica generale
Chi c’è in linea
Visitano il forum: Nessuno e 14 ospiti

Elettrotecnica e non solo (admin)
Un gatto tra gli elettroni (IsidoroKZ)
Esperienza e simulazioni (g.schgor)
Moleskine di un idraulico (RenzoDF)
Il Blog di ElectroYou (webmaster)
Idee microcontrollate (TardoFreak)
PICcoli grandi PICMicro (Paolino)
Il blog elettrico di carloc (carloc)
DirtEYblooog (dirtydeeds)
Di tutto... un po' (jordan20)
AK47 (lillo)
Esperienze elettroniche (marco438)
Telecomunicazioni musicali (clavicordo)
Automazione ed Elettronica (gustavo)
Direttive per la sicurezza (ErnestoCappelletti)
EYnfo dall'Alaska (mir)
Apriamo il quadro! (attilio)
H7-25 (asdf)
Passione Elettrica (massimob)
Elettroni a spasso (guidob)
Bloguerra (guerra)





