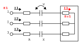
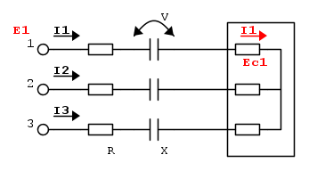
Tensione di fase : rete trifase con carico
Moderatori:
g.schgor,
IsidoroKZ
0
voti
Quindi?
Il Conte di Montecristo
Se non studio un giorno, me ne accorgo io. Se non studio due giorni, se ne accorge il pubblico.
Io devo studiare sodo e preparare me stesso perché prima o poi verrà il mio momento.
Abraham Lincoln
Se non studio un giorno, me ne accorgo io. Se non studio due giorni, se ne accorge il pubblico.
Io devo studiare sodo e preparare me stesso perché prima o poi verrà il mio momento.
Abraham Lincoln
-

EdmondDantes
11,9k 8 11 13 - Disattivato su sua richiesta
- Messaggi: 3619
- Iscritto il: 25 lug 2009, 22:18
- Località: Marsiglia
0
voti
Ciao,
ho compreso il tuo ragionamento. Ho solo una domanda da porti , con il tuo permesso, prima di concludere e proporre la soluzione: Come hai ottenuto 225° di angolo per E1?
Non voglio avere la presunzione di correggere le tue delucidazioni, tanto più che mi stai aiutando parecchio e preziosamente, ma se ilvettore fasore di E1 si trova sul secondo quadrante, come può avere fase 225 gradi? non dovrebbe essere compresa tra 90 e 180 gradi? Sicuramente mi manca un pezzo, ci rifletto da parecchio.
Grazie ancora
ho compreso il tuo ragionamento. Ho solo una domanda da porti , con il tuo permesso, prima di concludere e proporre la soluzione: Come hai ottenuto 225° di angolo per E1?
Non voglio avere la presunzione di correggere le tue delucidazioni, tanto più che mi stai aiutando parecchio e preziosamente, ma se il
Grazie ancora
-

iissmottura
10 1 4 - New entry

- Messaggi: 57
- Iscritto il: 13 ago 2012, 16:32
1
voti
E1 e' la tensione di fase del morsetto 1.
La tensione Ec1, rappresentata nel diagramma fasoriale, e' la tensione di fase del carico equivalente a stella.
Stai attento nel momento in cui calcoli l'arcotangente: sono importanti i singoli segni del numeratore e del denominatore. Se tieni conto del solo segno risultante dal rapporto, rischi di sbagliare di 180 gradi.
P.S.
Corretto il valore dell'argomento.
Nella fretta ho sbagliato la somma!

Non devi mai bloccarti su questi aspetti. Se avessi scritto prima, avrei controllato immediatamente.
La tensione Ec1, rappresentata nel diagramma fasoriale, e' la tensione di fase del carico equivalente a stella.
Stai attento nel momento in cui calcoli l'arcotangente: sono importanti i singoli segni del numeratore e del denominatore. Se tieni conto del solo segno risultante dal rapporto, rischi di sbagliare di 180 gradi.
P.S.
Corretto il valore dell'argomento.
iissmottura ha scritto:Come hai ottenuto 225° di angolo per E1?
Nella fretta ho sbagliato la somma!

Non devi mai bloccarti su questi aspetti. Se avessi scritto prima, avrei controllato immediatamente.
Il Conte di Montecristo
Se non studio un giorno, me ne accorgo io. Se non studio due giorni, se ne accorge il pubblico.
Io devo studiare sodo e preparare me stesso perché prima o poi verrà il mio momento.
Abraham Lincoln
Se non studio un giorno, me ne accorgo io. Se non studio due giorni, se ne accorge il pubblico.
Io devo studiare sodo e preparare me stesso perché prima o poi verrà il mio momento.
Abraham Lincoln
-

EdmondDantes
11,9k 8 11 13 - Disattivato su sua richiesta
- Messaggi: 3619
- Iscritto il: 25 lug 2009, 22:18
- Località: Marsiglia
0
voti
No problem
EdmondDantes , è stata una scusa per ripassare/studiare meglio.
Ho completato l'esercizio e propongo la soluzione con le fasi ed i relativi valori dei fasori:



Con abuso di notazione:

oppure, sapendo che in un sistema simmetrico diretto le tensioni concatenate sono sfasate di 30 gradi in anticipo rispetto alle stellate:


Corretto?
Ho completato l'esercizio e propongo la soluzione con le fasi ed i relativi valori dei fasori:



Con abuso di notazione:

oppure, sapendo che in un sistema simmetrico diretto le tensioni concatenate sono sfasate di 30 gradi in anticipo rispetto alle stellate:


Corretto?
-

iissmottura
10 1 4 - New entry

- Messaggi: 57
- Iscritto il: 13 ago 2012, 16:32
0
voti
La fase della tensione
vale:

Tale risultato è coerente e verificato dall'applicazione del metodo grafico (sottrazione dei fasori E_1 ed E_2)
vale:
Tale risultato è coerente e verificato dall'applicazione del metodo grafico (sottrazione dei fasori E_1 ed E_2)
-

iissmottura
10 1 4 - New entry

- Messaggi: 57
- Iscritto il: 13 ago 2012, 16:32
0
voti
iissmottura ha scritto:La fase della tensionevale:
Tale risultato è coerente e verificato dall'applicazione del metodo grafico (sottrazione dei fasori E_1 ed E_2)
A me pare corretto.
1
voti
Salve a tutti. (primo post doveroso saluto)
Ma non è - 120?
0
voti
Ciao Pollon,
in effetti è così. Tuttavia, mi corregga qualcuno se sbaglio, il risultato V12 è comunque corretto in quanto potrei sottrarre ed E1 anche E3 (sist. trifase simmetricoed equilibrato).
Grazie
in effetti è così. Tuttavia, mi corregga qualcuno se sbaglio, il risultato V12 è comunque corretto in quanto potrei sottrarre ed E1 anche E3 (sist. trifase simmetricoed equilibrato).
Grazie
-

iissmottura
10 1 4 - New entry

- Messaggi: 57
- Iscritto il: 13 ago 2012, 16:32
0
voti
Domani controllerò i calcoli.
Che cosa dice il testo in merito al sistema simmetrico delle tensioni?
Diretto o inverso?
Se non dice nulla, si intende sistema simmetrico diretto.
Il sistema è simmetrico pertanto il modulo della tensione concatenata non cambia, ma il fasore V12 è diverso dal fasore V13.
Io ti consiglio di riprendere un po' di teoria e fare qualche esercizio sulle reti monofase.
Ti ricordo che non sei riuscito a risolvere in modo autonomo la rete.
Che cosa dice il testo in merito al sistema simmetrico delle tensioni?
Diretto o inverso?
Se non dice nulla, si intende sistema simmetrico diretto.
iissmottura ha scritto:risultato V12 è comunque corretto in quanto potrei sottrarre ed E1 anche E3 (sist. trifase simmetricoed equilibrato).
Il sistema è simmetrico pertanto il modulo della tensione concatenata non cambia, ma il fasore V12 è diverso dal fasore V13.
Io ti consiglio di riprendere un po' di teoria e fare qualche esercizio sulle reti monofase.
Ti ricordo che non sei riuscito a risolvere in modo autonomo la rete.
Il Conte di Montecristo
Se non studio un giorno, me ne accorgo io. Se non studio due giorni, se ne accorge il pubblico.
Io devo studiare sodo e preparare me stesso perché prima o poi verrà il mio momento.
Abraham Lincoln
Se non studio un giorno, me ne accorgo io. Se non studio due giorni, se ne accorge il pubblico.
Io devo studiare sodo e preparare me stesso perché prima o poi verrà il mio momento.
Abraham Lincoln
-

EdmondDantes
11,9k 8 11 13 - Disattivato su sua richiesta
- Messaggi: 3619
- Iscritto il: 25 lug 2009, 22:18
- Località: Marsiglia
0
voti
il testo non dice nulla in merito.
Grazie di tutto
Grazie di tutto
-

iissmottura
10 1 4 - New entry

- Messaggi: 57
- Iscritto il: 13 ago 2012, 16:32
Torna a Elettrotecnica generale
Chi c’è in linea
Visitano il forum: Nessuno e 122 ospiti

Elettrotecnica e non solo (admin)
Un gatto tra gli elettroni (IsidoroKZ)
Esperienza e simulazioni (g.schgor)
Moleskine di un idraulico (RenzoDF)
Il Blog di ElectroYou (webmaster)
Idee microcontrollate (TardoFreak)
PICcoli grandi PICMicro (Paolino)
Il blog elettrico di carloc (carloc)
DirtEYblooog (dirtydeeds)
Di tutto... un po' (jordan20)
AK47 (lillo)
Esperienze elettroniche (marco438)
Telecomunicazioni musicali (clavicordo)
Automazione ed Elettronica (gustavo)
Direttive per la sicurezza (ErnestoCappelletti)
EYnfo dall'Alaska (mir)
Apriamo il quadro! (attilio)
H7-25 (asdf)
Passione Elettrica (massimob)
Elettroni a spasso (guidob)
Bloguerra (guerra)

