Cos'è ElectroYou | Login Iscriviti

ElectroYou - la comunità dei professionisti del mondo elettrico

Matrice di scattering

Telefonia, radio, TV, internet, reti locali...comandi a distanza

Moderatore: Foto Utentejordan20

1
voti

[1] Matrice di scattering

Messaggioda Foto Utentenordest » 20 gen 2019, 12:46

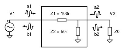
Buonasera. Vi chiedo per favore di darmi una mano a capire come sono stati calcolati i coefficienti della soluzione. L'esercizio chiede di trovare i parametri mancanti nella matrice di scattering del seguente circuito: il dispositivo è a due porte con Z_1=+j100\Omega , Z_2=+j50\Omega, Z_C=50\Omega dove Z_C è l'impedenza caratteristica.


La matrice di Scattering:
[S]=\frac{1}{17} 
\begin{pmatrix}
(11+j10) & s_{12}\\ 
 s_{21} & (-5+j14) 
\end{pmatrix}

La soluzione è s_{12}=s_{21}=-8+j2

In forma "matematica" si può ricavare nel seguente modo: si vede che la rete è reciproca (s_{12}=s_{21}) e inoltre ponendo le condizioni per le reti senza perdite:
\sum_{i=1}^ns_{ij}^*s_{ik}=0 con j\neq k, |\det [S]| e \sum_{i=1}^n|s_{ij}|=1 si riesce a trovare la soluzione.

Io per verifica avevo provato a calcolarlo diversamente, con le tensioni (anche se sarebbero da usare per la matrice ABCD però ...) non capisco perché il procedimento non è giusto e come si dovrebbe fare in modo alternativo? Io ho fatto il partitore di tensione da 2 a 1 e viceversa mettendo Zc come carico (l'ho visto fare sul libro Pozar, vi mando la parte in allegato) e mi viene s_{21}=\frac{1-2j}{5}.


esempioPozar.jpg
Avatar utente
Foto Utentenordest
83 1 6
Frequentatore
Frequentatore
 
Messaggi: 108
Iscritto il: 2 nov 2018, 1:00

3
voti

[2] Re: Matrice di scattering

Messaggioda Foto Utentegvee » 21 gen 2019, 17:42

nordest ha scritto:Vi chiedo per favore di darmi una mano a capire come sono stati calcolati i coefficienti della soluzione.

Per misurare i parametri S in una porta devi collegare una impedenza dello stesso valore dell'impedeza caratteristica su tutte le altre porte. Questo è quanto dice la definizione dei parametri S:

\begin{matrix}
S_{11} = \left.\frac{b_1}{a_1}\right|_{a_2 = 0} & S_{12} = \left.\frac{b_1}{a_2}\right|_{a_1 = 0}\\
S_{21} = \left.\frac{b_2}{a_1}\right|_{a_2 = 0} & S_{22} = \left.\frac{b_2}{a_2}\right|_{a_1 = 0}\\
\end{matrix} \qquad (1)

Per calcolare il coefficiente di riflessione del tuo circuito, devi collegare una impedenza di valore Z_0 (l'impedenza caratteristica che nel tuo esercizio è chiamata Z_C, mi scuserai se uso la nomenclatura classica). Dunque:

S_{11} = \left.\frac{b_1}{a_1}\right|_{a_2 = 0} \qquad (2)

dove a_2 = 0 vuol proprio dire collegare una impedenza di valore Z_0 alla porta 2.

quindi



ed il coefficiente di riflessione si fa prima a calcolare con la formula classica:

S_{11} = \frac{Z_\text{in} - Z_0}{Z_\text{in}+Z_0} \qquad (3)

Per il coefficiente di trasmissione S_{21} quello che puoi fare è esprimere le tensioni di entrata ed uscita come:

\begin{aligned}
V_1 = \sqrt{Z_0}(a_1 + b_1) \qquad (4)\\
V_2 = \sqrt{Z_0}(a_2 + b_2) \qquad (5)\\
\end{aligned}\\

facendo sempre riferimento al circuito con la porta 2 collegata ad un impedenza Z_0:



ricordandoti che a_2 = 0 puoi risolvere per il coefficiente di trasmissione calcolando \frac{V_2}{V_1} e usando le definizioni in (1). Te lo lascio fare a te.

Per gli altri due parametri il procedimento è analogo.

O_/
Avatar utente
Foto Utentegvee
1.475 5 7
Sostenitore
Sostenitore
 
Messaggi: 526
Iscritto il: 11 feb 2018, 20:34

3
voti

[3] Re: Matrice di scattering

Messaggioda Foto UtenteIsidoroKZ » 21 gen 2019, 18:14

Oppure si puo` anche barare un pochino :-) considerando che il doppio bipolo e` senza perdite e si conoscono S11 e S22.

Tutto quello che non viene riflesso passa!
Per usare proficuamente un simulatore, bisogna sapere molta più elettronica di lui
Plug it in - it works better!
Il 555 sta all'elettronica come Arduino all'informatica! (entrambi loro malgrado)
Se volete risposte rispondete a tutte le mie domande
Avatar utente
Foto UtenteIsidoroKZ
121,2k 1 3 8
G.Master EY
G.Master EY
 
Messaggi: 21059
Iscritto il: 17 ott 2009, 0:00

0
voti

[4] Re: Matrice di scattering

Messaggioda Foto Utentenordest » 21 gen 2019, 20:42

Grazie mille per le vostre risposte! Sono riuscito a ricavarli come avete detto.

Si il calcolo di S si semplifica se si sfrutta dentro quella formula il fatto che per a_2=0 abbiamo anche s_{11} che si può sostituire nel partitore facendo qualche rapporto e si arriva così a b_2 / a_1 (Non so se IsidoroKZ intendeva questo accorgimento).

Ora però mi sorge un'altra domanda.
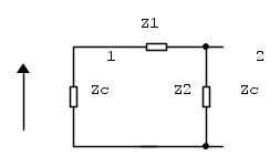
Quando non ho Z_0 come faccio visto che si usa nelle formule e poi nel procedimento si mette come carico? Ad esempio solo delle impedenze come qua:


Qui ad esempio, io direi che a_2 = b_1 e a_1=b_2. Quello che si riflette ad una porta è in realtà quello incidente dall'altra. Quindi direi:
[S] = \begin{pmatrix}
0 & 1\\ 
 1 & 0
\end{pmatrix}

ma non sono convinto per quanto riguarda le riflessioni e Z_0 che manca.
Avatar utente
Foto Utentenordest
83 1 6
Frequentatore
Frequentatore
 
Messaggi: 108
Iscritto il: 2 nov 2018, 1:00

0
voti

[5] Re: Matrice di scattering

Messaggioda Foto Utentenordest » 21 gen 2019, 21:20

se però Z_0 non indicato vorrebbe dire Z_0 = 0 allora il mio risultato potrebbe essere sbagliato
Avatar utente
Foto Utentenordest
83 1 6
Frequentatore
Frequentatore
 
Messaggi: 108
Iscritto il: 2 nov 2018, 1:00

0
voti

[6] Re: Matrice di scattering

Messaggioda Foto UtenteIanero » 21 gen 2019, 21:33

L'impedenza caratteristica della linea di trasmissione va conosciuta per calcolare le riflessioni.
Spesso si può normalizzare, usando le cosiddette 'onde di potenza', ma in ogni caso quando poi vuoi ottenere i risultati relativi a onde di tensione e corrente essa va conosciuta.
:shock:
Avatar utente
Foto UtenteIanero
8.069 5 8 13
Master EY
Master EY
 
Messaggi: 4320
Iscritto il: 21 mar 2012, 15:47

1
voti

[7] Re: Matrice di scattering

Messaggioda Foto UtenteDrCox » 21 gen 2019, 22:21

IsidoroKZ ha scritto:Tutto quello che non viene riflesso passa!


nordest ha scritto:per a_2=0 abbiamo anche s_{11} che si può sostituire nel partitore facendo qualche rapporto e si arriva così a b_2 / a_1 (Non so se IsidoroKZ intendeva questo accorgimento).


Rifletti meglio sul suggerimento di Foto UtenteIsidoroKZ. Conosci S11, che è di fatto il coefficiente di riflessione alla porta 1. S21 è il coefficiente di trasmissione.
Per un sistema senza perdite, quanto vale la somma del segnale riflesso + il segnale trasmesso? Ovvero, quanto vale S_{11}+S_{21}=?*
Rispondendo a questa domanda capirai il senso del consiglio.

nordest ha scritto:se però Z_0 non indicato vorrebbe dire Z_0 = 0 allora il mio risultato potrebbe essere sbagliato

Cosa intendi con il fatto che non viene indicato Z_0 (o Z_C, chiamala come più ti aggrada)? Se non ti viene fornito come dato, la cosa più logica da assumere è che sia pari a 50 \Omega, di sicuro non a zero (logica dal punto di vista dell'esercizio didattico, nella pratica non tutte le linee sono a 50 ohm...).


*(attenzione ai calcoli se usi i dB........)
"The past is not really the past until it has been registered. Or put another way, the past has no meaning or existence unless it exists as a record in the present."
John Archibald Wheeler
Avatar utente
Foto UtenteDrCox
2.738 2 8 12
Master EY
Master EY
 
Messaggi: 744
Iscritto il: 8 giu 2010, 21:42

0
voti

[8] Re: Matrice di scattering

Messaggioda Foto Utentenordest » 21 gen 2019, 23:54

DrCox ha scritto:Ovvero, quanto vale S_{11}+S_{21}=?*


Forse ho capito dove state puntando ma non riesco a vedere a livello di formule, quello che vedo è che viene 1 ma sommando i loro moduli. Dal punto di vista logico è chiaro, sommo riflessa e trasmessa quindi ho il segnale originale (a1/a1=1) ma funziona solo per la somma dei moduli (non so perché).

Per completezza allora aggiungo dato che ormai l'ho calcolata che quella matrice che ho messo prima nell'ultimo post vale solo per Z_0 = Z_L ma in generale per qualunque Z_0 non specificato vale:

\begin{pmatrix}
 \frac{Z_L-Z_0}{Z_L+Z_0} & 1+ \frac{Z_L-Z_0}{Z_L+Z_0} \\\\ 
 1+ \frac{Z_L-Z_0}{Z_L+Z_0} &  \frac{Z_L-Z_0}{Z_L+Z_0}
\end{pmatrix}

dove Z_L è quella impedenza prima indicata con Z.
Avatar utente
Foto Utentenordest
83 1 6
Frequentatore
Frequentatore
 
Messaggi: 108
Iscritto il: 2 nov 2018, 1:00

1
voti

[9] Re: Matrice di scattering

Messaggioda Foto UtenteIsidoroKZ » 22 gen 2019, 1:22

Il mio suggerimento includeva di "barare" un pochino, quindi non usarlo! Intendevo dire che potevi calcolare il modulo di S12 e S21,sapendo che non ci sono perdite. e poi calcolare separatamente la fase con qualche partitore. Meglio evitare quando si e` agli inizi. Sorry!
Per usare proficuamente un simulatore, bisogna sapere molta più elettronica di lui
Plug it in - it works better!
Il 555 sta all'elettronica come Arduino all'informatica! (entrambi loro malgrado)
Se volete risposte rispondete a tutte le mie domande
Avatar utente
Foto UtenteIsidoroKZ
121,2k 1 3 8
G.Master EY
G.Master EY
 
Messaggi: 21059
Iscritto il: 17 ott 2009, 0:00

0
voti

[10] Re: Matrice di scattering

Messaggioda Foto Utentenordest » 22 gen 2019, 20:31

Grazie mille per le vostre risposte mi avete aiutato un sacco. Adesso ormai una volta che trovo il coefficiente di riflessione e quindi b_1/a_1 con le equazioni trovo tutta la sua colonna praticamente anche quando ho casi più complessi tipo l'anello ibrido.
Avatar utente
Foto Utentenordest
83 1 6
Frequentatore
Frequentatore
 
Messaggi: 108
Iscritto il: 2 nov 2018, 1:00

Prossimo

Torna a Telecomunicazioni

Chi c’è in linea

Visitano il forum: Nessuno e 14 ospiti