Buongiorno a tutti,
essendo il mio primo post chiedo scusa in anticipo se dovessi presentare imperfezioni, errori o se per molti risulti banale la mia domanda.
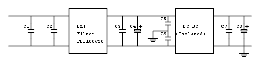
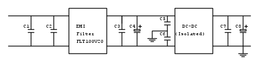
Nello specifico mi chiedevo la funzione di alcuni condesatori d'ingresso raccomandati da un datasheet di un convertitore DC-DC isolato.
Nello specifico non mi riferisco ai condensatori di decoupling, ma ai condensatori C5, C6.
Suppongo siano inseriti per migliorare la compatibilità, ma non ne sono sicuro. Considerando che dovrei mantenere l'isolamento tra l'ingresso e l'usicta quei due condensatori sarebbero un po' d'intralcio durante la sbrogliaura.
C1, C2 2.2uF 100V 1210
C3, C7 1uF 100v 1210
C4 330uF 100V Nichicon VR series
C5, C6 0.01uF 1500V 1210
C8 470uF 16V Oscon
Il circuito è stato preso dal datasheet a pagina 16.
https://www.mouser.it/datasheet/2/167/GE_08022018_QSD(V)W050A0B_DS-1393496.pdf
Visto che ci sono ne approfitto per chiedervi un ultima cosa.
Ho notato che il filtro EMC consigliato nel datasheet tra l'altro non è più in produzione, per caso voi mi sapreste consigliare un altro se lo ritenete necessario.
Ringrazio anticipatamente
Dubbio Condensatori d'ingresso convertitore DC-DC
Moderatori:
carloc,
g.schgor,
BrunoValente,
IsidoroKZ
31 messaggi
• Pagina 1 di 4 • 1, 2, 3, 4
0
voti
Personalmente mi risulta che dei condensatori da 10 nF sono inutili, considerando l'impedenza del collegamento verso terra, e forse dannosi visto che creano un ponte verso l'uscita "isolata". Ma di fronte all enorme mi tolgo anche il cappello (d'altra parte un filtro c'è già).
0
voti
Infatti stavo valutando anche l'effettiva utilità, nel mio caso a monte non avrei dispositivi troppo "sensibili" al rumore (Principalmente dei ESC Driver).
Sono combattuto, dato che non ho molta esperienza nel settore compatibilità non saprei se fidarmi del DS oppure andare a risparmio evitandoli.
Però la curiosità di sapere a cosa servono quella è certa :)
Sono combattuto, dato che non ho molta esperienza nel settore compatibilità non saprei se fidarmi del DS oppure andare a risparmio evitandoli.
Però la curiosità di sapere a cosa servono quella è certa :)
-

FedeIU1GBC
20 4 - Messaggi: 6
- Iscritto il: 12 set 2018, 23:45
3
voti
Quelli sono i cosiddetti "Y Caps", servono a fornire un percorso di chiusura per le correnti di modo comune provenienti dall'alimentatore. Senza quei condensatori, il cavo di alimentazione diventa una bellissima antenna, pronta a irraggiare disturbi in ogni dove.
Non avrai problemi col doppio isolamento, vedi qui:
https://electronics.stackexchange.com/q ... -a-smps-do
L'importante è montare condensatori di classe Y, progettati in modo da non finire in corto circuito in caso di guasto.
Se invece riesci a progettare l'alimentatore talmente bene da passare le emissioni senza bisogno di Y caps, beh... complimenti e tanto meglio!

Non avrai problemi col doppio isolamento, vedi qui:
https://electronics.stackexchange.com/q ... -a-smps-do
L'importante è montare condensatori di classe Y, progettati in modo da non finire in corto circuito in caso di guasto.
Se invece riesci a progettare l'alimentatore talmente bene da passare le emissioni senza bisogno di Y caps, beh... complimenti e tanto meglio!

Alberto.
0
voti
Grazie mille, non ci avevo pensato, molto interessante.
Li cerco subito! Dei condensatori a film Y2, possono andare?
Li cerco subito! Dei condensatori a film Y2, possono andare?
-

FedeIU1GBC
20 4 - Messaggi: 6
- Iscritto il: 12 set 2018, 23:45
0
voti
La normativa richiede i condensatori di tipo 'Y' solo se posti sulla linea di alimentazione di rete. Se quello è un convertitore DC/DC, all'ingresso non c'è la rete e i condensatori di modo comune possono essere di qualsiasi tipo, purché adeguati alla tensione di lavoro.
0
voti
condensatori di quel tipo connessi a terra, li ho usati in circuito di potenza controllato da triac, necessari solo por passare le EMC, non erano presenti switching.
saluti.
saluti.
-

lelerelele
4.899 3 7 9 - Master

- Messaggi: 5505
- Iscritto il: 8 giu 2011, 8:57
- Località: Reggio Emilia
0
voti
C5 e C6 vengono usati come condensatori di decoupling (bypass) fornendo un percorso di ritorno verso il ground per le componenti ad alta frequenza presenti sulla linea. Considera però che il comportamento ideale dei condensatori arriva fino a 100 MHz, poi assumono un carattere induttivo e non funzionano più. In allegato trovi l´andamento della impedenza di un 1210 X7R fino a 1 GHz.
Il layout é suggerito nel data sheet del componente FLTR100V10.
Io lascerei il footprint sul PCB ma proverei a fare dei test senza i condensatori, se servono puoi sempre aggiungere in seguito.
Il layout é suggerito nel data sheet del componente FLTR100V10.
Io lascerei il footprint sul PCB ma proverei a fare dei test senza i condensatori, se servono puoi sempre aggiungere in seguito.
0
voti
Zeitung ha scritto:Considera però che il comportamento ideale dei condensatori arriva fino a 100 MHz, poi assumono un carattere induttivo e non funzionano più.
Non è vero.
0
voti
Il condensatore di per sè non è tanto induttivo (a parte vecchi tipi in cui i reofori facevano una spirale, incapsulata nella resina trasparente), forse ci si vuole riferire alla induttanza del collegamento di terra (che interviene ben prima dei 100 MHz).
31 messaggi
• Pagina 1 di 4 • 1, 2, 3, 4
Chi c’è in linea
Visitano il forum: Nessuno e 157 ospiti

Elettrotecnica e non solo (admin)
Un gatto tra gli elettroni (IsidoroKZ)
Esperienza e simulazioni (g.schgor)
Moleskine di un idraulico (RenzoDF)
Il Blog di ElectroYou (webmaster)
Idee microcontrollate (TardoFreak)
PICcoli grandi PICMicro (Paolino)
Il blog elettrico di carloc (carloc)
DirtEYblooog (dirtydeeds)
Di tutto... un po' (jordan20)
AK47 (lillo)
Esperienze elettroniche (marco438)
Telecomunicazioni musicali (clavicordo)
Automazione ed Elettronica (gustavo)
Direttive per la sicurezza (ErnestoCappelletti)
EYnfo dall'Alaska (mir)
Apriamo il quadro! (attilio)
H7-25 (asdf)
Passione Elettrica (massimob)
Elettroni a spasso (guidob)
Bloguerra (guerra)






