circuito per ricevitore a ultrasuoni
Moderatori:
carloc,
g.schgor,
BrunoValente,
IsidoroKZ
26 messaggi
• Pagina 3 di 3 • 1, 2, 3
0
voti
il valore sembra sia di qualche kohm. tuttavia il metodo che hai usato di dividere il circuito in due parti le quali hanno una parte in comune (in questo caso la resistenza) e usare una sorta di sovrapposizione degli effetti per ottenere il risultato finale, mi rimane ancora un po strano. E' per caso un metodo noto o te deriva semplicemente dal tuo ragionamento? Grazie ancor per il tuo aiuto a comprendere il problema.
-

ingmarketz
165 1 2 6 - Stabilizzato

- Messaggi: 408
- Iscritto il: 23 nov 2011, 23:49
1
voti
ingmarketz ha scritto:il metodo che hai usato di dividere il circuito in due parti le quali hanno una parte in comune (in questo caso la resistenza) e usare una sorta di sovrapposizione degli effetti per ottenere il risultato finale, mi rimane ancora un po strano. E' per caso un metodo noto o te deriva semplicemente dal tuo ragionamento?
Non sono in grado di darti una dimostrazione formale della correttezza del metodo ma, intuitivamente, mi sembra corretto.
Vorrei pero' spostare il bersaglio.
Il problema che hai posto in origine e':
l'autore del datasheet usa il resistore per creare un percorso per la corrrente di bias del terminale non invertente dell op amp. Tuttavia, non viene descritto, per quale motivo e' stato scelto 3.9kohm
E questo quesito ha avuto risposta.
Io chiedo invece:
Qual e' il miglior modo per interfacciare un sensore "generatore di corrente con in parallelo una capacita' parassita" che ha in ingresso una frequanza di 40 kHz?
Come abbiamo visto la capacita' "rompe le scatole" perche' "taglia la banda" e quindi sarebbe bello poterla "neutralizzare" (non e' possibile agire direttamente su di essa perche' intrinseca del sensore)
Possiamo pero' agire dall'esterno in vari modi.
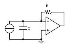
Un circuito "classicissimo" dell'elettronica adatto all'uopo e' un amplificatore connesso a transresistenza - vedi schema qui sotto.
Dati:
operazionale con prodotto-banda-guadagno = GBW = 5 MHz (un "generico" Op-Amp "vecchio di oltre 40 anni ec. LF356, TL081)
Capacita' del sensore C = 2 nF
Frequenza di taglio superiore f = 40 kHz
Il valore massimo della resistenza R vale [1]

Cioe' quasi 100 volte il valore del circuito originale
Puoi verificare il dato della resistenza (e giocherellare) con un simulatore online della Analog Devices che e' "pensato" per i fotodiodi, ma che puo' essere utilizzato anche con qualunque sensore che sia assimilabile ad un generatore di corrente con una capacita' in parallelo.
https://www.analog.com/designtools/en/photodiode/
Vedi la figure seguenti realizzate con il simulatore citato
Nota 1: vedi Detector Preamp Frequency: the interface problem https://dl.dropboxusercontent.com/s/dk9iiodjsdfdeu6/PHD1.pdf?dl=0
0
voti
grazie mille per i link domani me li leggo, sembrano interessanti
-

ingmarketz
165 1 2 6 - Stabilizzato

- Messaggi: 408
- Iscritto il: 23 nov 2011, 23:49
1
voti
elfo ha scritto:Qual e' il miglior modo per interfacciare un sensore "generatore di corrente con in parallelo una capacita' parassita" che ha in ingresso una frequanza di 40 kHz?
Certo che ponendo il problema così, mi fai venire un dubbio: se mettessimo in parallelo anche una induttanza in modo da creare una risonanza alla stessa frequenza, il segnale su un carico ad alta impedenza aumenterebbe?
Credo che la risposta stia nella fisica del trasduttore, da parte mia potrei fare soltanto una prova sperimentale, qualora conoscessi il valore della capacità
0
voti
EcoTan ha scritto:se mettessimo in parallelo anche una induttanza in modo da creare una risonanza alla stessa frequenza, il segnale su un carico ad alta impedenza aumenterebbe?
Siii!!!
E' una figata pazzesca
Avrebbe almeno due vantaggi:
- l'"amplificazione" del segnale sarebbe "selettiva" intorno alla frequenza di risonanza (filtrando via il rumore a larga banda)
- il circuito e' un risonante parallelo e quindi l'induttanza fornirebbe la "chiusura" verso massa della corrente di polarizzazione dell'amplificatore - senza dover mettere una resistenza.
L'induttanza potrebbe essere "sintetizzata" con componenti attivi.
Una ulteriore possibilita' per "annullare" la capacita' e di inserire in parallelo al sensore una capacita' negativa uguale a quella parassita (+C + (- C) = 0
In questo caso la capacita' va obbligatoriamente sintetizzata per via attiva (no, non vale montare il condensatore all'incovercio
Altre idee?
0
voti
Se è vero che la capacità è 2 nF, per portarla in risonanza a 40 kHz ci vanno circa 8 milliHenry. Se rimedio una induttanza marcata 8,2k faccio una prova. Cioè prima iniettare un segnale elettrico attorno a 40 kHz per verificare la risonanza elettrica, poi accendere la capsula trasmittente e verificare se il segnale ricevuto è aumentato.
26 messaggi
• Pagina 3 di 3 • 1, 2, 3
Chi c’è in linea
Visitano il forum: Majestic-12 [Bot] e 44 ospiti

Elettrotecnica e non solo (admin)
Un gatto tra gli elettroni (IsidoroKZ)
Esperienza e simulazioni (g.schgor)
Moleskine di un idraulico (RenzoDF)
Il Blog di ElectroYou (webmaster)
Idee microcontrollate (TardoFreak)
PICcoli grandi PICMicro (Paolino)
Il blog elettrico di carloc (carloc)
DirtEYblooog (dirtydeeds)
Di tutto... un po' (jordan20)
AK47 (lillo)
Esperienze elettroniche (marco438)
Telecomunicazioni musicali (clavicordo)
Automazione ed Elettronica (gustavo)
Direttive per la sicurezza (ErnestoCappelletti)
EYnfo dall'Alaska (mir)
Apriamo il quadro! (attilio)
H7-25 (asdf)
Passione Elettrica (massimob)
Elettroni a spasso (guidob)
Bloguerra (guerra)



