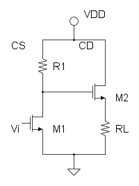
Innanzitutto perché questo è vero? Quello che direi io è che l'impedenza in ingresso di un CD è molto grande a guadagno unitario quindi anche la corrente richiesta al gate è molto bassa e si può giocare di conseguenza anche con la corrente richiesta al common source. Ma non sono convinto anche perché non mi sono ricavato il guadagno in corrente perché non ho tempo ma a occhio potrebbe essere
secondo voi?(in bassa frequenza, con
transconduttanze dei singoli transistor).
Elettrotecnica e non solo (admin)
Un gatto tra gli elettroni (IsidoroKZ)
Esperienza e simulazioni (g.schgor)
Moleskine di un idraulico (RenzoDF)
Il Blog di ElectroYou (webmaster)
Idee microcontrollate (TardoFreak)
PICcoli grandi PICMicro (Paolino)
Il blog elettrico di carloc (carloc)
DirtEYblooog (dirtydeeds)
Di tutto... un po' (jordan20)
AK47 (lillo)
Esperienze elettroniche (marco438)
Telecomunicazioni musicali (clavicordo)
Automazione ed Elettronica (gustavo)
Direttive per la sicurezza (ErnestoCappelletti)
EYnfo dall'Alaska (mir)
Apriamo il quadro! (attilio)
H7-25 (asdf)
Passione Elettrica (massimob)
Elettroni a spasso (guidob)
Bloguerra (guerra)



