Ciao ragazzi,
volevo sapere se c'è un modo relativamente facile per avere un soft start di una luce led collegata ad un Pir...
In pratica che l'accensione non sia repentina al massimo, ma un leggero passaggio da spento a full in un secondo circa, o comuqnue da testare la durata. Stessa cosa per l'off.
Grazie
Ale
Led e soft start
9 messaggi
• Pagina 1 di 1
0
voti
solo con lampade / strip ecc. dimmerabili
quelle normali hanno l'alimentatore integrato nello zoccolo e non gradiscono effetti speciali
quelle normali hanno l'alimentatore integrato nello zoccolo e non gradiscono effetti speciali
-

Praticamente
157 1 3 - Frequentatore

- Messaggi: 117
- Iscritto il: 11 gen 2019, 15:37
0
voti
Ciao,
si certo, quello era sottointeso.... ma io mi riferivo alla parte "elettronica".
Se c'è qualche semplice circuito che mi possa far fare questa cosa
Grazie
si certo, quello era sottointeso.... ma io mi riferivo alla parte "elettronica".
Se c'è qualche semplice circuito che mi possa far fare questa cosa
Grazie
-

Robbynaish
20 2 - Messaggi: 37
- Iscritto il: 16 set 2017, 8:44
1
voti
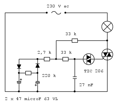
Ho ritrovato questo. Con lampade a incandescenza è utile per eliminare il picco iniziale, con altre non so.
0
voti
Grazie a tutti ragazzi.....
speravo ci fosse un metodo molto più easy.... l mie conoscenze di elttronica sono moooolto basiche :)
Grazie ancora
speravo ci fosse un metodo molto più easy.... l mie conoscenze di elttronica sono moooolto basiche :)
Grazie ancora
-

Robbynaish
20 2 - Messaggi: 37
- Iscritto il: 16 set 2017, 8:44
0
voti
E meno male avevo scritto che le mie nozioni sono molto basiche ahahahahahha
Grazie lo stesso...
Grazie lo stesso...
-

Robbynaish
20 2 - Messaggi: 37
- Iscritto il: 16 set 2017, 8:44
9 messaggi
• Pagina 1 di 1
Chi c’è in linea
Visitano il forum: Nessuno e 10 ospiti

Elettrotecnica e non solo (admin)
Un gatto tra gli elettroni (IsidoroKZ)
Esperienza e simulazioni (g.schgor)
Moleskine di un idraulico (RenzoDF)
Il Blog di ElectroYou (webmaster)
Idee microcontrollate (TardoFreak)
PICcoli grandi PICMicro (Paolino)
Il blog elettrico di carloc (carloc)
DirtEYblooog (dirtydeeds)
Di tutto... un po' (jordan20)
AK47 (lillo)
Esperienze elettroniche (marco438)
Telecomunicazioni musicali (clavicordo)
Automazione ed Elettronica (gustavo)
Direttive per la sicurezza (ErnestoCappelletti)
EYnfo dall'Alaska (mir)
Apriamo il quadro! (attilio)
H7-25 (asdf)
Passione Elettrica (massimob)
Elettroni a spasso (guidob)
Bloguerra (guerra)






