Cos'è ElectroYou | Login Iscriviti

ElectroYou - la comunità dei professionisti del mondo elettrico

Ricavare funzione di trasferimento da funzione di uscita

PLC, servomotori, inverter...robot

Moderatori: Foto Utentedimaios, Foto Utentecarlomariamanenti

0
voti

[51] Re: Ricavare funzione di trasferimento da funzione di uscita

Messaggioda Foto UtenteSandroCalligaro » 23 mar 2019, 17:42

EcoTan ha scritto:
tino20 ha scritto:Ho anche misurato le tensioni d'uscita del ponte L298N con in ingresso i vari valori del PWM, ho ottenuto

Col motore collegato e privo di carico meccanico? Questa curva può variare molto secondo il tipo di pilotaggio del ponte H (Pulse Magnitudo, LockedAntiPhase, 2 livelli, 3 livelli) e con la frequenza del PWM. Ma oserei dire che la regolazione automatica ingoia tutto, quello che cambia di più alla fine è il rendimento.

PIù che altro, quella che va considerata è la tensione media nel periodo, che un multimetro potrebbe misurare correttamente o no. In generale, non mi fiderei del multimetro, ma la ricaverei verificando le forme d'onda con l'oscilloscopio.
Altrimenti, prenderei per buono che (a parte una certa banda morta, che si può sempre verificare anche col multimetro) la tensione media è pari alla tensione misurata con duty-cycle 100%, moltiplicata per il duty.

tino20 ha scritto:Quindi tra ingresso e uscita del ponte dovrebbe esserci una relazione di proporzionalità,giusto?
In realtà ho ottenuto qualcosa simile ad un esponenziale.

Questo conferma il fatto che la misura che hai fatto (suppongo con multimetro) non è attendibile, riguardo al valore medio.
Avatar utente
Foto UtenteSandroCalligaro
2.970 2 4 5
G.Master EY
G.Master EY
 
Messaggi: 1181
Iscritto il: 6 ago 2015, 19:25

0
voti

[52] Re: Ricavare funzione di trasferimento da funzione di uscita

Messaggioda Foto UtenteSandroCalligaro » 23 mar 2019, 17:56

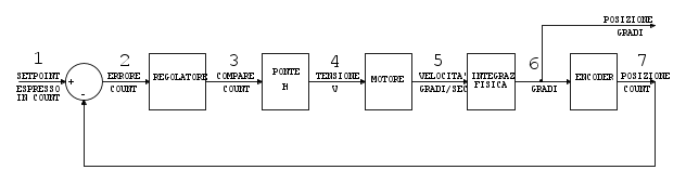
EcoTan ha scritto:A primo approccio ho individuato 7 grandezze con le relative unità di misura:

Inizialmente hai rilevato la funzione di trasferimento 5/4 quindi con un passaggio matematico di integrazione hai ottenuto la funzione di trasferimento 6/4 e la hai introdotta nel modello. Tutto ciò è una mia ipotesi.

Se questo schema è corretto, la relazione tra velocità e posizione non è solo un integrale, ma c'è anche un guadagno. Per questo avevo suggerito di riportarsi (almeno nello schema di principio) a radianti e rad/s, così come per la tensione.
Poi si può sempre tener conto dei coefficienti reali...

Foto UtenteMarcoD, in questo caso non credo occorra tener conto di tutta la dinamica in modo dettagliato.
Nella maggior parte dei casi, se il sistema meccanico è rappresentato da un'inerzia ed un attrito lineare con la velocità, la risposta del motore DC in termini di velocità [rad/s] vs. tensione di armatura [V] è approssimabile ad un primo ordine, con guadagno \frac{1}{K_v} e costante di tempo \frac{J R_a}{K^2_v}, dove J è l'inerzia, R_a la resistenza di armatura, K_v la costante di tensione in [V/(rad/s)].
Avatar utente
Foto UtenteSandroCalligaro
2.970 2 4 5
G.Master EY
G.Master EY
 
Messaggi: 1181
Iscritto il: 6 ago 2015, 19:25

0
voti

[53] Re: Ricavare funzione di trasferimento da funzione di uscita

Messaggioda Foto Utentetino20 » 23 mar 2019, 19:05

SandroCalligaro ha scritto:Altrimenti, prenderei per buono che (a parte una certa banda morta, che si può sempre verificare anche col multimetro) la tensione media è pari alla tensione misurata con duty-cycle 100%, moltiplicata per il duty.


La tensione media sarebbe quella che va in ingresso al motore?
Se si, non dovrenne essere

V_{m}=\frac{duty*12}{255}

dove duty è l'uscita del regolatore, 12 la tensione erogata al duty 100%, cioè 255?

Ho provato a inserire un guadagno pari a (12/255) tra controllore e funzione del motore, è sbagliato?
Avatar utente
Foto Utentetino20
5 5
New entry
New entry
 
Messaggi: 72
Iscritto il: 13 lug 2011, 13:40

0
voti

[54] Re: Ricavare funzione di trasferimento da funzione di uscita

Messaggioda Foto UtenteMarcoD » 24 mar 2019, 8:58

@SandroCalligaro concordo con tue formule semplificate.
L'attrito è trascurabile, i miei coefficenti Ke km, espressi nelle (tue) corrette unità di misura hanno lo stesso valore numerico e coincidono nel tuo kV.

@tino: non linearita duty - tensione

In un apparato ben fatto, la tensione fra vuoto e carico non dovrebbe cambiare in modo significativo (al max un 10 20 %)

1) prova a misurare le tensioni con un filtro RC applicato al voltmetro che adoperi.
( 1000 ohm in serie, 100 uF in parallelo ai puntali).

2) oppure l'alimentatore di potenza 12 V si siede

2a) dovrebbe essere presente un resistore in serie al parallelo degli emettitori del lato basso del ponte.
Serve per rilevare la corrente assorbita dal motore, forse è mal dimensionato ?

3) pasticci di connessione delle masse che hanno ressitenza di connessione non nulla

4) disturbi per assenza di connessione ai due bit di senso di marcia
Avatar utente
Foto UtenteMarcoD
12,2k 5 9 13
Master EY
Master EY
 
Messaggi: 6696
Iscritto il: 9 lug 2015, 16:58
Località: Torino

0
voti

[55] Re: Ricavare funzione di trasferimento da funzione di uscita

Messaggioda Foto UtenteEcoTan » 24 mar 2019, 10:49

MarcoD ha scritto:la tensione fra vuoto e carico non dovrebbe cambiare in modo significativo

Per quello che riguarda le cadute sull'alimentatore e sui finali del ponte, sì.
Nel caso che il ponte vada in onda rettangolare a 2 livelli con poco dead-time (credo sia il caso di Arduino), sì.
Negli altri casi guardare con l'oscilloscopio ai capi del motore.
Passando ad altro, se la costante Kd è espressa in secondi, 190 mi pare un valore esagerato.
Avatar utente
Foto UtenteEcoTan
7.720 4 12 13
Expert EY
Expert EY
 
Messaggi: 5423
Iscritto il: 29 gen 2014, 8:54

0
voti

[56] Re: Ricavare funzione di trasferimento da funzione di uscita

Messaggioda Foto Utentetino20 » 24 mar 2019, 18:45

EcoTan ha scritto:Passando ad altro, se la costante Kd è espressa in secondi, 190 mi pare un valore esagerato.


No il valore 190 è espresso in millisecondi. Ora però ho riportato il tutto a secondi e radianti, seguendo il consiglio di Foto UtenteSandroCalligaro
Avatar utente
Foto Utentetino20
5 5
New entry
New entry
 
Messaggi: 72
Iscritto il: 13 lug 2011, 13:40

0
voti

[57] Re: Ricavare funzione di trasferimento da funzione di uscita

Messaggioda Foto UtenteEcoTan » 24 mar 2019, 19:11

tino20 ha scritto:un controllore PD, controllore che ho implementato con arduino

poiché sto esaminando un sistema simile, sono curioso se questi calcoli vengano fatti in formato Integer o FloatingPoint.
Avatar utente
Foto UtenteEcoTan
7.720 4 12 13
Expert EY
Expert EY
 
Messaggi: 5423
Iscritto il: 29 gen 2014, 8:54

0
voti

[58] Re: Ricavare funzione di trasferimento da funzione di uscita

Messaggioda Foto Utentetino20 » 25 mar 2019, 9:51

In FloatingPoint
Avatar utente
Foto Utentetino20
5 5
New entry
New entry
 
Messaggi: 72
Iscritto il: 13 lug 2011, 13:40

0
voti

[59] Re: Ricavare funzione di trasferimento da funzione di uscita

Messaggioda Foto UtenteSandroCalligaro » 25 mar 2019, 10:03

L'implementazione in virgola fissa (Q numbering) è piuttosto fastidiosa, se non si usa una buona libreria di calcolo.
In Arduino, non essendoci un'unità aritmetica a virgola fissa, la differenza nel tempo di calcolo tra float ed interi a risoluzione accettabile è molto grande.

Questa sembra essere una libreria adatta allo scopo...
Avatar utente
Foto UtenteSandroCalligaro
2.970 2 4 5
G.Master EY
G.Master EY
 
Messaggi: 1181
Iscritto il: 6 ago 2015, 19:25

Precedente

Torna a Automazione industriale ed azionamenti

Chi c’è in linea

Visitano il forum: Nessuno e 16 ospiti